问:我的一台飞跃12D3型电视机最近出现伴音干扰光栅现象。当音量开至最大时,光栅的水平辐度随伴音音量的大小而变化,这是什么原因造成的?
答:这种现象是由电源引起的。当电源某一部分出现故障,使电源内阻升高时,音频信号通过电源内阻耦合到行输出级,产生音频信号对扫描信号的干扰。

飞跃12D3型电视机电源部分见图。低放输出级的电源取自稳压器的输入端,正常值为19V。当桥式整流器的一臂开路时,就变为半波整流,整流电压下降到13.5V左右。此时稳压器虽能维持12V电压输出,但调整管10BG\(_{6}\)的VCE压降减小(仅为1.5V左右),其β值下降,放大器的增益也降低,使稳压电源的内阻增大。由于行输出级采用电源反馈自举升压电路,将集电极电压提升到27V,音频信号可通过电源内阻串入行输出级,迭加在行反峰电压上。音频信号的幅度越大,对行幅的干扰就越严重。(秦臻)
问:按北京牌842型电路自装一台12英寸电视机。调试时发现屏幕上部总有几条不断上下移动的亮线,有时调节场频可改变亮线的位置,但不能使其消失,这是何故?怎么解决?

答:产生这种故障的主要原因是场输出管BG\(_{24}\)的BVceo太低。因为当BG\(_{24}\)的BVceo不够高时,在场回扫过程中,其回扫脉冲将使BG\(_{24}\)处于软击穿状态。这样场回扫脉冲的幅度就要被压低,回扫时间也会延长,从而使几根回扫线出现在扫描正程中(屏幕上部)。解决的办法是换上BVceo≥60伏(I\(_{c}\)≤1毫安时),β≥40(Ic=1安)的同型号或类似型号的管子。(王德沅)
问: 一台日立CTP-236D型20英寸彩色电视机,开关电源108伏输出电压极低, 经检查CP901厚膜电路HM9102上的稳压二极管损坏,当地买不到这种元件,能用国产元件代替吗?怎样代替?

答:厚膜电路HM9102内部电路如图所示。当厚膜电路上的稳压二极管损坏后,可以用国产稳压二极管代替。代替方法如下:选择一只稳定电压为6V左右的稳压二极管,可选用的型号有2CW7C、2CW7D、2CW53(2CWB)、2CW104(2CW21B)等(括号内为旧型号)。把损坏了的厚膜电路从电路板上焊下,并剪去其2、4引出脚,然后再把厚膜电路装回电路板上,把1、3、5脚与电路焊好,把代用的稳压二极管的负极引线从印制电路板正面插入2脚的孔中焊好,正极引线插入4脚孔中焊牢。焊好后要通电检验输出电压是否为108V,一般偏差在±4V以内不影响电路正常工作,当输出电压偏差过大时,应检查稳压二极管的稳压值。如果是由于稳压二极管特性不良,应更换特性符合要求的稳压二极管。(汪锡明)
问:电视机的拉杆天线表面为什么会出现黄褐色网状物质?如何清除和预防?
答:这是因为拉杆天线表面镀铬层受到空气中有害气体的侵蚀而出现的氧化物质,随着这个过程的继续,黄褐色的网状物质将不断扩大,最后使镀铬层全部破坏。当拉杆天线开始出现这种氧化物质时,就应用中性机油或缝纫机油来回揩擦,可以将这种氧化物质擦去。经常用中性机油或缝纫机油揩擦拉杆天线,可以防止氧化物质的出现和网状氧化物质的扩散。(花维国)
问:我的电视机中一块集成电路SL349不能正常工作,测其各脚电压均正常,只是第①脚对地无电压,换一块觉得很浪费,有何补救办法?

答:在这种情况下,可用一只β>50、I\(_{cm}\)>300mA的3DG型晶体管焊在集成块外来补救。具体作法是: 断开电路中的①脚。晶体管基极接集成块⑩脚,集电极接②脚, 发射极代替①脚接入电路中(如图)。经此处理后,SL349即能正常工作。(庞鸿伟)
问:我的三洋2405收录机放音、收音均很正常,就是录不上音,请问这是什么问题?

答:话筒和线路两种方式都录不上音,常见故障是录放开关接触不良。按下录音键时,机器应从放音位转为录音位,如果录音位接触不良,就会造成录音信号不能通过,以致录不上音。如果录放开关是正常的则应怀疑录音磁头没有加上偏磁电流。该机是直流偏磁方式从该机局部电路看。R\(_{7}\)03(68KΩ)变质、开路,偏磁电流就无法通过。R718(39KΩ)开路录音信号也不能送入磁头。这两个元件应着重检查。另外,机器的正确操作也应注意,录音时工作种类开关应放到T\(_{a}\)的位置,如工作种类开关使用不正确也会录不上音。(张志清)
问:一台进口盒式录音机,放音时从扬声器中发出“吱……”声,这种声音随着音量的增大而越响,不知是什么原因?
答:这种现象主要是盒式录音机机械部分的原因。例如收带力矩过大,磁带不平,走带机构的摩擦等等都会发出“吱……”声,录音时这种“吱……”声连同信号一起被录到磁带上。再放音时这种“吱……”声就又被放了出来,并且随着音量的增大而增大。这种故障应仔细检查从机械部分的什么地方发出的。另外还有一类“吱……”声,是由于电路自激造成的。如判明是电路问题,可适当加大负反馈以抑制自激的发生。(杨必标)
问:二氧化铬磁带(CrO\(_{2}\))是否一定要在铁氧体磁头的机子中使用?使用二氧化铬带坡莫合金磁头是否会被损坏。
答:应该说凡是机器面板上具备磁带选用开关的机器均可使用二氧化铬带。例如常见的三洋M4500K,M9994K,夏普的GF666等机,均可使用二氧化铬带,而不必考虑其所用的磁头是什么材料的。
一般认为二氧化铬带的磁粉硬度比普通铁带高,易磨损磁头。但是磁带对磁头的磨损因素,除磁粉粒子硬度外,还与磁粉的粗细;磁带表面光洁度;磁粉涂层的附着力等因素有关。一般铬带的上述几项指标均是优良的。而质量较差的普通铁带上述几项指标均不如铬带,因此不能简单地说铬带比铁带易磨损磁头。然而铬带的电声特性是普通铁带无法比拟的。特别是频响高端的性能铬带比铁带明显优越。(徐森)
问:自装一部磁带放音机,焊接磁头时应注意什么问题?

答:磁头至前置均衡放大器的输入端之间应使用双芯屏蔽线。对于塑料录音机芯,因磁头与机器公用地线是绝缘的、焊接时应将屏蔽线外皮的一端焊在机器的公用地线上,另一端与磁头外壳紧密接触。这样磁头壳起到良好的屏蔽作用。对于全铁结构的录音机芯,由于磁头外壳通过录音机芯已与整机的公用地线接触在一起,所以屏蔽线外皮靠近磁头的一端不必再与磁头外壳接触。这样做对提高整机信噪比很有利。如将屏蔽线外皮靠磁头一端与磁头外壳接触,如图所示,就会形成地线的并联通路。大家知道,放大器前级与未级之间的地线中如有较大电流通过时会产生一定数量的电位差,由于地线存在着回路,就会产生回路电流,方向是A→B→C→D→A。磁头引线至前置级之间的屏蔽线外皮有地线回路电流流过,感应到高增益的前置级输入端形成噪声。业余制作中由于地线走线不合理会使这种噪声成倍增加,所以全铁结构的录音机芯,磁头外壳不可与屏蔽线外皮相接。(徐森)
问:我有一台10瓦OTL扩音机,功放部分电路见附图。由于此机的互补管BG\(_{2}\)和BG3是两个不同材料的三极管,用了一段时间后,失真很大。现准备用一对硅三极管(PNP型和NPN型)去更换原来的互补管,请问换管后电路中其它元件数值是否要改动?怎样调整?

答:用硅互补管代替锗互补管时,只需将附图中的R\(_{5}\)的数值由270Ω改换成510欧可调电阻即可。调试时,先调R3阻值,使扩音机输出端(图中A点)静态电位为15伏。然后再调R5,使功率管的静态电流为10~20毫安即可。(张国华)
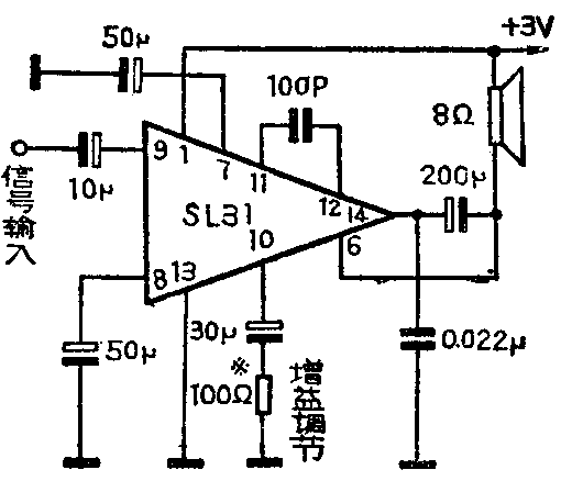
问:我购买了一个“神波牌”SL31集成功放电路,请问这种功放块的管脚排列次序如何辨认?电路性能如何?使用时还要加哪些外围元件?
答:SL31是低电压袖珍收音机上用的功放集成电路,它能在2~4.5伏电压范围内工作。在3伏电源电压下,其静态电流约为6毫安左右;在8欧负载下能获得75毫瓦的额定功率,信号带宽大于10千赫,输入阻抗约10千欧。

将集成电路块的商标正放,左下脚为第1脚,按逆时针方向数,依次为第2、3、4、……14脚。电路的外围元件接法如附图。 (张国华)