在进行简单的电路实验时,一般采用不超过四、五只晶体管的电路,这时采用刀刻法制作印刷电路最为方便。
下面我们以单管来复再生式单管机和带短路保护的稳压电源为例,介绍刀刻印刷电路的设计方法和制作过程。
设计印刷电路底图
图1为单管机原理图,在设计印刷板底图时,首先根据外壳把整个电路板的尺寸定下来,然后把单管机中几个大型的元器件,如可变电容器、磁性天线以及电池的位置安排好,如图2所示。电池的位置定下来后,电路板中接电源正极的公共引线(接地线)和接电源负极的公共引线就可以定下来了。从图2中我们可以看出,电池在下方,原理图中电源正极的接线也在下方,因此把电路板中接电源正极的公共接线安排在右下方,把电池负极的引线安排在电路板左下方,接着把其它的元器件安排在电路板中剩余的地方(图2中画斜线的部分)。原理图中三极管发射极是接电源正极的,把此管子安排在中间。并在右下方接地铜箔上留一个接E极引线的小孔。原理图中二极管D\(_{2}\)正极是接地的,因此把D2安排在三极管的旁边,并在接地铜箔上留一个小孔。把C\(_{3}\)、C4和D\(_{1}\)安排在三极管和D2旁边。凡是在两个(或几个)元件连接处要留出一块铜箔当连接线,并要在上面打两个(或几个)孔,见图3所示。C\(_{2}\)使用瓷介质半可变电容器,它的体积较大。另外此电容的一端要与三极管集电极相连接,因此把它安排在线路板左边空余地方,从原理图中看GZL和R有一端与插座相连,把它们安排在上方,并在GZL与R之间留一块铜箔当作连接线用。初步安排好后,根据刀刻印刷电路的特点:保留的铜箔多些,刻去的铜箔尽量少些(两条铜箔之间要有2~3毫米的间隙);而且要求保留的铜箔外形的轮廓由直线和直角组成,对图4进行整理,可以画出图5所示电路板了。





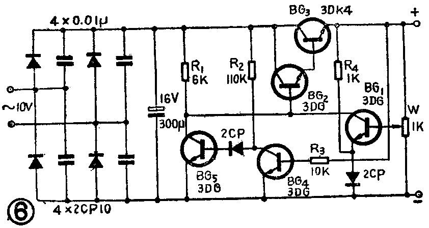
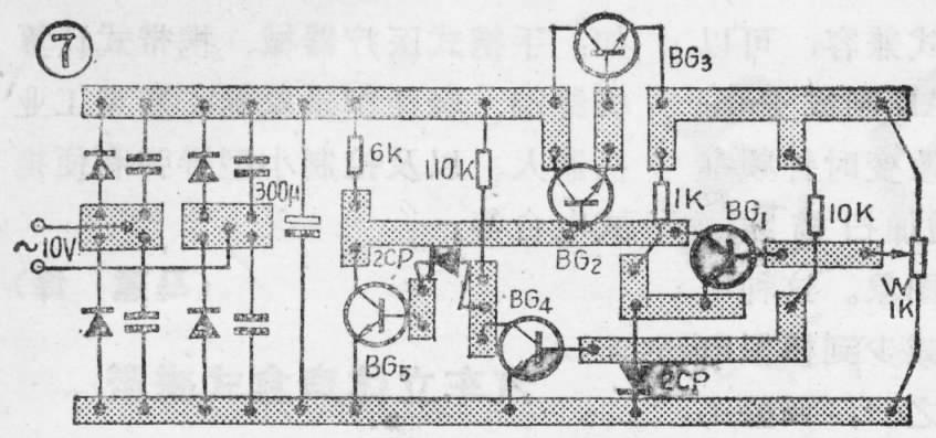
我们在设计较复杂的印刷电路板时,如图6所示的稳压电路,就要以原理图中的三极管为核心,以各三极管和所连接的元件在原理图中的位置为依据在各元件连接处留出一块铜箔作为接线用,接着就可画出印刷板的草图,如图7所示,为了便于刀刻印刷电路板,把做接线用的铜箔面积加大,再稍加整理就可画图8所示适合刀刻的电路板了。



我们在设针印刷电路板底图时,遇到几条线不需相连但又不得不交叉到一起时,可以采用下列几种方法来解决。①利用元器件本身引线跨接到电路中来避免交叉,如图8中电阻R\(_{2}\),电阻R3等几个元件就是这样连接的。
②可以利用某些元件的外壳来连通两条电路,避免几条导线的交叉。如图9所示就是利用变压器外壳来连接上、下两条地线的。

③在上述两种方法不能采用时,可以用外加一条辅助线(有绝缘外皮的导线)来解决。
刀刻印刷电路的方法
先把设计好的印刷电路底图用复写纸复写在敷铜板上。用小刀刻去不需要部分的铜箔,刻制步骤如下:
①刻出线路轮廓。用小刀的后端部进行刻划,如图10所示。第一刀要轻,线条要直,先刻出一个印子。刻印子时不能用力太大,否则一刀刻歪了,下一刀就容易从刻坏的地方滑出去。

②刻透铜箔。这时用刀的后端部用力往下按,并在、右稍微晃动一下,缓慢进刀,不要直着用刀往前推。否则容易刻坏电路板,而且还容易碰伤按住电路板的左手上。当把线条处铜箔刻通后,即可铲去中间的铜箔。在刻划需保留的小片铜箔的轮廓时,一定要慢刻,避免损坏铜箔。
在刻好的电路板上,元器件可焊在铜箔那面,这样可以不用在印刷电路板上打眼,而且不易装错元器件,对简单的电路不妨采用这种办法。(沈长生)