一、实验目的
1、通过实验掌握双稳态电路的特点;2。了解双稳态电路的工作原理;3.进行双稳态电路的应用实验。
二、实验材料
实验所需元器件详见表一。按钮开关K可用有弹性的铜皮自制,并直接焊在线路实验板上,也可以用两根软导线临时代替。

三、实验步骤
1.在线路实验板上按图1接好电路,这是个典型的双稳态电路。接通电源,观察并记住这时发光管是处在“亮”还是“灭”的状态。按一下开关K\(_{2}\),发光管变亮(如果发光管原来是“亮”的状态,则仍然亮着)。按一下开关K1,发光管即熄灭。以后轮流按动这两个开关,发光管会随之一亮、一灭地变化。

2.改变两个开关K\(_{1}\)、K2在电路中的位置,把它们分别接在两只晶体管的基极与“地”(即电源的负极),如图2。这时,按一下开关K\(_{1}\)发光管变亮,按一下K2,发光管熄灭。

3.将图1电路稍微改变一下,把电阻R\(_{C1}\)与发光管及RC2的位置对调,发光管接在BG\(_{1}\)的集电极上。我们会发现和图1电路实验相比,开关K1、K\(_{2}\)的作用发生了变化,按动K1时,发光管亮,而按动K\(_{2}\)时发光管熄灭,和刚才情形正相反。
通过上面的实验,我们可以总结出双稳态电路的几个基本特点:
(1)双稳态电路好象是一个单刀双掷的开关,如图3所示。两只晶体管总是一只截止,另一只导通。

(2)实验中按动开关,使电路状态改变后,再按这只开关,电路不会变化。只有按下另一个开关,电路才能翻转恢复到原状态。因此我们可以由发光管的亮、灭显示来判断最后一次按下的是哪个开关。这就是通常所说的电路具有的“记忆”作用。
(3)电路的状态可以在外加信号的作用下转换(称为翻转)。实验中按动开关,就是使晶体管的集电极或基极电压突然降低为零,相当于对电路输入一个信号。外加信号由基极或集电极输入都可以使双稳态电路翻转,但控制的状态有所不同。
四、电路原理
双稳态电路是一种基本的电子开关电路。在计时、保护、分频、计数、寄存等系统中被广泛的应用。我们参照图4来分析它的工作原理。

电源接通后,BG\(_{1}\)和BG2两只晶体管的集电极电流I\(_{c1}\)和Ic2同时有增大趋势。由于两只管子的特性不会完全一致,必然是一只管子导通得好些,另一只差些。这里假设BG\(_{1}\)比BG2导通得好,则I\(_{c1}\)的上升较快,同时使得Uc1较快降低。这个变化通过电阻R\(_{b1}\)引起BG2管基极电位U\(_{b2}\)下降,使Ib2减小。这又使BG\(_{2}\)管Ic2减小,而U\(_{c2}\)上升,并反过来通过电阻Rb2使BG\(_{1}\)的基极电位升高,又促使Ic1增大。经过这样一个强烈的连续变化(正反馈),使双稳态电路在接通电源后很短时间内达到BG\(_{1}\)导通和BG2截止这种稳定状态。
图4电路达到稳定状态后,按下开关K\(_{2}\),使BG2的集电极和地短路,U\(_{c2}\)≈0V。这就破坏了电路的稳定状态。因为Uc2≈0V,使U\(_{b1}\)≈0V,则BG1由导通变为截止,同时U\(_{c1}\)升高接近电源电压(6V),通过Rb1使BG\(_{2}\)导通。这个转变过程叫做电路的“翻转”。翻转后,开关K2断开,对电路也没有影响,因为它已经达到了新的稳定状态。只有按下K\(_{1}\),才能使电路再翻转过来,道理和前面所说是一样的。
在图2电路中,也是利用按钮开关产生电压的突然变化,只是它把信号加在原来导通的管子上,使其基极电压降为零,导通管转为截止,同样引起电路翻转。
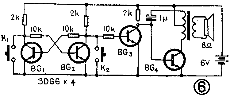
五、双稳电路的简单应用
图5是我们以前做过的一种电子蝉鸣器,当用按钮开关接通电源它就发出“嘟——”报警声。现在把它和双稳态电路联起来,就成为有“记忆”功能的报警器了。报警器电路见图6。接通电源后按动开关K\(_{1}\),使双稳电路稳定在BG1导通,BG\(_{2}\)截止的状态。这时BG3由于基极电位较高而导通,它的集电极电压(即BG\(_{4}\)基极电压)很低,蜂鸣器不工作。按下开关K2后,双稳态电路翻转,BG\(_{2}\)由截止变为导通,其集电极电压下降,使BG3截止,蝉鸣器工作发出报警声。这时即使K\(_{2}\)断开,警声仍然不停,只有再按下K1才能结束报警。


图6的电路比图5更实用。譬如把K\(_{2}\)装在大门上,当有人开门时电路立即报警。这时即使再把门关上,警声仍然不断,告诉主人曾有人开过门,直到主人检查过后,按下K1把警报解除为止。可见,这是个很忠于职守的“警卫员”。
图7电路可以用在监视、传输或玩具中,发光管作为显示器,G\(_{1}\)和G2是两个干簧管,作为定位开关用。两干簧管之间作为“危险区”。工件进入危险区时,附在上面的小磁铁使G\(_{1}\)吸合,发光管显示发光,退出危险区(经过G2)后,发光管熄灭。大家可以来分析一下这个电路的工作情况。(陈鹏飞 王友文)
