《无线电》杂志上已介绍了一种“不用继电器的模型遥控电路”,采用OCL放大器电路形式,利用电子电机换向开关代替了通常使用的继电器,电路中用的是双电源。我们在此基础上,将电机换向开关采用BTL放大器的电路形式,可用单电源供电,减轻了遥控模型的重量。
图1仅仅给出了接收机检波级以后的电路,其中D\(_{1}\)、R1、C\(_{1}\)和C2等组成检波级,BG\(_{1}\)、R2和R\(_{3}\)组成提供BG2、BG\(_{3}\)基极信号的倒相级,BG2、BG\(_{3}\)为激励级,BG4~BG\(_{7}\)组成“BTL”形式的电机转动换向驱动电子开关。

当发射机发射高频等幅信号时,信号被装置在遥控模型中的接收机接收,经放大、检波后,产生一个直流电压送入BG\(_{1}\)的基极,BG1导通,从它的集电极、发射极输出一组倒相信号使BG\(_{2}\)截止、BG3导通。BG\(_{2}\)截止时,使得BG4导通、BG\(_{5}\)截止;BG3导通时,引起BG\(_{6}\)截止,BG7导通。这时电机电路部分如图2所示,电机正转,模型完成右转弯(或前进)动作。

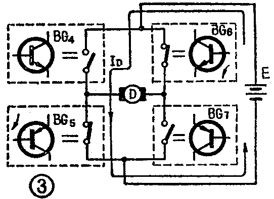
当发射机停止发射信号时,BG\(_{1}\)因基极无输入信号而截止,于是BG3截止、BG\(_{2}\)导通。由于BG3截止时,引起BG\(_{7}\)截止、BG6导通;而BG\(_{2}\)导通时,使得BG5导通、BG\(_{4}\)截止,这对电机电路如图3所示,电机反转,模型完成左转弯(或后退)的动作。

图1中加入二极管D\(_{2}\)、D3,可以使三极管BG\(_{2}\)可靠地截止。因为在BG1导通时,如不加D\(_{2}\)、D3,即BC\(_{1}\)的集电极和BG2的基极直接连接,这时加在BG\(_{2}\)的发射结上的电压为Uce1加U\(_{be3}\),约有1伏左右,但由于BG2的b、e结有0.7伏就可导通,这个电压不能使BG\(_{2}\)截止,当加入D2D\(_{3}\)后,BG2的开启电压将达到2.1伏左右才能导通,所以BG\(_{2}\)就能可靠地截止。
该电路对元器件无特殊要求,BG\(_{1}\)~BG3的β值大于50即可;BG\(_{4}\)~BG7的β可选大于100的。由于各管均工作在开关状态,所以应选择饱和压降尽量小的管子。

一般说来,只要元器件良好,焊接无误,电路装好后都能正常工作。上表给出了BG\(_{1}\)的c、e极开路和用镊子将BG1的c、e极短路时实测的各点电压,供参考。
对于发射机、接收机电路,读者可自行选取或设计。(赵雷)