为了培养孩子们反映快且准确,常让他(她)们作模鼻子游戏。先让孩子手先指着鼻子,然后大人发出“眼睛”口令,孩子应迅速将手从鼻子移至眼睛。否则就错了,需重新开始。我们模拟这个游戏,制作了这套电子游戏装置。
电子游戏装置分两部分:一是控制盒,二是假人头。在装饰好的假人头的眼、耳、鼻和嘴上装有按钮,同时在这些部位上各有一个指示灯。游戏时,甲站在人头像前,面对人头,乙负责控制盒。当乙准备发出“眼睛”口令时,应将控制盒上标有“眼睛”的开关闭合。这时甲的手应先放在人头像的鼻子上作准备,同时注视着人头五官部位上的指示灯。此时指示灯不亮。然后乙迅速地将控制盒上的“开始”按钮开关接通,这时人头像上的左、右眼睛上的小灯泡亮,同时喇叭发出叫声。此时甲应当很快地判断出灯亮的位置,赶快把放在鼻子上的手抽回去按眼睛下的按钮。由于小灯亮和喇叭响的持续时间为0.5秒左右,如果在这段时间里甲能准确地按下亮灯处的按钮,喇叭就会连续发出叫声,表示胜利。如果过0.5秒灯灭后才找到相应的按钮,或者按错了按钮,喇叭均不再有叫声,说明失败了。然后再将手放回原处等待下一次口令。
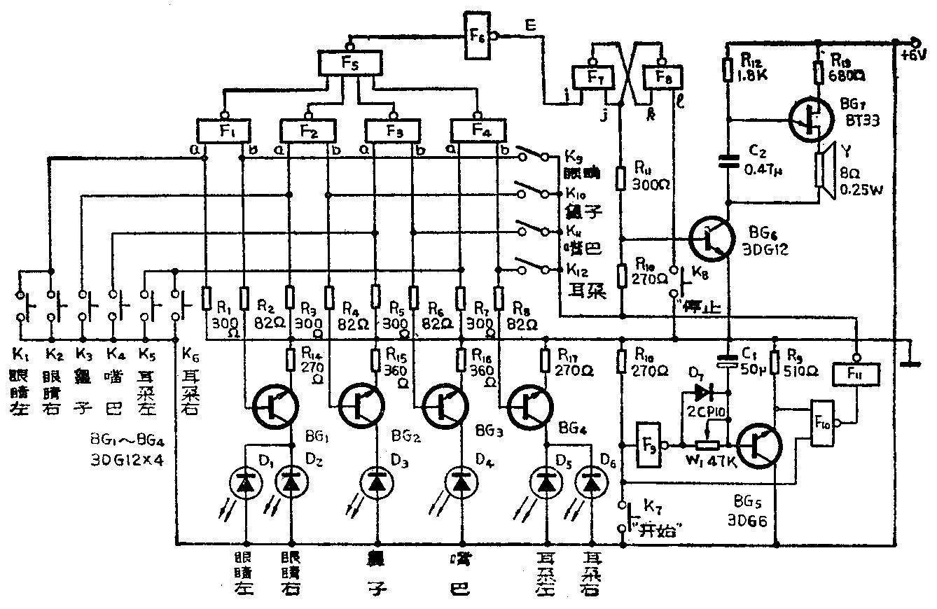
电路介绍
这个装置的电路见图。晶体管BG\(_{1}\)~BG4和发光二极管等组成灯光显示电路。晶体管BG\(_{5}\)等组成延时控制电路。晶体管BG6、BG\(_{7}\)等组成音频振荡器。门F7、F\(_{8}\)等组成触发器。

当图1中的各开关均未接通时,BG\(_{1}\)~BG4不导通。门F\(_{1}\)~F4为双输入端与非门,因它们的一个输入端“b”端为高电位,另一个输入端“a”端为低电位,所以这四个门的输出端均为高电位,门F\(_{5}\)输出端就为低电位,而门F6的输出端为高电位。K\(_{7}\)未接通,门F9输出端为高电位,D\(_{7}\)导通,给C1充电。此时BG\(_{5}\)不导通,门F10的输出端为高电位,门F\(_{11}\)的输出端为低电位。门F7、F\(_{8}\)触发器处于稳定状态。晶体管BG6截止,BG\(_{7}\)等组成的振荡器不工作,喇叭无声。
当某一开关如眼睛控制开关K\(_{9}\)接通时,这时将F11的输出端接到门F\(_{1}\)的“b”输入端,这时F1的两个输入端均为低电位,F\(_{1}\)输出仍为高电位。BG1也不导通。当把“开始”开关K\(_{7}\)按下接通时,这时门F9的输入端为高电位,输出端为低电位,D\(_{7}\)截止,C1通过BG\(_{5}\)的发射结电阻和W1放电,BG\(_{5}\)导通。使门F10的两个输入端均为高电位,F\(_{11}\)输出端为高电位。此高电位促使BG6导通工作,BG\(_{7}\)也导通,所以喇叭发出音频叫声。当C1上的电压随着放电减小到低于0.7伏左右时,BG\(_{5}\)截止。门F10的输出又变为高电位,F\(_{11}\)输出端又为低电位,延时结束。BG6、BG\(_{7}\)相继截止,叫声停止。这就是说,F1的“b”输入端只有在延时电路工作时的延时时间内(0.5秒左右)处于高电位,才能使BG\(_{1}\)导通,装在两个眼睛上的发光管亮。同时,在延时时间内,由于BG6导通,所以喇叭有音频叫声。这时如果站在人头前的甲在看见眼睛上的指示灯亮的期间内按动装在眼睛下的按钮开关K\(_{1}\)、K2,则门F\(_{1}\)的两个输入端均为高电位,它的输出端变为低电位。门F5输出变为高电位,促使F\(_{7}\)、F8组成的触发器翻转,使“j”端输出为高电位,维持BG\(_{6}\)导通,于是喇叭一直有音频叫声,说明甲取胜了。如果在延时时间内,不是接通K1、K\(_{2}\),而是接通的K3,那么门F\(_{5}\)的状态不变,喇叭到延时结束时就没有叫声了。如果延时时间已过,再去按动K1、K\(_{2}\),扬声器无声,说明失败了。
在甲胜利后,叫声仍持续,乙可以按动“停止”按钮,触发器翻转,叫声停止,又可准备下一个口令。
其它部分的工作原理同上,这里就不一一举例叙述了。
元器件选择与安装
电路中所用的集成块门 F\(_{1}\)~F4和门F\(_{9}\)~F11各用一块两输入端四与非门TTL数字集成电路,如C036;门F\(_{5}\)、F6和F\(_{7}\)、F8各用一块五输入端双与非门,如7MY23或7MY24等。整个电路仅用四只TTL集成块。发光二极管用LED任何型号的均可,也可以用6伏小指示灯代替,这时应去掉串联在BG\(_{1}\)~BG4发射极上的电阻,使电路简化。开关K\(_{1}\)~K8用按钮开关,也可以用微动开关。
安装时,开关K\(_{1}\)~K6装在人头像的五官相应部分。控制开关K\(_{7}\)~K12及整个电路元器件装在控制盒上,由发令人操纵。若嫌延时时间0.5秒不合适,可调整W\(_{1}\)。(唐宗理)