问:一台牡丹牌31H3型12英寸集成电路黑白电视机,光栅中间出现一条较亮的垂直白线,光栅暗淡,400伏限流电阻5R\(_{12}\)烧坏,换上300欧3瓦电阻后又被烧坏,这是什么原因?如何检修?
答:上述现象是一种综合故障。光栅中间出现一条较亮的垂直白线,是行输出级的逆程电容器5C\(_{14}\)(0.015μF)容量减小或失效,使行逆程脉冲幅度升高很多,利用行逆程脉冲升压获得的高压(12KV)、中压(400V、 120V)也升高很多造成的。在这种情况下,容易损坏行输出管、阻尼二极管、提升二极管、行输出变压器、高压硅堆、中压整流二极管和滤波电容器等元件。因此,检修上述故障时,应先更换逆程电容5C14。更换时要选用纸介或涤纶电容器,耐压应大于250伏。如果配不到0.015μF电容器,也可用0.022μF电容器代替,但需取下电容器5C\(_{15}\)(4700pF),以免行幅过宽。换上合适的电容器后,光栅中的垂直白线就会消失。


光栅暗淡是由于烧坏5R\(_{12}\)后,显象管⑥、⑦两脚电压不正常引起的。中压电路如图1所示,检修时先检查整流二极管 5BG4是否被击穿。如果二极管5BG\(_{4}\)正常,再检查5BG4负极对地电阻,如果电阻远小于500KΩ,不是滤波电容5C\(_{19}\)被击穿,就是聚焦电位器5W3被击穿。若是5C\(_{1}\)0被击穿,更换电容器的耐压应大于400伏。如果是5W3击穿,可根据显象管聚焦电压的需要,如图2所示用分压电阻代替,由于聚焦电压的范围较宽,也可将显象管⑦脚接聚焦电位器的引线焊下,用一根导线将显象管⑦脚与加速极⑥脚相连,直接取得聚焦电压。5R\(_{12}\)是限流电阻,电阻的功率应小于1/4瓦,否则负载大时会烧毁整流二极管等。(汪锡明)
问:有一台捷克TESLA—OLYMPIC型电视机,场输出管KU611坏了,能否用回产管代换?另外,KC147-148,KF508,BU208,SF240,SF245等管能否用国产管子代换?
答:KU611与国产管 DD01差不多,可以直接代用。KC147、KC148、KF508可用国产管3DG8B、C代用。BU208可用国产管DF104C、D或3DA581代用。SF240可用3DG56代用。SF245可用3DG80代用。(李汉军)
问:一部飞跃12D1A 型电视机,垂直幅度严重不足,调节帧幅电位器也无效,经检查,场扫描各级电压基本正常,问题出在哪里?
答:当各级电压基本正常,帧幅不足时,可利用电视台播放的测试卡,反复调节帧幅、上、下线性电位器。若调整无效,则需仔细观察:如果出现帧幅增大,线性变基的情况,这是由于帧输出管3BG\(_{5}\)的β值太小或阻流圈局部短路造成的;如果帧幅增大而线性良好(即光栅无疏密现象),往往是由于电容3C5(22μ)容量不足引起的。另外,帧偏转线圈存在短路故障时,也会造成帧幅不足,但输出管电流会明显增大,管子发热。(任兴宇)
问:自制一台飞跃12D1型电视机,刚关机时天亮点,过数十秒钟后又出现亮点,这是什么原因?
答:12D1型电视机是采用3C\(_{37}\)、2R18等元件组成的截止型消亮点电路。如果关机后马上出现亮点,应重点检查2R\(_{18}\)(2DGL)是否漏电、电容3C37是否完全失效;如果关机后要等一段时间才出现亮点,则说明3C\(_{37}\)容量变小。只要适当更换损坏了的元件,即可解决问题。(吴绪义)
问:牡丹31H8型黑白电视机的电源调整管7BG4(25D313)坏了,如一时无同型号的管子,可否用其它型号的管子代替?
答:牡丹31H3型电视机的电源调整管是采用进口的硅NPN型塑封大功率三极管2SD313,其主要特性如下:P\(_{CM}\)=30W、ICM=3A、BV\(_{CBO}\)=60V、BVCEO=60V、BV\(_{EBO}\)=5V。当这个三极管损坏时,可以用D680、3DD12A~B、3DD102A~B、3DD30A、3DD15A~B、DD03A等金属壳大功率三极管代替。
用国产管代换2SD313管时,需先将原管的散热板从印制板上取下,在散热板中部依照国产管上的螺丝固定孔和引出焊脚的位置,钻四个直径为4.5毫米的孔。用螺丝将国产三极管固定在散热板上,其中一颗螺丝上要安一块焊片作为集电极焊脚,再在基极和发射极的焊脚上各套一小截塑料管绝缘,然后分别焊上引线。最后将散热板装回原处,把三个电极上的三根引线分别焊在印制电路板上即可。(花维国)
问:从电视机上换下来的废显象管,废品收购部门不收,想利用它作养鱼养花的盛器,又怕显象管爆炸伤人,怎样处置才好?
答:显象管是高真空器件,处理不当会爆炸伤人,但只要处理方法得当,是可以避免的。处理时,先用钳子将显象管尾部抽气处的封口夹碎或敲断,空气就从尾部小孔进入显象管中,此时可听到吱吱的进气声。空气进入显象管后,再加工就不会爆炸,可放心地加工成所需要的形状,然后再把荧光粉清洗干净即可。(顾波)
问:我的一台进口盒式录音机,扬声器阻抗为3.2欧,每声道功率为7W。现外接音箱,每个音箱内喇叭阻抗为8欧15W,这样接法对机器会不会造成损害?
答:用8欧15W外接音箱代替3.2欧7W机内扬声器,不会损伤机器,由于外接扬声器阻抗比原扬声器阻抗大,使功率放大器负载减轻,对机器反有好处,但输出功率会减小一倍多,听起来音量会明显减小。(李锦元)
问:一部“melody”小型盒式录音机,放音时当音量接近最大时,机器发出难听的尖叫声,是什么原因?如何解决?
答:音量电位器调到最大出现尖叫声,一般有下述两种原因:1.机器内部元器件或结构件有松动,造成音频机震。这需检查有无松动的元器件或结构件,将其固定紧,如无效则可能是机箱产生共鸣,属机箱设计不合理,音量不能开到最大。2.可能是低频自激,这种毛病可加大负反馈电阻抑制自激,或在低频放大器输入端至地加一个100pF至数千微微法的电容,自激即可消除。(李锦元)
问:最近买了台万用表,但不知收音机各级静态工作电流如何测量?
答:第一种方法是测量管子发射极电阻上的直流电压,例如有一电路如图,发射极电阻1K,万用表置于测量直流电压档,量得0.5V电压,则该管子静态电流I\(_{c}\)=0.5V/1K,Ic=0.5mA。这种测量办法最常用,最简单。但有些电路发射极直接接地,或电阻阻值很小,电压量程太大,量不准确,可采用第二种方法,将管子集电极断开,然后万用表置于测量直流电流档,将两根表棒串入断开处就能直接读出工作电流。(王恭行)

问:话筒线的长度为什么不能太长?
答:在使用话筒进行扩音时,如果所使用的是高阻话筒,则话筒线的长度不宜超过10米;如果是低阻话筒,话筒线可适当长一些,但也不宜超过50米。其原因如下:
1.话筒线都普遍采用金属隔离线,其芯线与屏蔽层之间存在一定大小的分布电容。话筒线越长,分布电容越大。当其容抗与扩音机的输入阻抗相比不能忽略时,音频信号中的高音频成分将会被严重旁路,使声音发闷。低阻话筒由于是与扩音机低阻抗输入端相配接,因而可允许话筒线的容抗值较小些,也就是说可允许话筒线长一些。
2.话筒线过长时,容易受到外界高频广播信号的干扰。这些窜进来的广播电台信号,在传输过程中,如果遇到非线性元件,就会受到检波作用,检波出来的电台音频信号,同样被扩音机放大,从喇叭中放出来,则形成了对话筒扩音的干扰。
3.使用输出功率较大的扩音机时,或者是话筒线距离扩音机的输出线较近时,扩音机输出信号产生的杂散电磁场,会在话筒线上感应出信号电压。话筒线越长,感应信号电压越大。此信号电压显然又被送回到扩音机进行放大。这种正反馈过程较严重时,将引起自激振荡,使扩音机的正常工作状态遭到破坏。(郑浩)
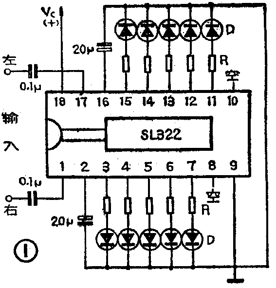
问:我购买了一块SL322发光二极管驱动器,请问这种驱动器的性能如何?怎样使用?
答:SL322是上海半导体器件十六厂的产品,该集成驱动器内部由两个相同部分组成,每个部分能独立地工作,互相不影响。用它作为立体声扩音机的音量显示时,可各用5个发光二极管来指示左右通道的输出状态。作单声道扩音机音量显示用时,可将其中两个独立的驱动器并联或串联起来使用,此时作为指示元件的发光二极管可扩展到十个。
SL322能在较宽的电源电压(6~15伏)下工作,其输出电压比电源电压低1伏。图1和图2分别给出了它在立体声和单声道扩音机中作指示用的电路,图中也标出了管脚的排列位置,可供参考。图中的限流电阻R=\(\frac{V}{_{C}}\)-(1+VD)I\(_{0}\),VC为电源电压值; V\(_{D}\)是发光二极管导通时的正向电压降,一般为1.5伏;I0是发光二极管的工作电流,可视不同发光显示二极管而异,一般为6~8毫安已足够。该集成电路的输入阻抗为20千欧,使用相当方便,直接送入交流信号就可以驱动发光二极管显示,故其输入端①或可以直接与功放输出端配接。


如果SL322与用负电源供电(电源正极接地)的扩音机配接,作为输出显示用,则只需将接扩音机的地端,而图1、图2中接地的那一端改接到扩音机负电源上去,并将所有发光二极管与电解电容的极性对调一下,也可同样使用。使用中SL322的输入端仍然接扩音机功放电路的输出端。(张国华)