LH电路是国内新开发的低速高抗干扰数字集成电路系列产品,是专为工业自动化控制以及某些抗干扰要求较高的整机设计制造的集成电路。
在机械、冶金、造纸、食品、纺织等行业的生产现场,由于干扰源较多,如各种电机的连续启、停等,使一些在实验室能正常工作的电子设备迁装到现场就经常失灵。工业噪声源所产生的干扰信号,幅度大又靠近控制器,对这些干扰信号虽可采取削弱或松弛耦合途径的办法来减小,但仍会有一部分噪声信号要迭加在正常信号上。在这种场合就需要采用这种抗干扰性能好、造价低、适用于工业自动化控制用的低速高抗干扰集成电路。
简单说来,工业生产中的干扰信号可分成电平干扰、脉冲干扰和破坏性干扰三类。LH系列集成电路的高抗干扰输入端的抗电平干扰能力大于10V,抗脉冲干扰能力任意可调,在相同的速度条件下其抗脉冲干扰能力优于其它集成电路。
LH集成电路的工作电源电压为24V±4V,能直接与其它系列集成电路如PMOS、CMOS、TTL等互联,其输出又有较强的带负载能力,能直接驱动如24V系列的各种小型直流继电器。
用LH系列集成电路作微处理机、各种工业自动控制计算机的部分输入、输出接口电路时,能有效地阻止干扰信号进入主机,使整机的抗干扰措施简便化,并提高了整机的稳定性和可靠性。
同时LH集成电路本身也具有较强的逻辑功能,可方便地组成延时、定时、整形、鉴幅、振荡、高抗干扰的单、双稳态电路、单脉冲发生器、计数器、微安级的高灵敏度开关等。采用LH电路还可以组合成一些逻辑功能不太复杂的工业自动控制机,如各种矩阵式顺序控制器等。还可以应用于长线传输中作输入、输出电路。
下面,我们仅以LH系列集成电路的一个品种LH002为例,介绍它的基本工作原理和使用方法。
工作原理
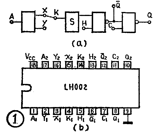
LH002全名为“双延时整形电路”,其逻辑图如图la所示,每块LH002内有两组独立的延时整形电路,共用电源和地,其外引线排列见图1b,采用双列直插式封装。主要用作延时、定时、整形、鉴幅、振荡、高灵敏度电流开关等。

每组电路都是由一级射极跟随输入、一级大回差高灵敏度的斯密特电路以及两级可扩展的门电路组成,其中H端为或扩展端,C端为与扩展端。A端为高抗干扰输入端,它的抗电平干扰能力大于12V。X端与K端间串联电阻或短接后,K端对地加接电容,使电路具有优良的抗脉冲干扰能力,当电容为0.022μF时,电路的抗脉冲干扰能力最佳。
LH002内部线路如图2所示。输入级采用射极跟随器,使当输入为低电平(小于9V)时,流向前级电路的电流通常小于10μA,因此对前级电路没有带负载能力的要求;而当输入为高电平(16V以上)时,只要从前级电路吸收几μA至几十μA的电流,电路就可以正常工作。

当A端输入16V以上高电平时,T\(_{1}\)、T2、T\(_{3}\)、T4管均导通,其中T\(_{1}\)、T3管处于放大状态,T\(_{2}\)、T4 管处于饱和状态。T\(_{5}\)管截止、T6管饱和,Q-端输出为低电平,其值小于0.8V。T\(_{7}\)、T8管截止,Q端输出高电平,其值近似为电源电压V\(_{cc}\)。
当A端输入电压小于9V时,T\(_{1}\)、T2、T\(_{3}\)、T4管均截止,T\(_{5}\)导通、T6截止,Q-端输出高电平。T\(_{7}\)、T8 管导通饱和,Q端输出低电平。
T\(_{2}\)、T3、T\(_{4}\)、T5、DW\(_{1}\)、DW2及R\(_{4}\)、R5、R\(_{6}\)组成高灵敏、大回差的施密特电路,使电路存在2~3V的回差电压。引进回差,提高了电路的静态噪声容限,又使电路的抗脉冲干扰指标得到提高。
当电路输出高电平时,输出阻抗为40KΩ左右,拉出电流小,约为500μA,对容性负载充电能力差,因此电路的高电平带负载能力比较差。当电路输出低电平时,输出管导通饱和,在保证输出低电平小于0.8V的条件下,LH002A型的输出管允许灌入6mA电流、LH002B型的输出管允许灌入16mA以上电流,因此输出级一般可以直接驱动24V系列小型直流继电器动作。
应用线路
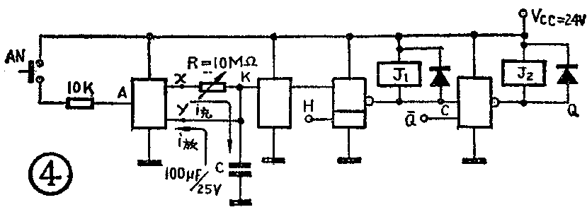
1.延时吸合线路。电路见图4,波形图见图5。按下开关AN后,集成电路第一级射极跟随器通过外接电阻R对电容C充电,充电电流为i\(_{充}\),充电途径如图4上所示。当电容电压上升到K点的开门电平时,电路逻辑状态翻转,Q-输出低电平,继电器J1吸合。同时,因Q端输出高电平继电器J\(_{2}\)断开。图5中时间t1约为外加电阻R与电容C的乘积。放开AN后,电容C主要经Y端放电,放电电流i\(_{放}\)的放电途径如图4中所示。经时间t2后,电容上电压低于K点的关门电平时,电路输出状态又恢复原态。J\(_{1}\)释放、J2吸合。外接R、C按图示数值时,t\(_{1}\)可控制在几秒至几十分钟的范围内。若要保证每次延时t1有良好的一致性,必须有足够的时间(>t\(_{2}\))让电容充分放电,然后再进行第二次充电。这种延时线路抗干扰性能好,延时时间在较大范围内连续可调,其输出还可直接带动继电器等动作。


2.延时释放线路,电路见图6。当输入端A为高电平时;由于外接R\(_{H}\)和DW的作用,集成电路或扩展端H的输入也为高电平,因此输出端Q-为“0”状态、Q为“1”状态。与此同时,输入端A的高电平经二极管D对电容C充电。输入由“l”变为“0”时,电容C经R放电,当电容上电压低于K端关门电平时,电路输出状态发生变化,Q=“0”、Q-=“1”。若外接R、C按图6所标取值,延时时间t从几毫秒至几秒连续可调。其输出波形如图7所示。


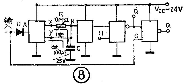
3.定时线路也即积分单稳电路(图8),输出波形见图9。当输入由“0”变为“1”时,对电容C充电,在K端电位还未升高到其开门电平的过程中,电路输出端Q-=“1”。从图8可看出,由于集成电路的与扩展端C直接与输入端短接,末级与非门的两个输入端均为“1”,因此输出端Q=“0”,定时开始。经t\(_{1}\)时间后,电容上电压达到K端开门电平,电路输出状态变成Q-=“0”、Q=“1”,定时结束。在Q端我们可以得到一个定时信号,其时间t1可以用外接R、C调整。R、C按图中所标取值时,定时时间t\(_{1}\)从几秒至几十分钟连续可调。图中时间t2为输入由“1”变为“0”时,电容C放电时间,它的存在对定时精度没有影响。


4. 振荡器。LH002按图10连接时,就组成了一个振荡器,振荡波形如图11所示,振荡输出幅度约为24V(电源电压),振荡频率与外接R、C有关。图11中,t\(_{H}\)的宽度主要由R1· C\(_{1}\)的乘积决定,tL的宽度主要由R\(_{2}\)· C1的乘积决定。这种振荡电路最适宜作各种元器件寿命试验的单元电路,例如作继电器、灯泡等的寿命试验,继电器、灯泡等负载可直接并接在电路输出端与电源之间。


用LH电路作振荡器,振荡频率一般小于1KHz。外接电容C的容量不宜太小,最好大于0.022μF。外接电阻R\(_{1}\)、R2的阻值范围没有限制,从0至几MΩ任意选取,当对振荡输出的t\(_{H}\)、tL没有要求时,也可不接R\(_{1}\)、R2,X与K短接,对地外接电容就可以了。当按下停振控制开关AN时,Q-端仍有振荡波形输出,但Q端输出为高电平,无振荡输出。
5.光电控制输入线路,见图12。线路简单,且可直接带动执行机构动作,如继电器的吸合或释放。图12中,当有光照时,光敏管的内阻很小,LH002输入A端为低电平,输出端Q=“0”。若Q端负载为继电器,则此时继电器吸合。当无光照时,光敏管内阻很高,电路A输入端为高电平,输出端Q=“1”,继电器释放。利用同样原理,还可实现其它输入控制,诸如料位、温度、压力等的控制。由于外加电容C的作用,使这种光电控制电路具有优良的抗干扰性能。

使用时的注意事项
1.电源电压极性不能接反,电源V\(_{cc}\)端若与地端接反,将会烧毁电路。
2.LH电路中所有标明H的引出端,实际上就是三极管的基极,不能直接与电源短接,一定要串接10KΩ至20KΩ的电阻后再使用。
3.LH电路的输出端不要与电源短路。
4.外加电容以增加电路的抗脉冲干扰能力时,要注意到由此而引起的电路传输延迟时间的加长。如果有用信号的持续时间比电路的延迟时间还要短,有用信号将不能正常传输到电路的输出端,此时必须减小外加电容的容量值。
5.LH电路输入、输出阻抗都比较高,在与低输入阻抗的负载连接时,要注意阻抗匹配。例如将LH电路应用于长线传输中作输入、输出电路,应在电路的输入、输出端与电源之间并接电阻R如图13所示,通常R取5KΩ左右的阻值。

LH系列品种目前生产的有九个品种。它们是LH001——二输入端四与非门;LH002——双延时整形电路;LH003——双随机逻辑门,适合与二极管矩阵连用,组成输入端任意扩展的与或非门电路,组成步进式顺控器的输入矩阵与跳选矩阵。若外接电容等,可组成抗电平干扰、抗脉冲干扰的单双稳态触发器、振荡器等;LH004——双接口电路,可与PMOS、CMOS、HTL、TTL、NMOS等不同系列电路直接互连,实现各种不同系列品种之间的输入输出接口;LH005——四输入电路,用作输入通道以排除各种干扰于通道之外;LH006——双输出电路,可以和各种不同系列的电路直接接口,其输出三极管的集电极、发射极均开路,可根据使用的需要取同相发射极输出或反相集电极输出形式,LH007——双电子转移电路;LH008——单延时电路;LH009——三T触发器。(北京邮电508厂技术科)


