问:一部飞跃牌12D3型电视机,光栅上出现梯形失真(见图),是什么故障引起?如何排除?

答:上述故障是由于场偏转的二组线圈中有一组出现局部短路,使场偏转磁场变得不均匀,一边强一边弱所造成的。此时,显象管的电子束作垂直方向扫描时就会产生梯形失真。当这组偏转线圈局部短路匝数较多时,用万用表欧姆档分别测二组线圈的直流电阻值,可发现有短路的那个线圈直流电阻值比较小;当这组偏转线圈局部短路匝数不多时,它的直流电阻值就变化很小,用洲直流电阻值的方法不易比较出来。可以采用一组一组分别换上好的偏转线圈进行试验的方法,找出故障所在,加以排除。(花维国)
问:自制一台孔雀KQ-31型12英寸电视机。图象和伴音较好,就是扫描光栅呈波浪形。调换行输出变压器及改变磁心间隙,都不能消除这种现象,如何解决?
答:当行振铃脉冲窜入了场偏转电路时,场偏转磁场就会受到行振铃的影响,使扫描线依振铃周期而弯曲,这就是电视机光栅变成波浪形的主要原因。一般,行振铃脉冲大多通过辐射窜入场扫描电路,其中场偏转线圈最易受到行辐射的影响。调换行输出变压器及改变行磁心间隙是减小振铃、削弱辐射的一种措施,作用不大时,说明场偏转线圈的磁屏蔽太差、易受行振铃脉冲干扰。磁屏蔽差的原因通常是由于偏转磁心质量差或是由于两半个滋心的接缝处没密合,只要调换良好的磁心或把两半个磁心固紧后就能排除故障。(王德沅)
问:一台莺歌B-121型电视机,在行同步脉冲来到时光栅正常,而有行同步脉冲输入时,行频就出现停振现象,测各元件均好,不知是何原因?
答:莺歌B-121型电视机的行振荡电路如图所示。如果行振荡管集电极电流偏小,当行同步脉冲来到时,鉴相器输出的控制电压E\(_{AFC}\)正好与由振荡线圈7L1通过7C\(_{b}\)反馈到振荡管基极的电压相抵消,使得振荡管7BG3集电极电流为零,没有输出电压,造成行频停振现象。此时须减小偏置电阻7R\(_{6}\)的阻值,增大反馈电压,使集电极电流在8mA左右,故障即可消除。(卢红龙)

问:有一台波兰产221A型16英寸黑白电视机,使用多年一直正常,最近开机收看十分钟左右,图象上部开始向下压缩、图象重叠、帧幅上下闪抖,关机后再开机又能正常收看几分钟。这是什么零件坏了?怎样检修?
答:上述故障是由于电视机经长时间使用后,帧扫描电子管PCL805衰老引起的,只要更换PCL805电视机即能正常工作。(汪非)
问:一台日本声宝12P-37MC黑白电视机,开机一小时左右后无图象,只有声音和光栅,各频道均如此。关机后再开机声象正常,过一会又重复上述故障,这是什么原因?如何解决?
答:此问题是由于行振荡稳定性变差造成的。通常是由于行振荡管Q\(_{6}\)01或行振荡线圈L603变质引起的。检修时,可先将行振荡线圈拆下用蜡煮一会再装上,如仍不能排除故障,则可用3DG8或3DG6代换行振荡管,故障即能排除。(李汉军)
问:一台日本三洋12-T280U\(_{1}\)黑白电视机,开机十几分钟后图象出现不稳定现象,调节频率微调,行、场同步电位器均无效,检查同步分离级无异常,故障何在?
答:从故障现象判断,一般往往怀疑故障发生在同步分离部分,其实,当直流稳压电路发生故障时,也可出现上述现象。常见故障原因是调整管Q\(_{7}\)03(2SD313)特性变差。Q703特性变差时,会使输出电压10.8V下降,纹波增大,影响同步分离和行、场电路的正常工作,所以调节行、场同步电位器时不起作用。调换一只新的调整管,即可排除故障。如果手头没有原型号调整管,可用国产管DD03A、3AD12A代用。(汪济生)
问:我们的电视差转台设在高山上,防雷问题很令人头痛。我们在天线上装了避雷针,在电源线两端加了间隙避雷装置,这样差转台在开机工作时能避雷,但在未通电工作时却不能避雷,如何解决?
答:对电源输入闸刀作点小改革,可以解决上述问题。将原来的双刀单掷闸刀改成如图所示的双刀双掷闸刀,底端双掷接地,中间接差转台,上端接电源输入即可。(刘汝泉)

问:收音机收不到电台的信号,但已调制的中频信号从天线端输入时,扬声器有声音,不知是何毛病?
答:已调制的中频信号从天线端输入时扬声器有声,用金属物碰触天线也有“喀喀”声,说明整个通道是良好的。收不到电台信号的原因,很可能是本地振荡器不振,或者本振信号没有加到变频管,所以电台信号进入变频器之后不能输出中频信号。而中频信号从天线经过变频器能直接输出到中频放大级。检查本地振荡是否振荡的办法是用万用表一边测量变频管的发射极对地直流电压,一边瞬时短路一下本振的槽路,如果短路时测量到的电压略变低了些,说明本振是振荡的。如果短路瞬间所测电压无变化,则没有振荡(注意,应在本振线圈1、3端短路(见图),不要在双连上短路,因为后一种情况垫整电容未被短路,不一定停振)。这时可进一步检查与本振有关的各元器件和线路连线是否有毛病。业余自制的收音机遇到这种情况,还应检查一下本振的反馈线圈(即联接变频管和中周的4、6两端间的线圈)是否接反,方法是将4、6两端对调一下试试。(俞锡良)

问:声宝牌GF—6060X型收录两用机上有一个BEAT CANCEL开关,起什么作用,什么情况使用?
答:BEAT CANCEL开关是差拍消除开关(也称避叫开关或超音频避叫开关)。在收录机处于内录(录制本机收音节目)状态时,由于机内的录音偏磁方式采用交流偏磁(一般在50~100KHz),当偏磁振荡器的振荡频率高次谐波与收音机所收频率接近时,就会形成差拍啸叫干扰。此时搬动BEAT CANCEL开关,机内超音频偏磁振荡器的频率就会改变,使它的高次谐波频率远离收音信号频率,就会消除差拍啸叫声。所以BEAT CANCEL只是机器在内录状态下工作,并且出现了啸叫时才需要使用。(李传钟)
问:我的收录机在交流220V供电时放音正常,电源电压低时声音变调,可否将电源变换器放在110V的位置?
答:部分地区由于用电集中造成电网电压不稳,电网波动到170~180V时,对收音机影响并不太大,只是输出功率减小了。但录音机的电机转数与供电电压直接相关、对电网的波动十分敏感,当电网电压下降到170~180V时,录音机的马达转速明显变慢,表现为放音变调。工厂生产的收录机配置电源变换插头是考虑在个别场合110V供电时使用。我国普通生活用电均是50Hz 220V单相电压,因此绝不允许将收录机的电源变换插头放在110V的位置。否则,即使电网电压下降到180V时也会将机内元器件烧毁。对于中高档收录机,设计时采用稳压的方法解决这个问题,而低档收录机机内无稳压器,当电网电压下降幅度较大时必然出现放音变调。如果个人条件允许,可选择适当电路,在机内或机外加装直流稳压器,这样,电网电压虽有波动,但直流输出还是稳定的。马达转数也就不会直接受电网电压影响了。(张志清)
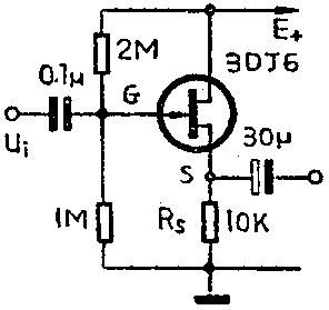
问:我有一台高传真扩音机,输入级采用场效应管制作的源极跟随器(如图),按理其输入阻抗是相当高的,但是当我用高阻抗信号源电唱机放声时,输出音量却很小,而用收、录音机为信号源时倒能获得很响的放声,这是什么原因?

答:只要所用的电唱机无故障,就可推断是场效应管的栅极G与源极S之间击穿短路所致。
当G与S极短路后,扩音机的输入阻抗仅为源极电阻R\(_{s}\)的阻值(10千欧),当以输出阻抗为500千欧的电唱机信号与其10千欧的输入阻抗并联时,电唱机信号幅度中仅有10K/(500K+10K)=1/51的幅度被送入扩音机中放声,致使输出音量很轻。
收音机检波级输出端要求负载阻抗为4.7~10千欧,当图中S、G两极短路后,即使R\(_{s}\)作为收音机检波级的负载,也能达到很好的匹配,收音头输出的大部分信号可以送入扩音机放声。从录音机五芯插孔输出信号时,信号源阻抗仅有数百欧,而如果从录音机耳塞孔输出信号,信号源阻抗则可小至十来欧姆,这两种信号源接到输入阻抗为10千欧的扩音机输入端,信号可以几乎没有损失地传到扩音机中去进行放大,所以能获得足够的音量。换上一个好的3DJ6场效应管,电唱机放声也能获得足够音量。(张国华)
问:组合音箱中要使用多只扬声器,在估算整个音箱的功率时,认为扬声器低音单元的标称功率就是整个音箱的标称功率,这样计算合理吗?应该怎样计算?
答:关于低音单元的标称功率就是整个组合音箱的标称功率的说法是不完全正确的,比如说,组合音箱是一个三分频音箱,具有低音、中音、高音三只扬声器,中、低音之间的分频点设在300~500赫,此时在中音扬声器上差不多可以分到与低音扬声器一样的电功率。况且经分析与测试证明,在民族乐器演奏中,其高音成分多于低音成分,甚至高音扬声器上也能分得一定的电功率,所以组合音箱的标称功率实际上与各个扬声器上所分布的功率有关。若以低频扬声器的标称功率再加上中、高音扬声器标称功率的一半作为组合音箱的总功率,计算方法虽然不够精确,但还是比较合理些。(张国华)