一、实验目的
1.通过实验学习声音信号与电信号相互转换的基本知识。2.了解闪灯声控报警电路原理。3.练习写实验笔记。
二、实验材料
见下表所示。

三、实验步骤
1.电声转换实验:将万用表拨到R×1档,用两支表笔分别接触扬声器(俗称喇叭)的两只焊片,如图1。我们会发现,在表笔与焊片接触或断开的瞬间,喇叭会发出“咯、咯”的声音。这个声音只是在表笔与焊片触及和分开时才有,如果两者固定接触不动,就不再有声了。此实验也可以用电池来做,电路连接如图2。电路中串联电阻R的目的是限制通过扬声器的电流不过大,以免损坏扬声器。


这个简单的实验是利用扬声器这种“换能器件”把电能转换成声音,常被用来检测扬声器的好坏。
2.声电转换实验:和上面的情况相反,通过另外的换能器体也可以把声音信号转换成电能。大家熟悉的传声器(话筒)就是这样一种器件。我们可以用扬声器来代替话筒进行某些实验。
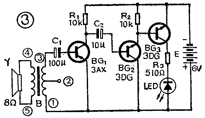
图3是一个声控电路,由话筒(用扬声器代替)、放大器和指示发光管等组成。该电路由接收到的声音的强弱来控制指示发光二极管的亮灭。用普通收音机的输出变压器B接在电路的输入端,起阻抗变换的作用,④⑤两端是原次级线圈,与扬声器相连;①③两端是原初级线圈,②端空置不用。

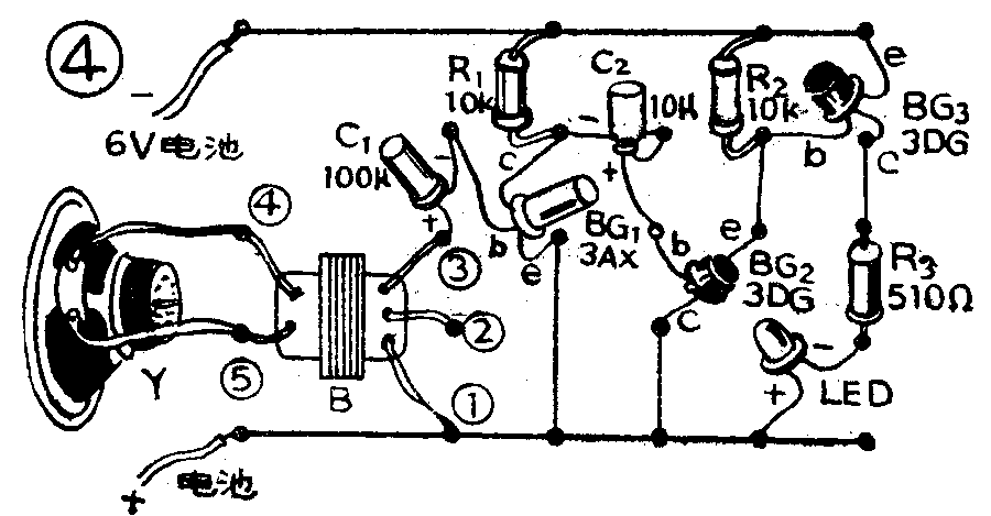
在实验板上先按照图4把线路焊好,检查无误后接通电源,发光二极管不亮。如果对着扬声器纸盆轻声咳嗽,就能看到发光二极管会随着声音的强弱而闪动发光。声音强时发光亮些,声音弱时发光较暗。实验时如果电路灵敏度较低,只有在声音很大时发光二极管才有点亮,这时可以用镊子轻敲扬声器的外壳,使纸盆有较大的振动。如果用一个上体育课的哨子做声源,实验效果也很好。注意不能直接敲打扬声器纸盆,防止因信号过强而损坏三极管。

四、实验原理
在这个实验中,扬声器是完成电声和声电转换的关键器件,它是怎样工作的呢?图5是常用的电动式扬声器的构造示意图。这种扬声器都有一个永久磁铁产生强的磁场,在磁场中放置一个轻巧的线圈,叫做音圈。音圈被粘牢在纸盆和弹性托架上。

根据物理学定律,磁场中放置的通有电流的线圈会受到磁场力的作用。我们进行电—声转换实验时,电路接通后,音圈中就有电流通过,它会受到磁场力的推动;电路断开,音圈靠托架弹力恢复原位。我们把喇叭和电池断续接通,音圈就会带动纸盆上下振动而发声。但是,当我们把电路固定地连通时,由于通过音圈的电流是恒定不变的,音圈虽然受到磁场力的推动,推力大小却不变,纸盆不会发生振动。这就是我们用电池测试扬声器时,只能“断续触碰”的原因。当然,如果我们给扬声器音圈中通过变化的音频电流,扬声器就会有规律地振动,带动纸盆发出悦耳的声音了。
声—电转换实验中,扬声器的工作情况与上述正好相反,是由声源产生的声波使喇叭纸盆产生振动,带动音圈在磁场中运动而产生感生电流。这个电流的频率和强弱随声音的频率和强弱而变化,这样就把声能变成了电能再通过三极管放大,并由发光二极管显示。声音大时,纸盆振动幅度大,产生电流也强一些,经放大使发光管变亮。反之,声音小时发光管就较暗甚至熄灭。
图3电路中,扬声器产生的信号电流经电容C\(_{1}\)耦合至BG1的基极,放大后又经C\(_{2}\)耦合给BG2。由于电容器的阻隔直流作用,两管间只有交流信号的通路。
五、做好实验笔记
到本期为止,我们已经介绍了蜂鸣器,触摸报警、磁控、光控、热控和声控六组实验,要求大家不仅要动手把实验做成功,而且要认真做好实验记录和笔记。根据各人的情况不同,笔记的内容和重点也有所不同,一般来说要包括下面几点:
1.实验日期:把每次做实验的日期记下来,日后翻阅起来可以看到自己学习的进步过程,看看一两年前的水平和今天相比有多大差距。这样有利于提高学习兴趣和检查学习效果。
2.实验课题和参考资料:课题选定后,我们必然会围绕这个题自去搜集查阅参考资料。对摘选的资料要记下来源,包括书刊名称、页数以便日后核对查找。重要的电路、数据则要转抄摘录,这是很好的资料积累方法。
3.实验电路的主要特点:对自己设计的电路,要详细记录设计思想和技巧。其它如对元件的要求、代用元件的选择或自制方法,以及重要的数据等都要详细记录。
4.实验过程:实验中经常要对原来方案或电路作进一步改动,元件数值也要调整更换。我们要把每一次改动后的实验结果都记录下来,对照我们预先的设计方案,然后经过分析找出更改的原因。
5.实验结果:记录某一实验是否成功,能不能取得预期效果。还存在什么问题。对于失败的实验如果一时找不出原因,更要把情况详细记录下来,我们常常会在别的实验中得到启发,再回头来重做此项实验,也许会取得成功。
总之,只要我们坚持写好实验笔记,不断总结,不断积累,不断提高,一定能把电子技术学到手。(陈鹏飞 王友文)