中频信号经检波之后,就可以得到收音机所需要的音频信号。如果在检波器的输出端接上耳机,就能够听到电台的播音。但是,由于检波器输出的音频信号功率很小,还不能推动扬声器放音,所以还必须利用放大电路把检波器输出的音频信号放大。通常,将放大音频信号的电路称为低频放大电路。
收音机的低频放大电路一般可以分为前级放大电路和功率放大电路两部分。前级放大电路的作用是将检波器输出的微弱信号进行放大,为功率放大电路提供足够的推动功率;功率放大电路的作用则是给扬声器提供所需要的功率。目前,晶体管收音机的低频放大电路主要有两种形式:变压器耦合低频放大电路及无变压器低频放大电路(OTL电路)。这两种形式的电路各有优缺点。下面结合超外差式收音机的具体电路,来分析常用的变压器耦合低频放大电路的工作原理。
前级放大电路
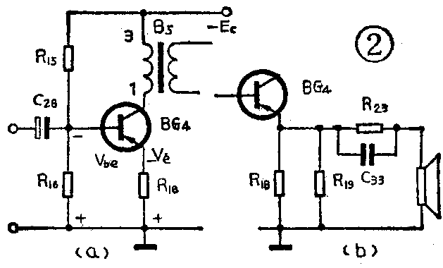
前级放大电路通常由一级或两级放大电路组成。图1为牡丹6410型超外差式收音机的低频放大电路,前级放大电路只有一级,由晶体管BG\(_{4}\)及C28、C\(_{29}\)、C30;R\(_{15}\)、R16、R\(_{18}\)、R19以及输入变压器B\(_{5}\)等元件组成。

先来分析输入回路。在BG\(_{4}\)的基极电路中,由R15、R\(_{16}\)组成分压偏置电路。R15为上偏置电阻,改变R\(_{15}\)可以改变BG4的静态集电极电流I\(_{CQ}\),即调整静态工作点。在BG4发射机电路中,因为C\(_{29}\)隔断了发射极与R19、R\(_{23}\)及扬声器这一支路的直流通路,所以发射极对地的直流电阻就是R18。因而R\(_{18}\)与R15、R\(_{16}\)配合起来就构成了一般的电流负反馈稳定工作点电路,见图2a。其原理是利用发射极电流IEQ在R\(_{18}\)上的压降形成本级电流负反馈,用来稳定静态工作点。例如,当环境温度上升时,将会引起晶体管的集电极电流ICQ增加,造成静态工作点变化。但由于R\(_{18}\)的负反馈作用,当ICQ增加,即I\(_{EQ}\)增加时,R18上的压降就要增加。而这又将导致发射结电压V\(_{be}\)下降,其结果则使ICQ的增加受到一定的限制,从而实现了工作点的稳定。

BG\(_{4}\)的基极与检波级之间为电容耦合,检波级输出的音频信号电压经电位器W、耦合电容C28加到BG\(_{4}\)的基极与发射极之间。调节电位器W就可以改变BG4输入电压的大小,因而能够起到调节音量的作用。但是,在这个电路中,BG\(_{4}\)的基极与发射极之间的音频信号电压大小,并不仅仅取决于输入信号电压大小,还与输出信号电压大小有关。在发射极电路中,对音频信号来说,C29的容抗较小,于是发射极与地之间对音频信号的等效电阻即可认为是R\(_{18}\)与R19并联:R\(_{18}\)‖R19,见图2b。当有音频信号输入时,本级的输出信号电流i\(_{C}\)就要流过R18及R\(_{19}\),形成本级电流负反馈,起稳定iC的作用。此外,扬声器两端的音频电压,还要经过R\(_{23}\)与C33的并联电路反馈到BG\(_{4}\)的发射极与地之间。这个发射极对地的音频信号电压称为反馈电压,其大小取决于R23和C\(_{33}\)的并联阻抗与R18和R\(_{19}\)并联电阻的分压。恰当地选择输入变压器或输出变压器的接法,就可以使反馈电压与原来输入音频信号电压的相位相反,构成电压串联负反馈电路。这种负反馈电路的作用主要是展宽低频放大电路的频带及改善非线性失真。
再来分析输出回路。BG\(_{4}\)的集电极负载是输入变压器B5。同时还利用B\(_{5}\)实现前级与功率放大电路之间的耦合。采用变压器耦合主要有两个好处:一是利用变压器的阻抗变换作用。通过选择合适的变比,使前级的输出阻抗与功率放大级的输入阻抗匹配,把前级的输出功率最大限度地传输给功率放大级;二是利用变压器的倒相作用。采用次级带中心抽头的输入变压器。可以很方便地得到推挽电路所需要的相位,为运用推挽功率放大电路创造了条件。
另外,在BG\(_{4}\)集电极与地之间,还并联着一个电容C30。它对音频信号中的高音频部分呈现的容抗较小,因而能够旁路一部分流入B\(_{5}\)初级的高音频电流。而它对低音频的旁路作用较小,这样就相对地提高了音频信号中的低音频部分,改善了低音频的放音效果。同时,晶体管的噪声、某些寄生振荡的频率也都是在高音频的范围之内,C30对它们所产生的“咝咝”尖叫声,也都有明显的抑制作用。
功率放大电路
在图1中,功率放大电路由晶体管BG\(_{5}\)、BG6及R\(_{2}\)0、R21、R\(_{22}\)、R24、C\(_{3l}\)、C32以及输入变压器B\(_{5}\)、输出变压器B6等元件组成。这是一个典型的变压器耦合功率放大电路。输出变压器B\(_{6}\)的作用与B5类似,在这里既是BG\(_{5}\)、BG6的负载、又是功率放大电路与负载扬声器之间的耦合元件。利用其阻抗变换作用,使功率放大电路的输出阻抗与扬声器阻抗匹配。R\(_{21}\)是两管公共的上偏置电阻,R22与热敏电阻R\(_{2}\)0并联为两管公共的下偏置电阻,R24是两管公共的发射极电阻。输入变压器B\(_{5}\)的次级线圈直流电阻较小,可以看作短路。于是BG5与BG\(_{6}\)就都可单独看作为一个普通的分压式电流负反馈稳定工作点电路。在没有输入信号的情况下,通常调整R21使两管的发射结只有较小的正向偏压,此时,每管的集电极电流约为1~3毫安。
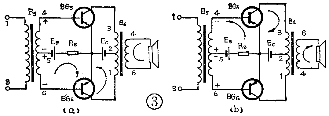
为了分析电路的工作过程,我们把图1简化为图3的形式。在图1中,跨接于电源与地之间的退耦电容C\(_{32}\)对音频信号来说容抗很小,可以看作短路,因此R21接电源端就相当于接地。这样,输入变压器B\(_{5}\)的中心抽头与地之间对音频信号的总电阻则为R20、R\(_{21}\)、R22三者并联,在图3中用R\(_{B}\)来代表,则RB=R\(_{2}\)0‖R21‖R\(_{22}\);在图1中,B5中心抽头对地的直流电压为R\(_{21}\)与R20、R\(_{22}\)并联电阻对电源的分压,在图3中用EB出代表,则E\(_{B}\)=R20‖R\(_{22}\)R21+R\(_{2}\)0‖R22EC。发射极电阻R\(_{24}\)很小,在图3中作为短路。

当有音频信号输入时,音频信号经BG\(_{4}\)放大后再由输入变压器B5耦合到RG\(_{5}\)、BG6的输入回路。由于B\(_{5}\)的次级圈具有中心抽头,而且上、下两部分线圈是对称的,因此对中心抽头来说,B5次级圈两端的音频信号电压大小相等,相位相反。例如,当B\(_{5}\)次级圈4、6端音频信号电压为正半周时,则4、5端及5、6端电压的极性如图3a所示。此时,对BG5来说,相当于在原来E\(_{B}\)的基础上,又串联了一个与EB极性相反的音频信号电压,这就好象电池反极性串联起来的情况一样,其结果将抵消BG\(_{5}\)发射结原来的正向电压,使BG5发射结处于反向电压下,因而BG\(_{5}\)截止,没有集电极电流流过输出变压器B6的初级圈。但是与此同时,对BG\(_{6}\)来说,则相当于在原来EB的基础上,又串联了一个与E\(_{B}\)极性相同的音频信号电压,这好象电池同极性串联起来的情况一样,其结果使BG5发射结的正向电压升高,基极电流增大,集电极电流也相应地增大。当集电极电流流过B\(_{6}\)的初级圈1、2端时,就会在初级圈上形成一个很高的音频电压。这样,音频信号的电流和电压就都得到了放大,从而起到了功率放大的作用。当输入信号电压改变了极性之后,输入变压器B5次级圈的极性也随之改变,见图3b。同理可知,此时BG\(_{5}\)发射结为反向电压而截止,BG5发射结正向电压增大,而使BG\(_{5}\)集电极电流增大。当集电极电流流过B6的2、3端时,在B\(_{6}\)的初级圈上也要形成很高的音频电压。由于B6的初级电压前后两个半波是反相的,因而在次级圈中就能够得到一个完整的音频信号,这个信号再通过扬声器转变为声音。
由上面的工作过程可以看出,BG\(_{5}\)与BG6是在输入音频信号电压的控制下轮流工作的,两管集电极电流中的音频信号电流大小相等而极性相反。这种工作状况就好象两人拉锯一样,一推一拉地配合工作,因此将这种电路叫作“推挽电路”。另外,这种功率放大电路在无输入信号时,每管的集电极电流很小,电源的消耗也很少。只是在有输入信号时,晶体管的集电极电流才随着输入信号的增大而增大,电源的消耗才随之增加。因而电源功率转换为有用功率的效率较高。通常,这种工作状态是属于甲乙类或乙类工作状态。因此又将这类功率放大电路称为甲乙类或乙类推挽功率放大电路。
几个实际问题
(1)为了保证推挽电路的对称性,关键是选择两只特性一致的晶体管。因此在装制及维修时不仅要求两管的型号相同,而且尽可能做到两管的β,I\(_{CEO}\)、发射结正向电阻等特性一致。最好能够用晶体管特性图示仪同时观察、比较两只管子的输出特性曲线,力求在较大集电极电流的情况下特性曲线一致。如果两管特性严重不对称,就会产生很大的失真,甚至造成β高的管子过热而烧毁。
(2)功率放大电路调整的任务主要是调整静态工作点。调整的方法是用一只1千欧左右的电阻串联一只10千欧左右的电位器来代替R\(_{15}\),并且在输出变压器B6中心抽头接电源的电路中串联一只电流表(或万用表电流档),在无输入信号时,调整电位器使流过电表的电流为5毫安左右。然后在音量较小的情况下,试听有无明显的失真(这种失真为“交越失真”),如果没有明显的失真,即告调整完毕;如果有明显的失真,则应调整电位器,适当增加两管的集电极电流。若超过10毫安仍不能改善失真,则应换管重新调整。
(3)注意选用合适的温度补偿电阻。本机中R\(_{2}\)0是一个热敏电阻,其型号为RRB1型。具有负温度系数,即随温度升高其电阻值减小。在偏置电路中R20与R\(_{21}\)并联作为了偏置电阻,当环境温度升高时,由于R20的阻值下降将使下偏置电阻减小,晶体管发射结正向电压降低,使集电极电流I\(_{CQ}\)下降;当环境温度降低时,由于R20的阻值上升将使下偏置电阻增大,使集电极电流I\(_{CQ}\)上升。从而补偿了集电极电流随温度变化而变化的现象,稳定了静态工作点。在选择或更换热敏电阻时,除了要挑选合适的阻值,还要注意热敏电阻的温度特性是否合适,不同型号的热敏电阻其温度系数往往有很大的差别。最好能够换上原型号的热敏电阻。并在不同的环境温度下测试功率放大电路的无信号电流,其数值随温度变化越小说明热敏电阻补偿效果越好。
(4)输入、输出变压器的选用要注意配套。输入、输出变压器都是在一定使用条件下,为配合一定的阻抗特性而设计的。因而不同型号的变压器,因为所适用的输出功率、电源电压、扬声器阻抗、晶体管特性等使用条件不同,其阻抗特性也不同。例如同样是输出阻抗为8欧的输出变压器,BA406型是配合电源电压为4.5伏、输出功率为220毫瓦的收音机使用的,当次级接8欧扬声器时,初级阻抗为120欧;而BA410型是配合电源电压为1.5伏、输出功率为150毫瓦的收音机使用的。当次级接8欧扬声器时,初级阻抗则为22欧。显然,如果这两种输出变压器互相代用,将会造成输出功率降低和严重失真,甚至可能烧毁晶体管。因此,在选用输入、输出变压器时,要注意说明书或电路图上所给出的使用条件,应尽可能与实际使用情况一致。
如果在更换输入或输出变压器之后发生啸叫,很可能是由于变压器的接法改变了输出电压的极性,使原来的负反馈变为正反馈。这时可拆开反馈电路的电阻R\(_{23}\)和电容C33,或用容量较大的电解电容器(50~100微法),并联在R\(_{19}\)两端,如果啸叫停止,则只需对调一下输入或输出变压器次级接线端这种啸叫就可以消除。
另外,对于成品的收音机;在输入、输出变压器一定的情况下,扬声器的阻抗也不能随意变换。例如原来采用8欧扬声器换上4欧扬声器,则会使负载电流过大,功放管超过所允许的功耗;反过来如原来采用8欧扬声器换上16欧扬声器,则会使功率放大器的动态范围变小,输出功率降低。(刘铁夫)