汽车行驶改变方向或倒车时,需要将方向灯或尾灯开启闪亮。如果装上一个汽车换向音响器,使在灯闪亮的同时发出音响信号,可以提醒驾驶人员在行驶改变方向开启方向灯后,不要忘记回复方向开关,并可增强行人的注意力,提高行车的安全。
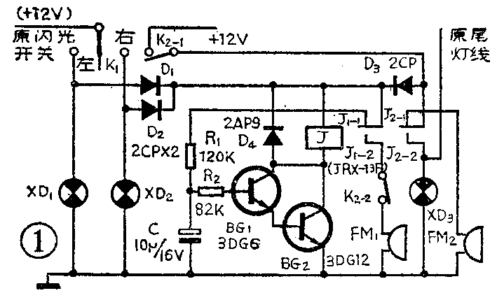
汽车方向音响器的电路见图1。K\(_{1}\)为汽车原有的方向灯开关,K2为新加的倒车开关。XD\(_{1}\)、XD2、XD\(_{3}\)为汽车的左右方向灯与尾灯(或刹车灯),D1、D\(_{2}\)、D3为隔离二极管,J为控制继电器,D\(_{4}\)为继电器的保护二极管,FM1、FM\(_{2}\)为音响器,R1、R\(_{2}\)和C以及BG1、BG\(_{2}\)组成开关延时放大器。

当汽车向左拐弯时,K\(_{1}\)打向左边,此时原车上闪光器所控左方向灯XD1闪亮,同时+12V电源经D\(_{1}\)接通电路,电流通过继电器的常闭触点J1—1经R\(_{1}\)向电容C充电,当C所充电压≥(Vbe1+V\(_{be2}\)),则BG1、BG\(_{2}\)组合管导通,继电器J吸合,其常开触点J1—2接通,音响器FM\(_{1}\)发声,而常闭触点J1—1打开,断开组合管的基极电路。由于电容C的放电,维持组合管继续导通一定时间,从而延长了音响器的发声时间。组合管截止后,J复位,J\(_{1-1}\)又接通电源,从而又重复上述过程,这就产生了方向灯闪亮和有节奏的音响信号。当汽车右拐弯时,K1打向右边,右方向灯XD\(_{2}\)闪亮,电源经D2接通电路,其工作过程与上述相同。
当倒车时,K\(_{2—1}\)合上,12伏电源经J的第二对常闭触点J2—1接通音响器FM\(_{2}\)发声,而车头音响器FM1由于K\(_{2—2}\)打开而不工作。电源同时经D3和J\(_{1—1}\)接通BG1和BG\(_{2}\)电路后,工作过程与前相同,只是J吸合时J2—1断开,音响器FM\(_{2}\)不发声,而常开触点J2—2接通,车尾灯XD\(_{3}\)亮。当电容C放电后,J复位又使音响器发声,尾灯不亮。这样交替重复上述两种状态,从而实现倒车时车尾灯有节奏地闪亮和发出音响信号。
本装置装配图见图2。音响器FM\(_{1}\)装在驾驶室内,FM2装在车尾,只要是12V电源的音响器都可以用(例如702型电磁蜂鸣器或压电陶瓷式蜂鸣器)。若要改变通断时间(闪亮与音响周期),只要对R\(_{1}\)、R2和C作适当调整即可。(邱全贵)
