(郝宗锐)图1为音箱中常见的两分频电路,在连接方法上这种电路的特点是高音频支路和低音频支路是并联的。这种电路要用两个电感器和两个电容器。我通过试验,将分频元件的接法改为图2形式,元件数值不变,收到很好的效果。图2接法的优点不仅是可省去一个电感和一个电容器,降低了成本,而且在分频元件上的功率损耗减小了。试验证明分频效果与图1一样。读者不妨试一试。


巧改音箱分频器接法
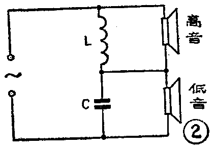
(郝宗锐)图1为音箱中常见的两分频电路,在连接方法上这种电路的特点是高音频支路和低音频支路是并联的。这种电路要用两个电感器和两个电容器。我通过试验,将分频元件的接法改为图2形式,元件数值不变,收到很好的效果。图2接法的优点不仅是可省去一个电感和一个电容器,降低了成本,而且在分频元件上的功率损耗减小了。试验证明分频效果与图1一样。读者不妨试一试。

