在业余制作OCL高传真扩音机时,不少爱好者需要自己绕制电源变压器。一般有如下两种情况:①原来的OCL电源变压器烧坏了,需要自己拆开重绕;②利用其它型号尺寸合适的废旧变压器改制。下面谈几点具体经验,供参考。
①拆卸变压器铁心:拆变压器铁心是个较困难的工作,如果原变压器已经过浸漆处理,就更不容易拆卸。建议按下述办法拆卸:将变压器铁心固定螺丝钉拆掉,然后将变压器放在120℃左右的温度下烘烤,待内部的绝缘漆软化后,马上用刀片将粘在一起的硅钢片拨开,再用螺丝刀由框架处将硅钢片慢慢撬出,尽量避免用铁锤敲打。只要能先拆出一、二片,余下的就好办了。
②确定所绕变压器初、次级绕组各绕多少圈:如果按照设计变压器的方法,通过计算来求得圈数值,过程是很复杂的。其实没有必要去进行复杂计算,只要知道该变压器每伏匝数值就可很方便地求出初、次圈数。例如,如图1所示,已知该变压器的每伏圈数值是7,初级交流电压为220伏,次级有一个交流双15伏绕组,一个6.3伏灯丝绕组,则初级线圈绕7×220=1540匝;次级双15伏线圈绕7×15×2=210匝,线圈中心应有抽头;6.3伏灯丝绕7×6.3=44匝。在业余情况下不通过计算怎样知道每伏匝数值呢?如果你原来拆卸改绕的变压器有一组6.3伏灯丝绕组,那么在拆卸时应记住这一绕组的总圈数,然后除以6.3伏,就能得出这一变压器的每伏匝数值。

变压器每伏匝数值的大小与铁心质量好坏有关。导磁率高的质量较好的铁心,每伏匝数值可取小些,可缩小变压器的体积,减少漆包线用量;相反,导磁率低、质量较次的旧铁心,每伏匝数值应取大些,此时变压器绕制的圈数增多了,应考虑原变压器铁心窗口是否能排得下所有线圈。每伏匝数值不能随意取太小,否则变压器容易发热。
③如图2所示做一个线圈骨架:骨架的具体尺寸视铁心规格而定,但硅钢片的叠厚应大于硅钢片舌宽。一般选L>1.2W,图中L为叠厚,W为舌宽。该骨架由六块层压板组成,用502胶水粘牢即可。

④正确处理好绝缘问题:绕线时,首先在骨架上紧裹一层黄蜡绸,然后绕初级线包。由于初级线包导线较细,抽头时如果直接引出导线,容易将导线弄断。因此最好找一段线径大于0.7毫米的漆包线,将两个端头用刀子刮净漆皮,然后将初级的引出线端头也刮净,并将它绕在粗漆包线的一个端头上焊牢,在焊接点处涂些绝缘漆,套上蜡管,用后面待绕线圈压住,将引出线从骨架上适当的位置引出即可。对于其它线径较细的绕组,其引出线都应如此处理,以避免绕好后引出线端折断。
绕线时,线圈层间应绝缘,绝缘层应尽量选用一些薄而绝缘强度高的材料。在业余条件下,可找一些废电解电容器,拆开后取里面的绝缘纸作绝缘层,也可以用薄牛皮纸作绝缘层。绕制时线要尽量排齐拉紧,这样做的好处是一方面可提高框架的利用率,另一方面还可防止外层绕组缠紧时将里层的绕组挤乱而引起短路。
初级线包绕好后,用黄蜡绸包紧,还要加一层屏蔽层,屏蔽层可用宽度与线包相当的尽量薄一些的金属箔(铝箔或铜箔)卷一层即可。注意金属箔头尾之间不能相碰,以免形成短路环。从屏蔽层上要焊出一根引线,套上蜡管后从框架的引出孔引出,做为接地端。然后在屏蔽层外面包一层黄蜡绸再绕次级绕组。
⑤正确选配变压器次级电压:0CL电源原理图如图3。当你的扩音板选定以后,扩音板所要求的正负直流电压值也就确定了。应该引起许多初学者注意的是,要分清电源输出正、负直流电压值和电源变压器次线绕组交流电压值的区别。图3中,V\(_{2}\)为变压器次级交流电压(有效值),V0为输出直流电压,V\(_{0}\)≈1.4V2-2,考虑到整流器件的压降,V\(_{0}\)可能还会小一些。具体对应数值可参考附表。例如,当你的扩音板是用业余品集成运放电路组装的,需要±15伏直流电源供电时,就应选用次级交流电压为双12伏的电源变压器,而不能选用次级交流电压为双15伏的变压器,否则扩音板由于供电电压太高,很容易损坏集成运放电路。

V2 双12V 双15V 双18V 双24V 双27V
±V0 ±15V ±18V ±24V ±30V
?a⑥变压器次级绕组应采用双线并绕:为了保证电源在任何时候都输出正、负对称的直流电压,变压器次级线圈应采用双线并绕法。有些文章中介绍可采用单线绕制而在中间抽头的方法,这在小功率输出,并且对扩音机音质要求不高时,是可以应付的。在大功率输出时,就绝不能再采用单线中心抽头绕法,这是因为它会引起较严重的正负电源电压不对称现象,使扩音机的失真度加大。其原因是当采用单线绕制时,正负电源所要求的两个绕组是一层一层分先后次序绕上去的,这样后绕的绕组所用漆包线的长度必然大于先绕绕组所用漆包线的长度,因而两个绕组的匝数尽管可以完全一致,但直流电阻绝对不会一样。靠外层的一个绕组直流电阻大,靠内层的一个绕组直流电阻小。当输出功率较大时,靠外层的一个绕组直流损耗大,能供出的电压减小,靠内层的绕组直流损耗小,能供出的电压较大,这样经整流滤波后,正、负电源电压就不可能对称了。功率越大越不对称。如果次级绕组采用双线并绕(方法见图4),可以使次级两个绕组用线长度完全相同,故可以消除上述弊病。

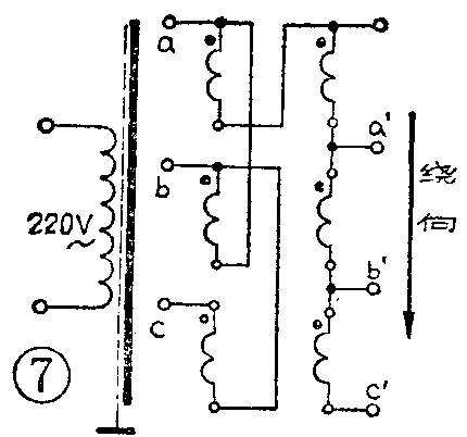
⑦次级抽头很多时如何处理?在业余制作变压器时,制作者可能都希望如图5所示在次级多设几组抽头,以适应不同扩音机电源的需要,那么如何设置抽头呢?有的人认为在采用双线并绕时,只需将并在一起的两根线的起始端焊在一起,做为O点,绕完后将另一端的两个头分开,分别去接桥式整流电路的两个输入端就行了,需知这是完全错误的。以图6为例,图中带“·”的为同名端,起始端为O点,当变压器初级接入220伏交流电压后,次级各点电位相对于O点来说,a点与a'的电位相位是相同的,幅值是相等的,因此aa'两点之间的电压V\(_{aa}\)'任何时刻都为零伏。同理Vbb'、V\(_{cc}\)'也在任何时刻都为零伏。这种变压器是毫无用处的。


正确的连接方法应如图7所示,它的特点是线圈的异名端相接。具体绕制时,可取两根线径相同的漆包线,如图4所示双线并在一起绕制。由于OCL变压器次级线包线径一般均较粗,所以可将线头处直接套上黄蜡管引出,不必要另加接粗的引出线。其中的一个头从图2框架A板上面的O孔引出,另一个头则从a孔引出。然后双线并紧沿同一方向绕制。第一次抽头时,将双线中与a端相通的绕组的线切断(绕线时应记住a引出线孔绕组所使用的线轴,如果已经忘记,则断开以后应该用万用表电阻档复核一下),并将切断后其中一个与a端相通的端头套上黄蜡管后从框架O引出线孔引出,将线头刮净后与O孔的另一根引出线焊在一起。而切断后与线轴相通的另一个头,套上黄蜡管后由b引出线孔引出。并绕双线中与O点相通的另一根线的端点即为图7中的a'引出端,引出接线时原线不必切断,只需在此处如图8所示将线对折一下,然后套上套管从a'孔引出即可。


第二次抽头时,将与b端相通的绕组的线断开,并将与b相通的端点套上黄蜡管后由a引线孔引出,将线头刮净后与a孔原来的线焊在一起。此线断开的另一端头套上蜡管后由c引线孔引出;并绕双线中的另一根线则采用a'引出孔的方法由b'引出孔引出即可。然后将c、b'引出孔的两根线并在一起,再继续沿原方向绕制。绕制完毕后,将与c端相通的端点套上蜡管后从b引出孔引出,刮净漆皮后与b孔原来的线焊在一起。而将与b'相通的一个端点套上黄蜡管后由c'引出孔引出。到此,图7变压器线包就算绕制完了。最后,应该用绝缘纸和黄蜡绸将线包裹紧。
⑧进行浸漆处理:变压器线包绕好后,可将硅钢片对插好,上好固定螺丝钉,并将各引出线焊在接线片上。浸漆前将变压器置于120℃的温度下烘烤四小时以上,以驱赶潮气,然后马上将其浸入绝缘漆中,半小时后取出,在室温下淋干一小时,然后再放在120℃温度下烘烤,直到干燥为止。(刘景如)