在城市公共场所或野外作业施工的单位,夜间都需要在施工现场的设备上安装指示灯,以保证夜间行人和车辆行驶的安全。以往常用煤油灯作为指示灯,但煤油灯的可靠性和稳定性较差。本文介绍一种晶体管制作的自控式夜间指示灯。白天自动关闭,夜间自动开启并闪光,安全可靠,其外形见题头图。
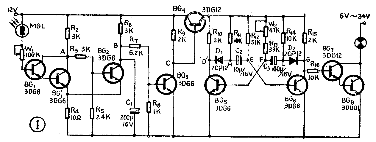
电路见图1。白天有光照时,光敏电阻MGL呈低阻值状态,晶体管BG\(_{1}\)、BG1′导通,BG\(_{2}\)截止,BG3导通,BG\(_{4}\)截止。此时,BG5、BG\(_{6}\)、BG7、BG\(_{8}\)因没有接通电源而停止工作。

夜间无光照时,光敏电阻MGL即由低阻变成高阻。BG\(_{1}\)、BG1′截止,A点电位从0.5V上升到9V,BG\(_{2}\)导通。B点电位从8.8V下降到0.5V,BG3截止。C点电位从0.5V上升到12V,BG\(_{4}\)导通,使得闪光电路获得了约12V的电源,BG5、BG\(_{6}\)组成的多谐振荡器开始工作了。多谐振荡器中的电容C2和C\(_{3}\)电容量不一样,这是因为考虑到闪光效果以及节约电源的需要而选定的。闪光次数20~25次/分。多谐振荡器的输出经R16直接驱动由BG\(_{7}\)、BG8组成的复合管,所以只要较小的电流就可以带动负载,并省去了中间继电器,使能应用在震动较大的场所。如用12伏的灯泡,可见范围约150米,施工单位可根据现场实况考虑设置灯数。
MGL为硫化镉光敏电阻,我们用的是上海钟表元件厂(原轻工电子元件厂)的产品。调整电位器W\(_{1}\),可以改变指示灯的开启、关闭时间。图2是印制板图。(冯宝鹤)
