本文介绍一种水位指示报警器,它能将水位(或其它液位)的变化情况通过电线远传并显示,可以随时监视指示高处水箱、地下水源等的水位,并具备高、低危险水位报警功能。
电路原理
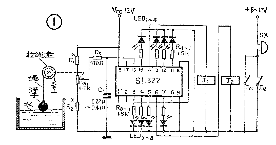
水位指示器的电路见图1所示。由图可见,水位的升降使浮子(或浮球)跟着升降,浮子的牵引绳通过拉绳盘带动电位器W\(_{1}\)的轴转动。当水位下降时,W1的旋臂向R\(_{2}\)端滑动;水位上升时则向R1端滑动。这样,W\(_{1}\)旋臂端的电位就随着水位的变化而改变。通过电阻R3,这个变化的电位加到发光二极管电平显示驱动集成电路SL322的输入端(第16脚)。假如水位由低向高逐渐上升,那末SL322的16脚电位也跟着上升,从而使发光二极管LED\(_{1}\)~LED8逐个点亮(SL322的工作原理本刊已作过介绍,这里不再复述)。如把LED\(_{1}\)~LED8单个按次序垂直排列安装,就能形象地显示出实际水位的变化了。当水位处于正常区域,即高于LED\(_{2}\)、低于LED7发光的电平位置时,SL322的14脚输出高电平、6脚输出低电平,继电器J\(_{1}\)吸合,其常闭触点J01断开,此时继电器J\(_{2}\)不动作,其常开触点J02亦断开,讯响器SX不报警。但是当水位到达低危险区时,SL322的14脚输出由高变低,J\(_{1}\)释放,讯响器SX通电发出报警声。当水位到达高危险区时,6脚电平由低变高,J2吸合,J\(_{O2}\)闭合,SX也就报警。

电路中C\(_{1}\)的作用是滤除引线中窜入的干扰信号。R4~R\(_{11}\)是LED1~LED\(_{8}\)的限流电阻。R4~R\(_{ll}\)的大小直接影响LED1~LED\(_{8}\)的发光亮度,其值一般可由下式算得:
R\(_{4~11}\)=(VCC-2.5)/I\(_{LED}\)
式中I\(_{LED}\)是发光二极管的电流。图1中取ILED=6毫安,实践表明已有足够的发光亮度。
元件选用及制作
这个指示器可指示的水位范围由拉绳盘的直径决定,与元件数值无关。拉绳盘的直径要满足以下要求:即水位从最低需指示位置升到最高需指示位置,电位器轴正好(或接近于)旋转满度。拉绳盘与电位器的安装示意图见图2。电位器可选用WX—010、WX—030、WTH—X等型的。拉绳盘可用金属或胶木自制。安装时必须注意拉簧的拉力要适中,即当水位上升时W\(_{1}\)的轴依靠拉簧拉力应能灵活地转动;而当水位下降时,浮子的重量又能克服拉簧的拉力,带动W1的轴可靠地转动。当然,W\(_{1}\)及拉绳盘的安装也可根据各自的情况改用其它合适的方法。

电路中SL322是上海半导体器件十六厂的产品。LED\(_{2}\)~LED7选用绿色或黄色发光二极管;LED\(_{1}\)和LED8则用红色发光二极管,以使危险水位的指示更加醒目。J\(_{1}\)、J2可用JRC—5M/SRM4·523·166/12V或JRX-28F/12V等型也可用JRX—13F型的,但需注意工作电流不得超过20~25毫安。SX用一般小电流低电压的讯响器,或用由两个互补晶体管组成的电子汛响器。
电路调试
用两只2KΩ到4.7KΩ的电位器暂代R\(_{1}\)、R2接入电路,将R\(_{1}\)调至最大,R2调至最小,W\(_{1}\)滑臂旋向R2端。接通电源,此时LED\(_{1~8}\)都不发光。随后缓慢增大R2,直到LED\(_{1}\)发光时停止。再将W1滑臂旋向R\(_{1}\)端,渐渐减小R1至LED\(_{1}\)~LED8都发光时停住。然后再反复调几次R\(_{1}\)、R2,直至W\(_{1}\)滑臂旋到与R2相连一端时LED\(_{1}\)发光;而旋到与R1相连一端时LED\(_{1~8}\)都点亮,并且两端尚留有占电位器全动程5%左右的余量为止。最后测出代R1、R\(_{2}\)的电位器阻值,用同阻值的固定电阻焊入电路,调试即告结束。到现场安装好W1及拉绳盘等,水位指示报警器即可正常工作了。(王德源)