问:我的飞跃牌12D4-4型12英寸黑白电视机伴音正常,图象时有时无,无图象时屏幕中间出现一条垂直亮线。这是什么原因?
答:从上述现象可知,视放前各级,高压整流电路,行、帧输出等级工作是正常的。故障是出在行输出级负载电路部分。负载电路包括行线性调节器6L\(_{3}\),S校正电容6C16及行偏转线圈等(见图)。如果6C\(_{16}\)虚焊,或是行线性调节器线圈、偏转线圈有霉烂点(接触不良),都会出现这种故障。(昕波)

问:一台天宝牌12英才黑白电视机的行推动管2SC1383坏了,这种管子的主要特性参数如何?可用那些型号的国产或国外管代换?
答:2SC1383是NPN型硅三极管,主要特性参数是:P\(_{cm}\)为750mW,BVCBO为30V,BV\(_{EBO}\)为5V,BVCEO为25V,I\(_{cm}\)为1.5A,fT为2000MHz。可以选用国产3DG130A~D(3DG12A~D)、3DK3A(C、D、E)、3DK4A~C等型号管子直接代换;另外,日本产2SC1384、2SC1406等管也可直接代换。(王德沅)
问:一台日立CRP-149型彩色电视机,最近发生故障:不论选择哪个预选位置(从第二至第八),看一段时间后即自动跳回第一预选位置,再触摸其它预选位置,过段时间又跳回第一预选位置。后来又发展到开机几分钟后电源自动断开,关机后再开,又有图象和伴音,不久又自动断开。这是什么原因?如何检修?
答:从表面上看上述故障仍乎是发生在节目预选器电路,其实故障是在电源电路中。因为,这种电视机每次开机时,第一节目预选器就开始工作,切换时,触摸哪个,那个预选器即开始工作。当电源部分的个别元件接触不良时,电源瞬间无输出,由于扫描电路的惰性,在屏幕上反映不明显,而节目预选电路反应较灵敏,断电时马上停止工作,而后通电时又使第一预选器工作。检修时只需将接触不良的元件焊好即可。有时接触不良的元件不易查找,可将电源部分的元件重新焊一遍。
个别电视机保护电路有故障产生误动作时,也会出现上述故障,维修时应注意。(李汉军)
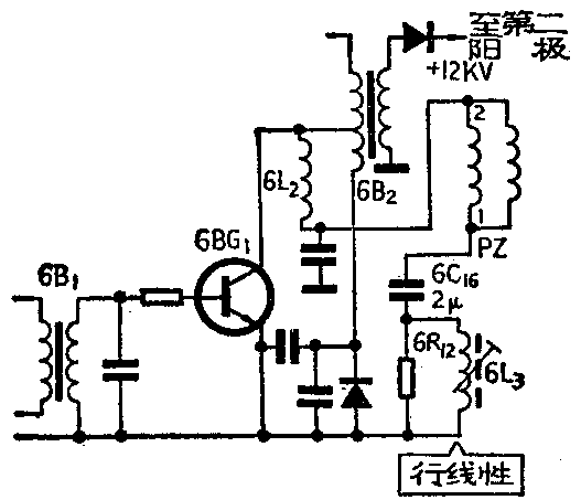
问:一台捷克开普莱427型24英寸黑白电视机,当亮度电位器旋到最大位置时,光栅反而暗,应如何检修?
答:如果显象管没有老化,那么这种故障一般是由于显象管亮度控制电路和视放电路中的电阻开路所造成的。检修时,可用万用表依次测量显象管第2、3、7脚的电压,看其与电路图上所标注的电压值是否相符。如第2脚无电压,说明电阻R\(_{8}\)07、R646、R\(_{617}\)中有开路的:若是第3脚无电压,则是R809开路;若第7脚无电压,则是R\(_{8}\)05开路。只要找出损坏的电阻,换上同规格的,故障就能排除。(朱笛)
问:隔离变压器是什么样的变压器?为什么要用隔离变压器?怎样联接隔离变压器?
答:隔离变压器如图所示,共有两个绕组,一个初级绕组,一个次级绕组。对于电源电压为220V的电视机来讲,初级插到220伏电源上时,次级引出电压也是220伏。无电源变压器的电视机,220伏电源进线有一根是与电视机的公共地线相联的,使电视机的地线成了电源的火线。检修电视机时,若不小心碰到机壳(地线)就会发生触电或电击事故。加接隔离变压器后,虽然电视机输入端电压仍为220伏,但与市电网的火线和地线没有形成通路,人碰触机壳时,好比鸟儿停在一根电线上,不会发生触电事故。但如果隔离变压器绝缘不良,由于漏电也会发生触电事故,所以,隔离变压器绕组之间、绕组与铁芯之间的绝缘必须是良好的。

隔离变压器一般没有成品出售,要根据需要加工或自制。有些从国外带进来的电视机,电源电压有100伏、120伏、200伏、240伏等多数,绕制这类机子的变压器时,次级电压应按电视机所需的电压来设计。隔离变压器的功率要根据负载功率而定,如日立牌236D型20英寸彩色电视机的功率为70瓦,波兰203型24英寸黑白电视机功率为140瓦,则所用隔离变压器的功率应分别大于70瓦和140瓦。隔离变压器的接线如图所示。(汪锡明)
问:屏幕尺寸不同的电视机中的高压整流硅堆能互相调换使用吗?为什么?
答:因为高压整流硅堆工作在高频高压条件下,其反向耐压V\(_{R}\)必须满足输出高压的需要,加之硅堆本身在工作中的温升会使反向耐压VR有所下降,所以选用的硅堆反向耐压V\(_{R}\)应高于输出电压的三分之一左右。屏幕尺寸不同的电视机要求供给的高压高低不等,一般说来屏幕越大,要求供给的高压就越高,屏幕越小的电视机,行输出变压器输出的高压就越低。例如晶体管黑白电视机中,9英寸电视机约为9千伏,12英寸电视机约为12千伏,16英寸、19英寸电视机约为15千伏,所选用硅堆的反向耐压VR则应分别为≥12千伏、≥15千伏、≥20千伏。因此,不能把耐压较低的硅堆使用在输出高压较高的电视机中,否则会使硅堆击穿损坏。在日常维修中,当无同规格的硅堆配换时,只要体积许可,可以用耐压更高的硅堆来配换。(花维国)
问:我有一台皇冠牌SCK—380B立体声收录机,喇叭只有3\(\frac{1″}{2}\),高低音均感不足,现想另接二只音箱不知用什么喇叭,怎么接?
答:皇冠牌SCK—380B收录机原机内喇叭阻抗是4Ω,输出功率是2.5W。由于这台机器输出功率较小,只有2.5W,因此选用6\(\frac{1}{2}\)″扬声器作低音喇叭,配上21;2″高音喇叭较好。喇叭阻抗最好仍是4Ω,分频可采用电容器,分频电容容量是10μ。分频频率是5000Hz。分频电容应是无极性电容,耐压应大于10V。
为什么要选用6\(\frac{1}{2}\)″而不用8″或10″扬声器呢?因为8″和10″扬声器灵敏度低,机器输出2.5W功率太小,音质反而不及61;2″。如果该机功率较大,当然使用口径大的扬声器低音要丰满得多。
外接扬声器阻抗一般最好选用与原机内阻相同的,如实在没有,只能选用比原机内阻抗高的扬声器,SCK—380B这台机器也可用8Ω阻抗的喇叭,但输出的音频功率要减小一半。必须注意,切不能用比机内扬声器阻抗小的扬声器,否则要烧坏机内功放管(或集成电路)。
分频电容如果买不到无极性电容,可用2只20μF电解电容+极与+极对接代用。耐压可小一半。(王恭行)
问:一台三洋M2429型收录机,使用两年之后,发现收音、放音均好,就是录音音量变小,近来根本录不上音了,是何道理,怎样修理?
答:这是录音机录放磁头磨损时常见的一种故障。该机的录音部分是采用直流偏磁录音的,磁头磨损后,偏磁电流离最佳工作点越来越远,录音效果就会越来越差,最后就会出现录不上音的现象。当磁头磨损不太严重时,可改变一下偏磁电阻R\(_{7}\)08(18KΩ)的阻值,重新建立偏磁电流的工作点,可在一定程度上得到改善。如果磁头磨损很励害,改变偏磁电阻就无济于事了,只好更换磁头来解决。(李传钟)
问:我的录音机是交流偏磁,直流抹音。更换录放磁头之后,发现放音效果尚可,但录音失真大,声音极小,怎样解决?
答:本刊曾介绍过直流偏磁、直流抹音的录音机,更换录放磁头后,如出现这种现象,可对调磁头的两根引线。对于交流偏磁,直流抹音的机器也存在这种问题。更换录放磁头后,如发现放音效果尚可,录音失真大、声小,也可通过对调磁头引线的办法解决,同时再调整一下偏磁电阻的阻值,找到最佳点,问题即可解决。(吴乐南)
问:我单位有一台晶体管扩音机,切放电路如附图所示,经常出现烧毁输入变压器的故障,是什么原因?应怎样避免?

答:根据所给出的功放级的电路图可以看出,如果中和电容器C\(_{1}\)或C2有一只击穿短路,或功放管BG\(_{1}\)、BG2有一只管子的基极——集电极之间击穿短路,加在功放管集电极的负电压就会通过短路的电容C\(_{1}\)或C2(或通过管子被击穿的c—b结)、再通过输入变压器次级中心抽头对地短路。输入变压器次级阻数很少,一般仅几十匝,直流电阻仅1欧左右,如果电源电压为-18伏,则此时流过输入变压器次级线圈的电流可高达18安!这样大的电流势必会将输入变压器烧坏。
避免烧坏输入变压器的办法是:中和电容C\(_{1}\)和C2的质量要好,耐压要足够;选配功放管BG\(_{1}\)、BG2时要对其参数进行筛选,I\(_{CBO}\)要小;使用时不要突然开音量,尽量减少功放管c—b结击穿的机会。(娄益嵩)
问:在对别的用户没有影响的前提下,如何将农村有线广播中优美动听的乐曲送入高传真扩音机放音?
答:由于农村有线广播线路上大多使用阻抗为8~10千欧的舌簧喇叭或压电喇叭,所以用户喇叭线上的音频信号电压,即使经过输送变压器降压,仍可高达10~30伏左右,不能直接送入高传真扩音机,必须经过如图所示的衰减器。考虑到各种扩音机的输入级允许送入的电压幅度有差异,而且有线广播信号的电压幅度也有高有低,所以衰减器中的R\(_{2}\)最好经过调试后决定,电容器C1、C\(_{2}\)可选用2μF左右的金属化纸介电容器,耐压应高于63伏。(张国华)

问:我有一个大口径纸盆低音扬声器,其纸盆不慎弄破,用什么办法修好?
答:如果裂缝不大,在业余条件下可以用较稠的胶涂在裂缝处便可粘合。此种胶用清漆较好,使用时用香蕉水调和。若纸盆裂缝较大,纸盆破损,则可找一只坏场声器的纸盆作为粘贴材料,所选用的纸盆部位最好与待修场声器的纸盆部位相同。粘补时应先刷净纸盆上的尘土,然后用毛笔涂上很稀薄的胶水,粘补完毕阴干后即可使用。忌用热源烘烤。(张国华)