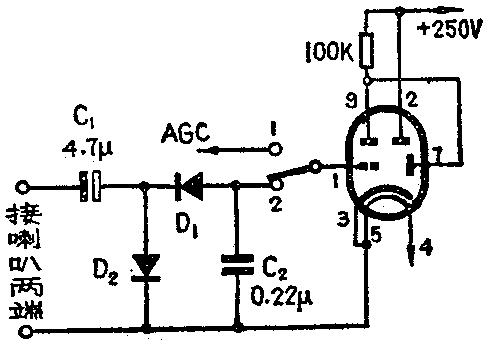
过去市场上出售的电子管收音机都没有音频电平指示器,我使用一只6E2及几个阻容元件,稍加改动,为旧电子管收音机加装了一个音频电平指示器。该装置原理可见附图。音频输入信号取自喇叭两端,音频信号经C\(_{1}\),D1、D\(_{2}\)组成的倍压整流器整流后变为直流,再经C2滤去音频成分送入6E2的栅极,控制6E2荧光屏开启与闭合,喇叭两端电压越高,荧光屏亮带张开越大,喇叭两端电压越低,荧光屏亮带张开越小。亮带的宽窄随音频电压的大小而变化。

电容C\(_{1}\)可在4.7μF~20μF之间选择;C2可在0.047μF~0.47μF之间选择,C\(_{2}\)的大小与光带宽窄反映速度有关。D1、D\(_{2}\)可选用任何2CP、2CK等型号二极管。开关K用来控制6E2的栅极,需要6E2作调谐指示时把开关打到(1)处,需要6E2作音频输出电平显示时可将开关K打到(2)。(朱纪文)