编者按:近来收到读者大量来信,反映康艺8080(8080—2S)便携立体声收录两用机质量问题。为满足用户要求,本刊请叶镇芳、马名伟同志介绍一下该机的常见故障及检修方法。由于篇幅所限,不能将该机所有技术资料公开发表,这里只提供整机电原理图,集成电路内部方框图和必要的数据,供读者检修机器时参考。
康艺8080(8080-2S)便携立体声收录两用机社会拥有量较大。该机虽然价格较便宜,但可靠性差,由于说明书不附电原理图、印板图及其他技术资料,给维修工作带来困难。康艺8080的收音部分有长波、中波、短波、调频四个波段;康艺8080-2S有中波、短1、短2、调频四个波段,其余部分大致相同。本文仅以8080-2S为例介绍该机的常见故障,供读者参考。
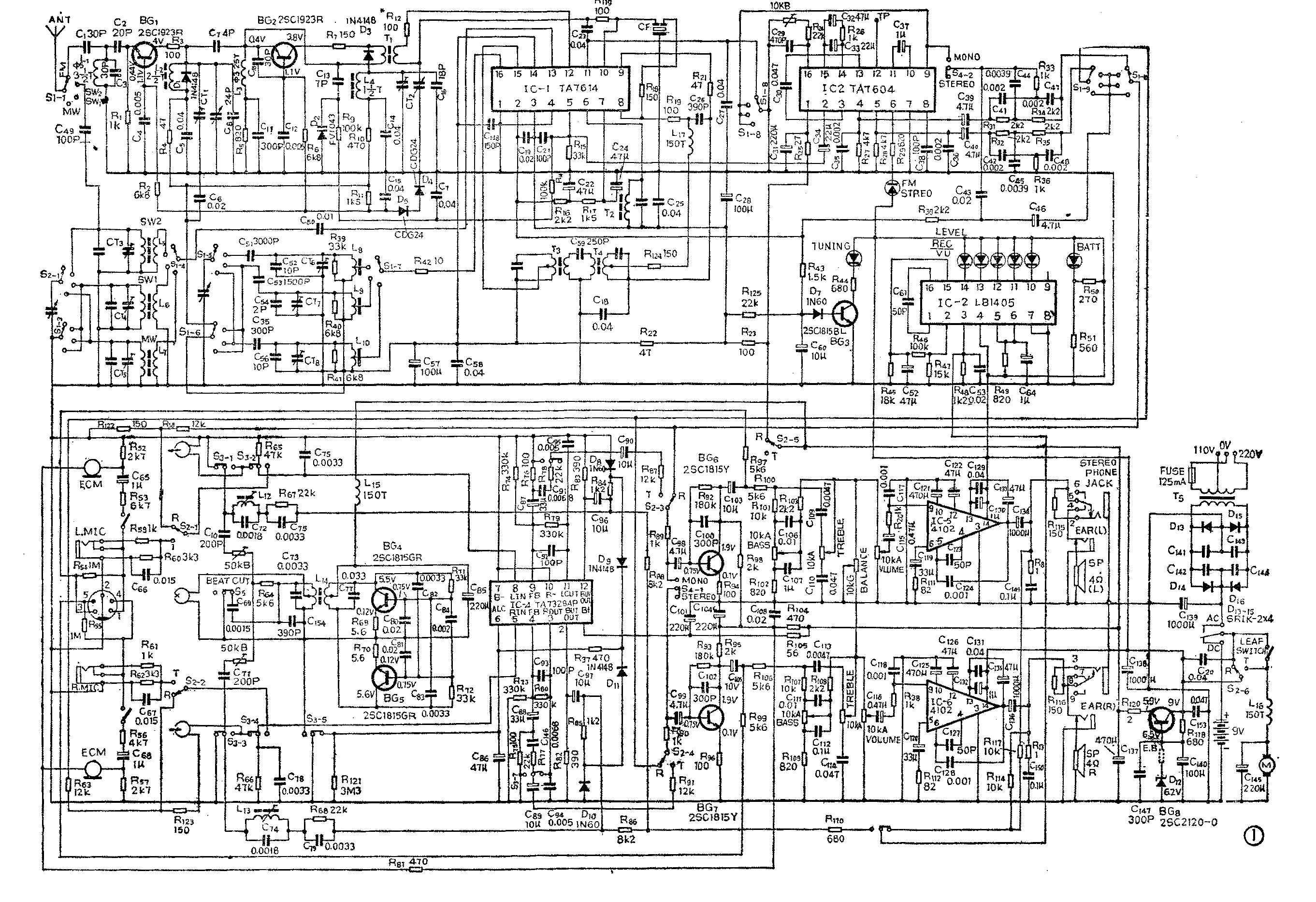
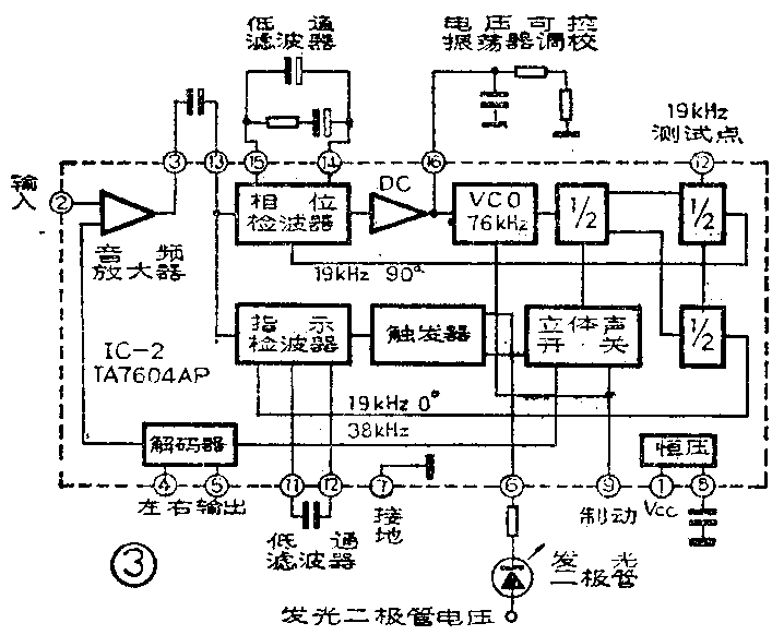
图1是8080-2S的整机电原理图。由图可见,全机由6块集成电路组成。TA7614包括调幅部分的本地振荡、混频、中放、检波、自动增益控制各级;也包括调频部分的1中放、2中放、鉴频器及自动频率微调各级。TA7604构成锁相环立体声解码器。LB1405是发光二极管电平显示器的驱动电路。TA7328AP(或TA7658P)是前置均衡放大集成电路。LA4102是音频功率放大集成电路。图2~7是这几种集成电路的内部方框图或内部电路图。







收音部分故障
1.调频、调幅波段均收不到信号 常见有以下几种故障:①S\(_{2}\)-5接触不良,造成收音机前级供电中断。②TA7614内部调频第二中放管损坏,使调频、调幅中频均不能通过。
2.有调幅信号无调频信号 常见故障有①S\(_{1}\)-6接触不良。②TA7614内部调频部分损坏。③TA7604解码块内部损坏,可用国产3361集成块代换,也可用μPC1197C或HA11227代换。用国产3361代换时,第8脚消自激电容应换成1KΩ可变电阻。
3.收听立体声节目的分离度差,工作不稳定。常见故障有①调频头的高放管Q\(_{l}\)和变频管Q2的基极供电稳压管D\(_{4}\)、D5损坏,可用2CP管代替。②TA7604内部76KHz压控振荡器有故障。多见16脚的10KΩ可变电阻阻值改变。③TA7614内部有故障使增益下降。可参考第3页附表测量各脚电压。

4.收调频信号时本振频率漂移,这主要是自动频率微调电路(AFC)的故障,多见R\(_{14}\)、R9、C\(_{17}\)其中之一开路或二极管D2损坏。D\(_{2}\)损坏可用2AK18~20代用。
5.能收调频信号但不能收调幅信号 在TA7614正常情况下,故障多出在S\(_{1~7}\),接触不良。
6.调幅部分某一个波段不能收音 多见波段转换开关S\(_{l}\)有接触不良之处。
7.调幅部分出现阻塞现象。这种现象主要由自动音量控制(AGC)电路引起,可检查R\(_{16}\)、R17、C\(_{22}\)、C24是否数值改变或开路。适当减小R\(_{16}\)、R17阻值,但太小了会使音调变低音量减小。
8.调谐指示发光二极管常亮或不亮 前者是由于Q\(_{3}\)击穿短路造成的。后者是由于Q3击穿内部开路所致。Q\(_{3}\)损坏可用3DG27代用,要求β>60。发光二极管衰老亮度变暗的可选用国产发光二极管代用。
9.接收立体声时噪声大,立体声指示灯时亮时暗。这种故障并不是解码集成电路TA7604的问题,而是鉴频器以前某级电路增益下降,输入到解码电路的信号幅度不够。前级电路的增益提高了,这种故障就可解决。如果普通调频接收正常,就可排除TA7614损坏的可能。如高频头的Q\(_{1}\)、Q2、D\(_{4}\)、D5均未损坏,应怀疑槽路失谐。解决的办法是:先将指针调到当地立体声广播的频率上(如上海台为100MHz),调整L\(_{4}\)磁芯或半可变电容CT2使声音最大。然后调整T\(_{1}\)使声音最大,也可调整L1使声音最大。
录/放音部分故障
1.录、放音均无声 常见故障有:①录放磁头至印刷线路板的接插件接触不良。②马达至电源的接插件接触不良。③前置放大集成电路TA7328(或TA7658)损坏时,录放音无声,但噪声却很大。④录放磁头损坏。
2.仅仅一个声道有输出 常见故障是录放音转换开关接触不良或TA7328部分损坏(这种集成电路目前国内尚无代用品)。
3.两声道音调不一致 常见故障为①某声道负反馈频响补偿网络的阻容元件(如C\(_{124}\)、C128、R\(_{94}\)、R96等)数值变化。②音调网络阻容元件数值变化或音调电位器不同步。③左、右录放磁头磨损程度不同。
4.放音时高音不足含混不清 一般有三种原因引起:①录放磁头粘有磁粉;②录放磁头方位角改变;③录放音磁头磨损严重。
5.带速变慢放音失真 该收录机马达采用电子稳速装置(直流供电电压为9伏,每分钟2400转),发现转速变慢可撕去电动机后盖的封条,调整可变电阻(5KΩ),如无反应则需检查稳速电路。
6.自动录音电子控制失去作用,主要是TA7328AP内部录音自动电平控制电路损坏引起,需更换TA7328AP。
此外,凡功放块LA4102损坏,可用国产SF4102代换;LB1405损坏可用国产SL1405代换;电子滤波器BG\(_{8}\)管损坏可用3DG12代换;BG6、BG\(_{7}\)损坏可用3DG6代换;D12损坏可用2CW1或2CW6A代换。(叶镇芳 马名伟)