电阻器简称电阻。电阻器接在电路中有限流作用;如果将几只电阻串联起来,接在电路中可以起到分压作用,如果将电阻并联在电路中,可以起到分流作用,电阻还可与其它元件组成耦合电路、去耦电路等等。总之电阻在电路中有重要作用,是半导体收音机电路中不可缺少的元件之一。
半导体收音机里只用一个固定数值的电源,而电路中则需要各种数值的电压和电流,因此,我们可利用电阻来获得所需电流和电压。对于直流电来说,电阻可以用来做负载电阻。为了灵活地控制信号的大小,还可以把电阻做成可变的,称做可变电阻。
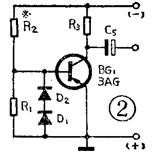
下面以四管机电路为例,分析各个电阻的作用。
1.偏流电阻:R\(_{2}\)称为上偏流电阻,R1称为下偏流电阻,它们组成分压器,为BG\(_{1}\)晶体管提供了直流偏置电路,从而使晶体管具备了放大的条件。为了便于分析直流通路,我们可以把高放级简化为图2。由图2可见,R1、R\(_{2}\)、R3、D\(_{1}\)、D2决定了晶体管BG\(_{1}\)的直流工作状态。通常把集电极电流Ic1选在1—2毫安,基极对地电位V\(_{b}\)取-0.2伏左右,集电极电位的高低要看电源电压是多少伏来定,可取-0.6伏至-4.5伏,使管子处在放大区里。在R1、R\(_{3}\)确定后,我们可以通过调整上偏流电阻R2来确定三极管的工作状态。调整R\(_{2}\)的大小应该从大逐渐变小,使得Ic1由小逐渐变大,但绝对不允许把R\(_{2}\)调得太小以至为零。否则基极电压太高,集电极电流就太大,以致烧坏晶体管。如果一时找不到合适的R2,应急的办法也可以调整R\(_{1}\)来解决。调整R1的方法应该是使数值由零逐渐变大。恰好同调整R\(_{2}\)的方法相反。由于R1两端并联了D\(_{1}\)和D2,所以调整R\(_{1}\)的作用不如调R2的效果明显。当然R\(_{1}\)、R2不仅决定BG\(_{1}\)的工作状态,而且对D1、D\(_{2}\)的直流偏压也有影响。当Vb1=-0.2伏时,有0.2伏电压加到两个串联的二极管D\(_{1}\)、D2上,每一个二极管分到0.1伏的直流偏压,这也是D\(_{1}\)、D2检波作用较好的工作状态。

如果只考虑R\(_{1}\)、R2是结晶体管提供直流偏置的,那么R\(_{1}\)、R2可以按照一定比例选择无数组的电阻值。究竟选择哪一组电阻值最好呢?R\(_{1}\)、R2如果选得太小,对音频电流的分流作用就太大了,信号就会损失太多,这是不利的。但是对工作点的稳定性则是有利的。相反如果R\(_{1}\)、R2选得太大了,分流作用虽然减小了,但是当音频电流i\(_{b}\)和通过R1、R\(_{2}\)的直流电流相差不多时,那么BG1的工作状态就会不稳定,甚至随着信号的大小而起伏变化。因此,通常要求使通过R\(_{1}\)、R2的直流电流比信号电流i\(_{b}\)大五至十倍左右。既要兼顾分流作用,又要照顾稳定性。所以随着交流信号的逐级放大,偏流电阻也就随着逐级减小。从图1中比较一下:R1、R\(_{2}\)分别为47K与100K左右;电位器W1(相当于下偏流电阻)、R\(_{4}\)分别为4.7K与几十K左右;R5、R\(_{6}\)分别为100Ω与几个KΩ。我们很容易看到偏流电阻随着信号的逐级增大而减小的规律。

2.负载电阻R\(_{3}\):R3既是BG\(_{1}\)管的直流负载电阻,又是交流负载电阻的一部分。并且它与C5还组成阻容耦合电路,把交流信号送到下一级去。作为BG\(_{1}\)的交流负载电阻,我们希望它的阻值应当尽量和BG1的输出阻抗相匹配,这样负载电阻上才能获得最大的功率。但是晶体管的输出阻抗比较高,如果负载电阻也选得很高,那么对于直流电源来说,大部分电压将会降在电阻上,晶体管的管压降就会减小而进入饱和区,使晶体管失去放大作用。因此负载电阻R\(_{3}\)不能选得太大了。当电源电压只有1.5伏时,K3只能选在1KΩ以下至几百Ω之间。
3.音量电位器W\(_{1}\):电位器W1的两个固定端(即全部4.7KΩ)与R\(_{4}\)组成BG2的偏置电路。W\(_{1}\)是下偏流电阻,同时又担负着交流信号的负载。当音量开到最大时,也就是活动臂移到与BG2基极相接的一端,送到BG\(_{2}\)发射结的信号达到最大值。当活动臂下移时,送到BG2的信号将减小,移至地端时,信号将全部短路,而无信号送到BG\(_{2}\),喇叭也无声。
4.去耦电阻R\(_{7}\):它与C6组成了去耦电路。当电容C\(_{7}\)两端有交流信号或电压发生了纹波起伏时,由于R7与C\(_{6}\)是串联的,R7与C\(_{6}\)对交流信号起到分压作用。R7的阻力显然比C\(_{6}\)大得多。C6上得到的交流电压也就小得多,它对BG\(_{1}\)、BG2各级影响也小,能起到消除后级与前级之间的耦合。我们叫它去耦作用或叫退交连作用。R\(_{7}\)越大,去耦作用越大,但太大了对直流电源损耗太大,所以一般都取100欧至200欧左右。
5、发射极电阻R\(_{8}\):电阻是BG3、BG\(_{4}\)共用的发射极电阻,它起电流负反馈的作用。能使BG3、BG\(_{4}\)的工作状态少受温度变化的影响。同时对交流信号也有改善失真的作用。通常选取5.1欧至10欧。选太大对信号损失太多。对于穿透电流较大的管子,设置发射极电阻也是十分必要的。(王昌辉)