照像馆每天要倒掉很多废定影剂,而这些废液中溶解了氯化银和溴化银,存在着很多银离子。我们应将废液中的白银提出来,支援国家建设。这里介绍一种白银回收器,供大家参考。
电路原理
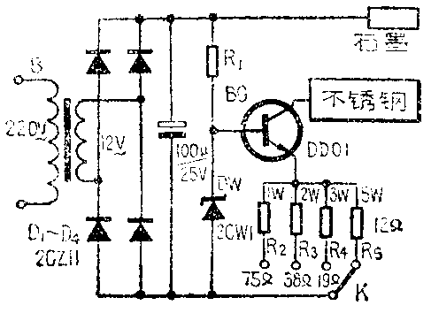
回收器电路如图所示。二极管D\(_{1}\)~D4组成桥式整流电路,三极管BG、稳压管DW接成恒流源。恒流源的正极接一个石墨电极,负极接一片不锈钢。把这两个电极插入废定影液中,定影液被电解,这时带正电的银离子就向负极(不锈钢片)移动,最后挂在不锈钢片上,将白银提出来。

不锈钢上聚积的白银的质量好坏与电流大小有关,因此,不仅要求选取的工作电流大小合适,而且还要求电流一经选定,就要维持恒定。图中,三极管的发射极接了4只电阻,由开关K进行转换,以便选取合适的工作电流。电阻越大,输出电流越小。按图示电阻数值,该电路输出电流分别约为100mA、200mA、400mA和600mA。
晶体管用DD01或3DD4,要求β>60。稳压管的稳压值约8伏左右。R\(_{2}\)~R5自己绕制。
使用
首先将两个电极相距50毫米平行地插入废定影液中(盛定影液的容器不能用金属的),开关K置于R\(_{2}\),接通电源,观看不锈钢片上银的变化情况,如果白银较纯,将K置于R3,提高电流继续观察。如果没出现异常现象,应继续加大电解电流。如果发现白银变黑,应减小电流。待选定合适的电流后,过一段时间,不锈钢片上就挂上了一层白银,这时把不锈钢片取出,将上面的白银刮下来,然后再放进去继续提取。(常光宇)