为了避免过调制失真和保护设备,无论是电台广播还是灌制唱片、录音时,往往都在音频调制放大器中加装了动态限幅器。以交响乐为例,其响度在70dB左右,但一般都压缩到50~60dB。放音时,听到的是经过压缩后的声响,临场感不够。我们通过实验,在收音机的低放电路中加装了动态扩张电路,可以部分地弥补声响损失。
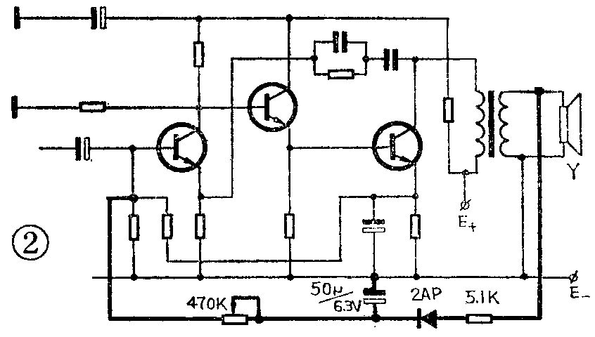
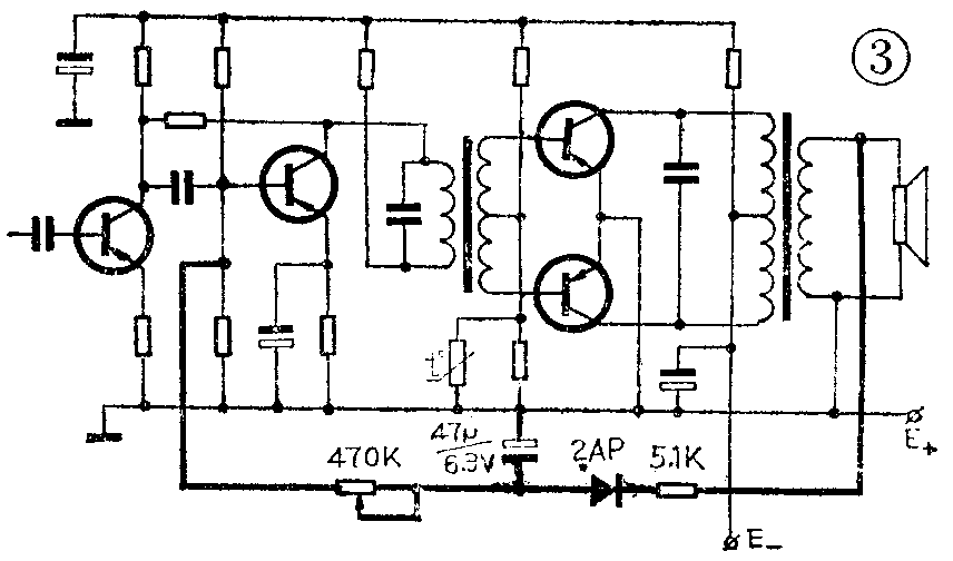
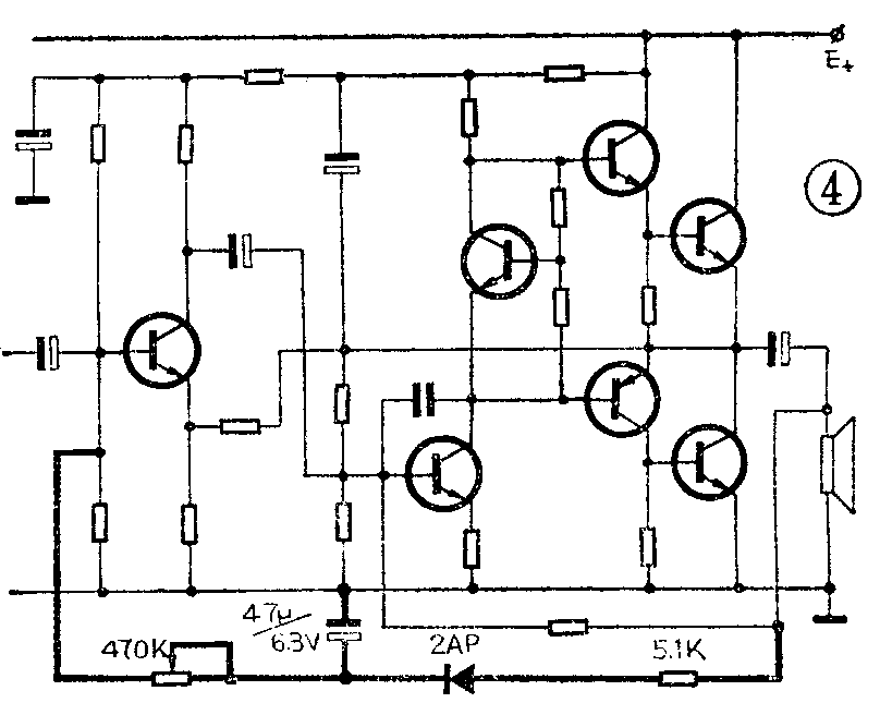
由于收音机、扩大机的低放电路各不相同,我们仅给出图1~图4四种电路,图中的黑粗线部分是新加的动态扩张电路。从图中可以看出,将低放输出的一部分音频信号引出,再经二极管D整流、RC滤波,取得直流分量加在前置低放的基极。由于这个直流分量是随信号大小而变化的,即信号大,直流分量也大,而它又是作为正向偏置加在低放管的基极,所以该管的偏置电压随信号变化而滑动,使得音强响度响时更响,增强了临场感。




由于各电路不同,音乐节目不同,所以所加电路部分的元器件数值要实验后才能定。加电位器可用于随乐曲而调节动态扩大量。由于加了动态扩大电路,原三极管的固定偏压应选得低些,以便放音时,声音轻时更轻,响时更响。(丁炳生)