前言
目前常见的电视机电源电路主要有串联式稳压电源、泵电源、开关电源三种。对同一种类型的电源来说,由于生产厂家不同、机型不同,在电路设计上、供电方式上、采用的元器件上也各有不同。由于篇幅限制,这里就不一一列举了。下面以常见的串联式稳压电源和泵电源、开关电源为例,介绍一下电源电路的检修方法及规律。
当前国内生产的晶体管黑白电视机,大多数采用串联式稳压电源,从供电电压来看,串联式稳压电源又有12伏低压供电和100伏高压供电两种。
一、串联式12伏低压电源的检修方法
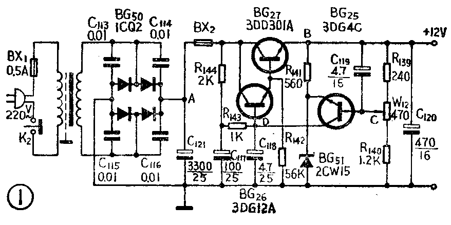
12伏低压电源的典型电路如图1所示。它分为电源变压器、整流滤波、电子稳压三个部分。这种电源的检修方法比较简单,检查顺序可以从交流电源输入端入手,用万用表分别测量电源变压器的初、次级交流电压、整流滤波输出的直流电压,电子稳压器输入、输出的直流电压。然后根据以上各点电压的变化情况,分析故障原因和部位,找出损坏的元件。也可以采用相反的顺序进行检查。这可根据检修者的习惯灵活运用。

1.开机立即烧断保险丝BX\(_{1}\)
从图1可知,一般电源部分有两个保险丝。当保险丝BX\(_{2}\)没有烧断时,故障可能是由于电源变压器内部短路、全桥堆BG50(1CQ2)的一臂或多臂击穿短路、滤波电容1C\(_{121}\)击穿等原因造成的。检查时先去掉BX1、BX\(_{2}\),将万用表置于交流档最大量程上(最好使用具有交流5A量程的电流表),串接在BX1两端。接通电源开关K\(_{2}\),如果电流指示大于0.5A,应立即关机,以免进一步损坏电源变压器。为了安全,万用表也可先不串接在BX1两端,先接通K\(_{2}\),用万用表的表笔触及BX1保险丝座的两端,当电流表指示大于0.5A时,立即将表笔离开。为了缩小故障范围,可将变压器的次级与桥式整流器之间从图2“×”处断开(即将变压器次级引线从印制板上焊下),由于变压器次级是空载,在正常情况下,初级电流极小,一般应在40毫安以下。如果大于40毫安,说明变压器有局部短路,如果为25毫安左右,说明变压器正常,再检查全桥堆。先检查全桥堆的外表,如果发现有鼓包或开裂,底板上有烧黄或烧黑现象,则多数是全桥堆损坏。再将全桥堆从电路板上焊下,从万用表R×l0KΩ档测量其输出端的正反向电阻和交流输入端之间的电阻,若不是无穷大,说明桥堆漏电。对于由四只二极管组成的桥式整流来说,其中有一只二极管的反向电阻小于无穷大,就会影响整流器的正常工作。当测得反向电阻仅在几十KΩ以下时,说明二极管严重漏电或已击穿。经过检查,如果桥堆正常时,则是滤波电容C\(_{121}\)击穿。另外当C113~C\(_{116}\)有一只击穿时,也会烧BX1,但较少见。

2.开机立即烧断保险丝BX\(_{2}\)
这种故障的检查方法如图3所示。先用万用表检查A点与地之间的输出电压,正常情况下应大于17伏。再用5A的直流电流表或万用表,在BX\(_{2}\)两端测总电流。将负表笔接在调整管BG27的C极,正表笔去碰触A点,若总电流大于1.2A说明稳压电路有故障或负载太重。为了缩小故障范围,先将负载从图3“×”处断开,再测量总电流,若总电流下降到0.6A左右,则故障大多数是由于行扫描部分引起的。反之则是稳压电路有故障。当断开行输出级后,总电流下降到0.6A左右,这时可装上BX\(_{2}\),再测稳压电路输出端B点与地之间的电压,当输出端电压高于12伏时,则是稳压电路有故障,故障原因见表1。

表1
输出电压过高 输出电压过低
BG\(_{27}\)(3DD301A)c.e极 BG27e.b极间开路
间击穿
BG\(_{26}\)(3DG12A)b.c极间 BG26e.b极间开路或击穿
击穿
BG\(_{25}\)(3DG4C)b.c极间 BG51击穿
开路
BG\(_{51}\)(2CW15)开路 BG25b.c极间击穿
W\(_{12}\)中心头开路 C118、C\(_{119}\)击穿
3.行幅小且光栅暗
这种故障大多数是由于稳压电源输出电压低于12伏造成的,也可能是行频不对或行扫描部分电流大引起的。检修时首先检查电源,先测量BX\(_{2}\)中流过的电流,如果小于1.1A,接着测量BX2保险座与地之间的电压,正常情况下大于17伏。然后再测输出端B点与地间的电压。如果测得电压为10伏左右,调节电位器W\(_{12}\),观察B点电压的变化情况。若B点电压能调到12伏,说明输出电压低是由于W12变值或接触不良造成的。如果调节W\(_{12}\)输出端电压变化不大或无变化,说明稳压电路有故障。可测量BG25、BG\(_{26}\)、BG27各极对地的电压。这三只晶体管各极电压有下列规律:对于NPN型硅管,U\(_{c}\)>Ub>U\(_{e}\),而且Ub>U\(_{e}\)约0.6伏左右;对于PNP型硅管,则是Ue>U\(_{b}\)>Uc,而且U\(_{e}\)>Ub约0.6伏左右;对于PNP型锗管,则是U\(_{e}\)>Ub>U\(_{c}\),而且Ue>U\(_{b}\)约0.3伏左右。如果测得电压不符合以上规律,则说明晶体管工作状态不正常。当e、b极间电压相差很小时,说明be结已被击穿;当e、b极间电压大于0.8伏时,说明e、b极间开路。
有的电视机在开机时工作正常,但工作一段时间后,行幅缩小,这时检查输出端B点电压低于开机时的电压,调节W\(_{12}\)也能调到12伏。但第二天开机,行幅又变大,图象边缘偏离到屏幕之外。测量B点电压又高于正常值。工作一段时间后,行幅又缩小了。根据我们的修理实践,产生这种故障原因,多数由于稳压二极管BG51的稳压特性不良造成。一般更换质量好的稳压二极管后,就可恢复正常。
4.光栅出现周期性扭曲。
这类故障大致可分为二种情况:一是光栅幅度小且光暗,并出现周期性扭曲。如图4所示。对于这种故障则应检查整流滤波后A点电压,若低于17伏,多数是滤波电容器C\(_{121}\)容量变小或失效造成的。也可能是全桥堆漏电或整流器中某个二极管开路。此外,交流电源电压大低(低于180伏)也会引起这种故障、但这不属于电视机本身的故障;二是光栅幅度基本正常而出现周期性的扭曲。这种故障,当测得A点电压大于17伏时,故障原因主要是电源调整管BG27的饱和压降变大、β值变小(或者说电流内阻大)引起的。处理方法换用饱和压降小、β值大的调整管。

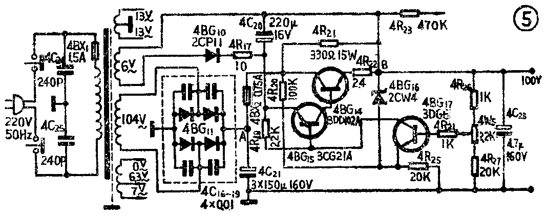
二、串联式100伏高压电源的检修方法
国内采用100伏高压电源供电的电视机有飞跃牌19D1型、北京牌840型、牡丹牌47H型等。其稳压电路基本相同。现以飞跃牌19D1型电视机的电源电路为例(见图5)。该电路与图1所示的低压稳压电源相比,有二点不同:一是没有辅助电源,在电源变压器中,有一组6.3伏的绕组,经4BG\(_{1}\)0整流和4R17、4C\(_{2}\)0滤波后,得到约5伏的直流电压,跨接在+100伏的输出端与4BG15发射板上。4BG\(_{15}\)的集电极通过调整管4BG14的be结。接至+100伏的输出端。这样4BG\(_{15}\)发射极电压比集电极电压高5伏左右。因此,仍可用低反压晶体管;二是调整管4BG14集电极和发射极之间并联了一只电阻4R\(_{21}\)。作用之一是开机瞬间提供取样电压通路,作用之二是电源负载短路时,作为整流电路的负载,起到了保护调整管作用。

由于4R\(_{21}\)的分流作用,当负载开路时,输出端电压就是整流后的电压,即为105V×\(\sqrt{2}\)=148V。这样取样管4BG17就会出现过饱和,使调整管失控。所以在检修时必须外接负载,根据估算,负载电阻需要400Ω、25W左右的电阻,这样大功率的电阻比较难找。实际检修中发现,当负载电流大于100mA时,输出端的电压就可稳定在100伏。在小电流状态下检修更为安全可靠。因此可选用1KΩ、10W左右的电阻作为负载电阻。若仍无这样大功率的电阻,也可用1KΩ、2W左右的电阻,但开机时间不要超过二分钟。
由于这种电源在负载电流小于100mA时,输出电压会随负载的变化而变化。所以当断开行输出级时,稳压电源的输出电压就会因负载变轻而上升到135伏左右。因此仅从输出电压的变化,很难判断是电源本身的故障,还是负载发生变化引起的故障。所以在检修这种电源时,首先应检查电源本身是否有故障,以便分清故障原因,否则会造成人为故障。具体检修步骤如下:
(1)取下4BX\(_{2}\),开机测量流过4BX2中的电流,正常值为260mA(包括行振荡、行推动、场扫描部分的电流在内)。
(2)装好4BX\(_{2}\),开机再测输出端B点与地之间的电压,若输出电压在100±5伏之间,调节取样电位器4W5,如果能调节到100伏,说明电路正常。
(3)如果测得4BX\(_{2}\)流过的电流大于或小于260mA,输出端的电压高于或低于100伏,则应断开行输出级电源(即从3R43处断开),在电源输出端B点与地之间并接一只假负载电阻,再测量4BX\(_{2}\)中流过的电流和输出端的电压,以区分故障部位。接上假负载后,如果测得的电流和电压仍不正常,说明故障在电源部分,否则在负载电路。
(4)经上述检查断定是稳压电源部分有故障时,检修稳压电源电路的方法与低压稳压电源的检修方法相同。根据我们的经验,调整管4BG\(_{14}\)损坏率较高,可用测量其正反向电阻的方法捡查4BG14是否损坏。(李福祥 汪锡明)