问:我们单位一台日立CTP-236D彩色电视机中的一个整流二极管(D\(_{9}\)01)击穿损坏,型号是GM-3C。能否用国产2CZ13F管代换?
答:GM-3C的主要特性参数是:最高反向峰值电压1000伏;额定整流电流2.5安;额定整流电流下的正向压降约1.2伏。根据CTP-236D机的实际情况,可以选用最高反向峰值电压为700~1000伏以上、额定整流电流大于1.5安(这样可不用散热片)的国产管代换,如2CZ37~39、2CZ57~59、2CZ12G~J、2CZ13G~J、2DZ2A~D、2CZ56J~K等。也可用玻璃钝化二极管2CZ321~K或2CZ31J~K直接代换,这样体积较小。但由于2CZ13F管的最高反向峰值电压仅为500伏,因此代换后极易发生击穿故障。(王德沅)
问:有一台匈牙利24英寸黑白电视机最近常出现按下电源按钮时喇叭有声,立刻就声、光全无,有时断续发出几声声响后又能正常工作,但第二天一开机,又是声、光全无。我们检查了保险丝和开关都无问题,是什么原因?
答:上述故障是匈牙利TA5301、TA3301型电视机的常见故障,通常是由于电源启动电路中C\(_{6}\)06(2.2μ)容量变小,使T601触发电压不足,不能建立起自激振荡造成的。有时行振荡电容C\(_{4}\)04变质,使行停振也会造成上述故障。检修时先将C404换一只质量较高的电容以缩小故障范围。如仍不能起振,可在C\(_{6}\)06上并接上一只2μ左右、400V的电容看看电视机能否正常工作,如能正常工作则更换C606即可。(李汉军)
问:一台红梅牌WHD-1型12英寸黑白电视机,原机显像管(型号31SXIB)损坏了,换用12VCLP4型显像管后,不出现光栅,经检查供电电压正常,是新换的显像管不好吗?
答:更换显像管后不出现光栅,除应检查显像管各脚电压是否正常外,还应查阅显像管特性,看看更换后的显像管与原显像管的特性与管脚功能是否一致,如不一致需对外电路作相应改动。
31SXIB与12VCLP4两种显像管的特性相同,但引出脚功能不完全相同。31SXIB第一脚是调制极,而12VCLP4第一脚是栅极,第二脚是调制极,其它各脚功能相同。所以在代换时,要将管座上接1脚的外电路改接到2脚上去。(汪非)
问:AN235、AN236、AN227是一组NTSC制彩色电视机解码器集成电路,由于缺少资料,改PAL制甚感困难,能否介绍一下它们的内部电路和改制时的信号结合点?
答:AN235(AN234)、AN236(AN237)、AN227(AN225)内电路方框图如图所示。



在改PAL制时,如果用本刊1983年第二期所介绍的解码电路板,其色度信号自AN235的①脚处取,接到解码板的⑨号端。延时行同步脉冲,自AN235的处取,接主解码板的⑦号端。电子开关用行逆程脉冲,自AN236的⑩脚处取,接至解码板的⑥号端。原机三个色差信号输出,基本上都采用交流耦合电路,把解码板的①②③号端与AN227的②④①脚处对应接合即可,直流耦合电路要使接合点的直流电位相等。上述各接合点,要求把进入原集成电路内部的联线或印制电路切断,只用其有关的外部电路。如图中所示。其它12V电源取得,色饱和度控制,都是直流电压,可酌情处理。(李福详)
问:电视机的原理图上一般都标明晶体管各极和集成块各脚的直流电压值,而当我们用万用表直流电压档测量时,经常发现测量结果与原理图上标明的数值不一样,有些数值甚至有较大的出入,不知为什么?
答:造成这种现象的原因有三个方面:一是装配电视机的各元件数值本身有一定误差;二是与使用的市电电压高低以及电视机稳压电源输出电压是否调准在规定的数值内有关;三是使用的万用表内阻各有不同,所以测得的数值就不同。另外一、二中放管,高、中放AGC管,预视放管及同步分离管等元件的电压数值还与接收信号的大小有关。因此在修理中应使用灵敏度高的20KΩ/V万用表,这样测得的数值误差就要小些。如果因测量时数值误差较大而感到没有把握判断故障时,何以用一台正常的同型号电视机进行对比测量,这样就能比较准确的知道该数值是否正常了。(花维国)
问:盒式录音机使用日久,发觉卷带轮转速变慢,但究竟慢多少,心中无数。能用简单的办法测量出卷带轮的转速吗?
答:最简单的办法莫过于比较计算法。所谓比较计算法,就是用同一盒磁带,先在一台性能较好的录音机上从头至尾放一面,记下经过的时间,接着再在被测机上依样计时,然后进行计算。例如:磁带在性能好的机器上走完一面的时间是30分钟,在被测机上走完一面的时间是33分钟,由于正常带速为4.76厘米/秒,于是可算出被测机的转速为1800秒(30分)×4.76厘米/秒1980秒(33分)≈4.33 厘米/秒。(朱笛)
问:如何用肉眼或万用表判断是录/放磁头、直流抹音磁头、交流抹音磁头?
答:抹音磁头的缝隙通常为几十微米(μm)至几百微米,用肉眼可以看见垂直于磁带行进方向的缝隙。而录/放磁头的缝隙只有1~3微米,肉眼是无法看到的。根据这一特点可以将抹音磁头和录/放磁头区别开来。
交流抹音磁头的直流电阻为几个欧姆;直流抹音磁头的直流电阻可达几百欧姆,这样悬殊的差别,可以很容易地用万用表区别开来。(录放)
问:港产CONIC-V130录放机,磁头严重磨损、录、放音量均减弱,可用什么样录放磁头代换?
答:CONIC-V130型录放机所使用的录放磁头,直流电阻为500Ω左右,1000Hz时的交流阻抗是2KΩ左右,放音灵敏度为1.2mV。可用国产高阻磁头代换,一时买不到时,也可用中阻(1000Hz时1KΩ左右)磁头代换。如感到放音音量不足,可在R\(_{12}\)/(8.2Ω)上再并联一只8.2Ω电阻,以减小反馈量,使放大器增益提高。这样音量就可以增加了。(李传钟)
问:盒式录音机上的磁带选择开关通常分为普通带、铁铬带、二氧化铬带三档,此开关位于不同档时,录音机内部电路相应有哪些变化?
答:磁带选择开关位于不同位置时,机内下述四个方面有变化:(1)抹音电流;(2)偏磁电流;(3)放音补偿电路的时间常数;(4)录音高音补偿电路的时间常数(有些机子录音高音补偿电路不变化)。当此开关由普通带→铁铬带→二氧化铬带扳动时,抹音电流和偏磁电流相应增加,而放音或录音补偿电路的时间常数相应降低。(录放)
问:我校买了一个驻极体电容话筒,当按一般话筒接法插入扩音机的传声插口时,不能扩音,这是什么原因?应该如何正确使用?
答:驻极作电容话筒内部藏有一只场效应晶体管,其结构见附图虚线方框内电路。使用时,场效应管必须与外接的阻容元件和外接电源一起构成源极跟随器,才能起到阻抗变换作用,并能将声振动转换为电信号,完成传声作用。所以单象一般话筒那样插入扩音机传声插口是不行的。正确使用办法是如附图所示连接即可。(张国华)

问:在业余条件下,怎样知道硒堆的整流电流与极性?怎样确定硒片的耐压大小?
答:在业余条件下,可根据硒片的大小来确定其整流电流值。面积为23×23mm\(^{2}\)的硒片可允许有150毫安的整流电流;面积为40×40mm2的硒片可允许通过600毫安的电流。每片硒片的耐压为18伏,无框光面的是正极,有框毛面的是负极。有些硒堆已经接成桥式电路,使用时认真区分极性正确连接即可。同整流二极管一样,硒片并联使用时可增加允许通过的整流电流。串联使用时可提高其耐压,比如一片硒片耐压18伏,两片串联起来耐压则可达到36伏。硒片有过载能力强的优点,有时击穿以后还能自愈。(张国华)
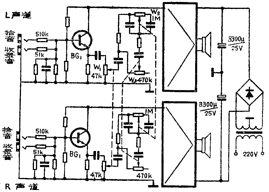
问:用两块单声道JMK-3型OCL扩音板能否组装成一台双声道立体声扩音机?
答:用两块单声道JMK-3型扩音板可以组装成一台立体声扩音机,具体接线见附图。改装后,扩音机的电源功率要足够大,变压器能供出的功率应比用单板单声道扩音时大一倍,滤波电容的容量也要用大于3300μF的,整流桥堆需用2A/50V以上的(注:可选用本刊今年第3期《邮购消息》栏中报导的50瓦OCL电源组件)。音量、高音、低音三只电位器应选用同轴双联的。使用时,从左声道(L声道)和右声道(R声道)同时输入立体声信号,输出端配置两个音箱,并将音箱放在适当位置,就能听到舒适的立体声。(张开善、王衍意、侯葆芳等)
