编辑同志:我们地区有不少读者根据本刊《邮购消息》栏提供的线索,购买了北京综合仪器厂技术服务部(注:现已改名为北京核仪器厂服务公司)生产的JMK型晶体管高传真扩音机和广东省中山县半导体一厂邮售的录放机机芯,但不知磁头输出的信号能否与扩音机输入端直接配接,如果不能直接配接怎么办?(辽宁几读者)
答:一般普及型高传真扩音机的输入灵敏度大都在100~300mV左右,而录放机机芯放音磁头输出信号的幅度仅有0.3~1mV左右,这样小的信号幅度,是远远不能满足扩音机输入端的需要的。如果直接配接,扩音机输出端喇叭中将不会有声音。另外,磁头输出信号经扩音机放大时,还应考虑频率均衡措施。
目前自行制作组合音箱的无线电爱好者比较多,因此常常遇到上述困难。为此,北京核仪器厂服务公司试制生产了一种简易磁头信号放大器,采用这种放大器时能使磁头输出信号与JMK型扩音机或其它类似的扩音机很理想的配合工作。
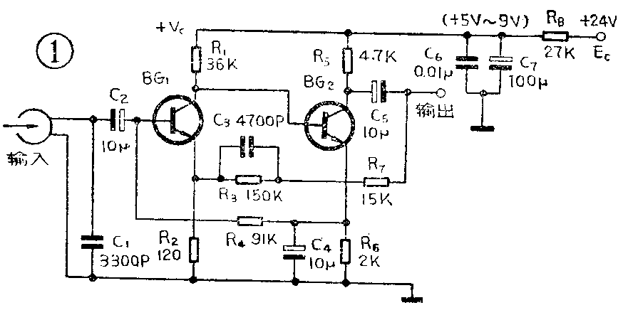
该放大器分CQF—1型(单声道用)和CQF—2型(立体声用)两种。图1为单声道CQF—1型的电原理图,BG\(_{1}\)、BG2采用直接耦合形式,可改善电路频率响应。R\(_{2}\)是BG1的负反馈电阻,可提高BG\(_{1}\)的输入阻抗。R2与R\(_{7}\)构成一个电压串联负反馈电路,R4、R\(_{6}\)构成电流并联负反馈电路,可使电路工作点稳定、频带宽。C3、R\(_{3}\)组成一个频率均衡网络,当信号频率很低时,因C3容量较小,容抗很大,可视为开路,反锁量主要由R\(_{3}\)、R7决定,此时反馈量较小,低频端得到提升;当信号频率逐渐提高时,C\(_{3}\)不能再看成开路,而呈现一定的容抗;当频率很高时,C3可视为短路,这时的反馈量仅取决于R\(_{7}\),负反馈量增大,高频得到衰减。这样就实现了对磁头信号的频率补偿作用。

本放大器的增益可达45dB,最大工作电流为0.6毫安。使用的三极管均为3DG或3DK型小功率三极管,要求I\(_{C}\)=0 .2毫安时,β≥70,NF≤2dB。
放大器的电源可从JMK—3(或JMK—1)+24伏电源端取得,通过R\(_{8}\)降压后取6伏左右的直流电压供给放大器。放大器的地端要与扩音机的地端连接在一起。如果放大器要与其它类型的扩音机相配接,当扩音机电源正端电压也是为+24伏时,可直接照上面的办法联接电源。如果扩音机电源不是+24伏,可采用更改R8阻值的办法来使放大器仍然获得6伏电源。R\(_{8}\)阻值可按下式估算:R8=\(\frac{E}{_{C}}\)-VCI\(_{C}\)。式中EC为扩音机正电源电压;V\(_{C}\)为放大器电源电压,在本文中为6伏;IC为放大器总消耗电流,本文中可取为0.6毫安。例如,当E\(_{C}\)=+18伏,R8=18-6;0.6×10\(^{-}\)3=20千欧。

