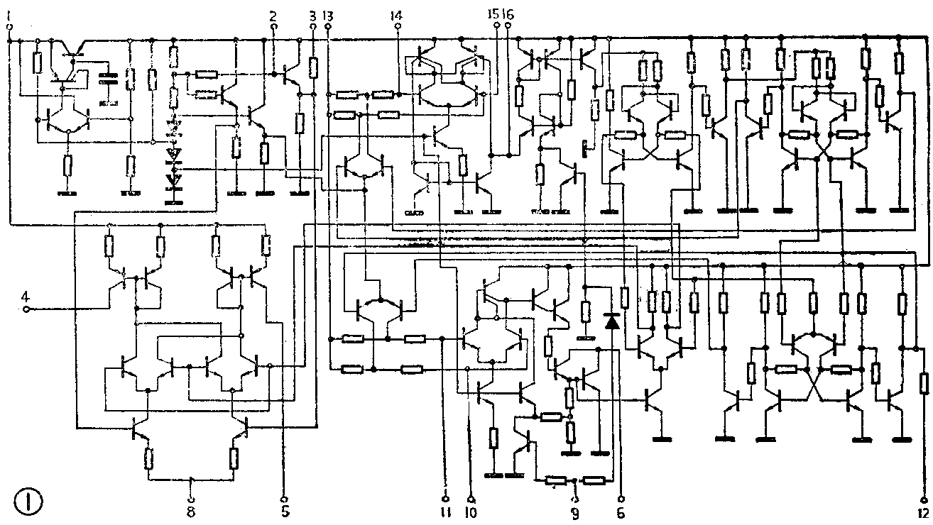
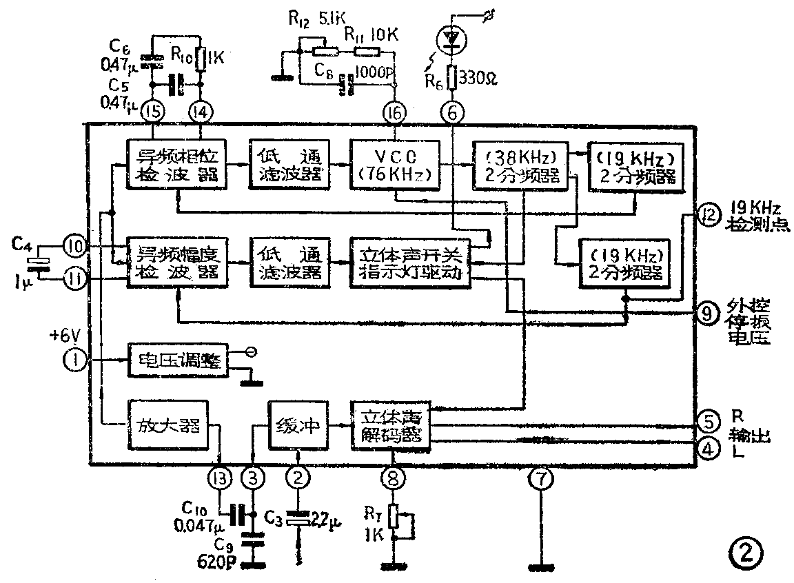
锁相环立体声解调电路是目前国际上较为流行的电路,它的突出优点是分离度指标高,外围电路简单容易调整。图1是锁相环集成电路3361的内部电路,共64只三极管,4只二极管,75只电阻。内部功能参考图2。鉴频器输出的立体声复合信号从②脚进入,经缓冲,一路送到解码器,另一路经隔直流电容C\(_{1}\)0进入放大器。放大了的复合信号又分两路,一路进入导频幅度检波器,另一路送到导频相位检波器。VCO是压控振荡器,产生稳定的76KHz信号,经二分频得到38KHz再生副载波。此38KHz信号分别送到两个二分频器,第一个19KHz信号与38KHz信号相差90°相位(叫正交19KHz信号),送到导频相位检波器,与复合信号中的导频信号比较。如果相位刚好相差90°,说明由VCO分频得来的38KHz再生副载波与复合信号中的38KHz副载波同步,检波器无输出电压。如果相差不是90°,相位检波器有一个误差电压输出,这个电压经低通滤波器加到VCO上,改变76KHz信号的相位,使得正交19KHz信号的相位与导频信号的相位差趋于90°,直到刚好为90°时,相位检波器就无误差电压输出了,从而压控振荡器保持新的稳定状态,这是一个精密的稳频锁相环路,能严格保持再生副载波与复合信号中的38KHz副载波同步。前述的第二个19KHz信号与再生副载波同相位,送到导频幅度检波器与复合信号中的导频信号比较,只有复合信号达到规定电平时,幅度检波器才能输出一个电压,经低通滤波器送到立体声开关及指示灯驱动电路,点燃立体声指示灯,并开启立体声电子开关,此开关使再生副载波得以进入立体声解码器进行解码,左、右声道信号从④、⑤端子输出。因此,鉴频器送到②脚的如果不是复合信号,或复合信号强度不够大,立体声指示灯就不亮,电路处于单声道工作状态。第⑨脚外控停振电压一般由波段转换开关控制,当收音机在调幅段工作时,给⑨脚加上一个大于2.1伏的电压,使VCO停振,以消除76KHz对调幅波段的干扰。


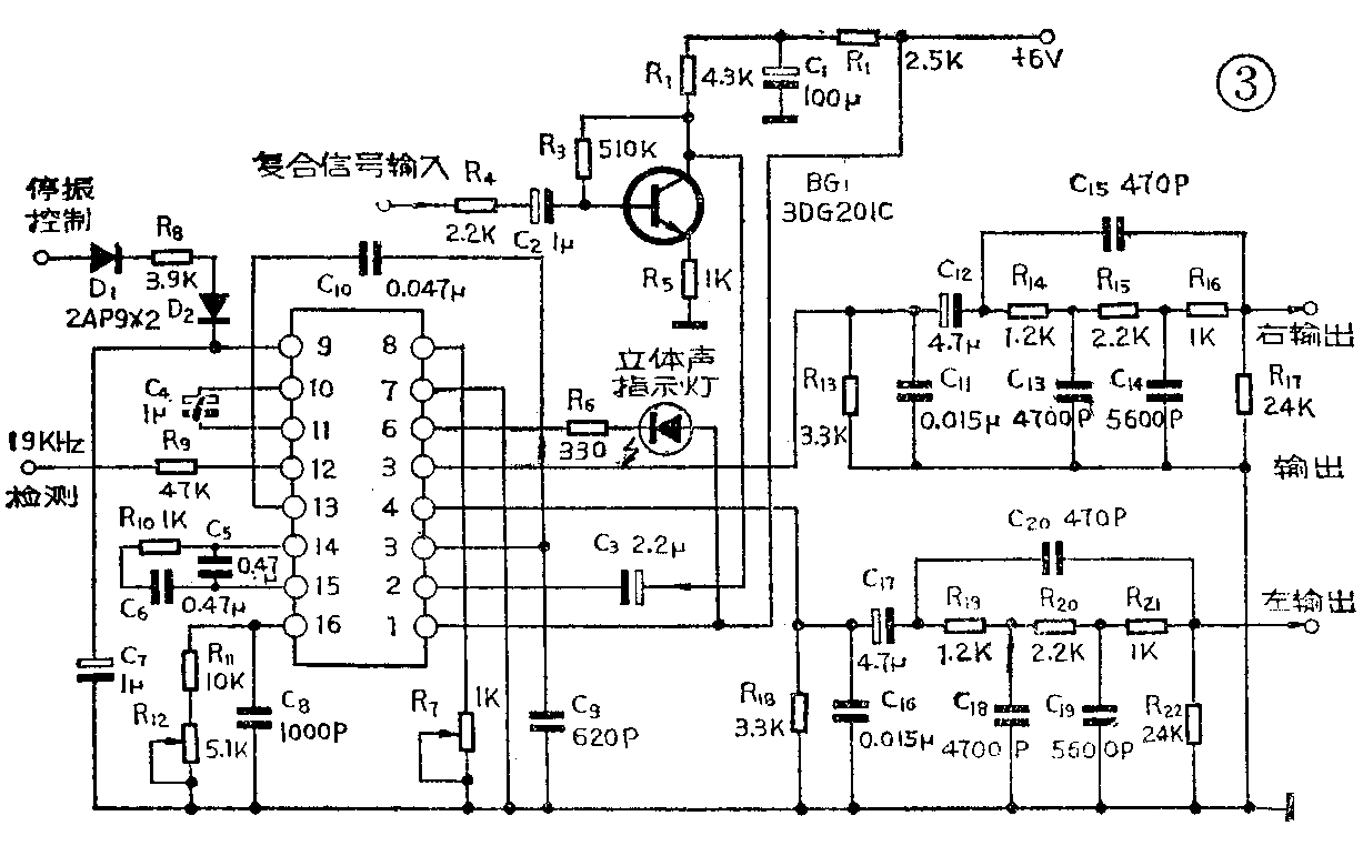
图3是一个实用电路,国产SL3361,FY3361,SF3361,5G3361等均可使用。图4是印板图,照图施工,焊接无误,即可按下述方法调整:


1.用仪表调试 首先用频率计测量脚的频率,调整R\(_{12}\)使脚频率为19KHz±100Hz。再用立体声信号发生器向②脚送一个复合信号,使主信号幅度为90%,导频信号幅度为10%,强度为100~20OmV,此时,立体声指示灯亮。④、⑤脚各接一只毫伏表,如果复合信号中只有左路调制信号,调R7会使左路毫伏表指示最大,右路最小,二者之比就是分离度。例如左路输出200毫伏,右路输出2毫伏,200:2就是40dB的分离度。
2.用电台信号调试 在电台播出立体声校正信号时,调节R\(_{12}\)使立体声指示灯亮。当播出只含左路的复合信号时,调节R7使左路输出最大,右路最小。无论用耳机或喇叭均可调得满意。
立体声解调器与整机连接时应注意以下几点1.立体声解调器的输入端应接到调频收音机的鉴频器输出端。连接前,必须找到调频收音机的去加重网络,对于图5所示鉴频器电路,应将去加重电容C\(_{3}\)去掉,对于图6电路应将C1、C\(_{2}\)改成200pF。解调器的输出端可与各种双声道放大器的输入端连接。


2.对于自制的调频收音机,中放级应有足够的带宽(≥250KHz)。通带过窄的调频机会引起“和信号”与“差信号”之间的相位差,使分离度变差。
3.图3中R\(_{13}\)、C11及R\(_{18}\)、C16分别组成右、左两路去加重网络,其数值是根据发射台预加重时间常数设计的。一般,调频发射台预加重时间常数为50μs,这里取R\(_{13}\)=R18=3.3KΩ,C\(_{11}\)=C16=0.015μF,时间常数 T=R·C=49.5μs。
4.自装的调频收音头,如果灵敏度不够高,解码器之前必须加装一级放大器,否则会严重影响分离度指标。
5.解码器后面一般总要设置超音频滤波器,这是为了滤除38KHz再生副载波而加的。例如图3中C\(_{13}\)、C14、C\(_{15}\)、R14、R\(_{15}\)、R16组成右路滤波网络,元件数值不可随意更换。否则,不是影响分离度指标,就是影响频响高端指标。图7是一种LC滤波电路,对频响高端指标影响极小,读者可以试用。(徐森)
