一、实验目的
1.练习使用万用表测量电压、电流、电阻。2.学习磁控开关的简单原理。3.练习填写实验记录,并分析记录数据。
二、实验材料
这个实验所用的材料详见下表。干簧管是本实验的主要元件,它的全称叫做“干式舌簧开关管。”干簧管内部有一组既能导磁,又能导电的簧片,用玻璃外壳封装,里面充有惰性气体。干簧管受到磁场作用时,管内的簧片被磁化,就互相吸引相碰,将电路接通。干簧管周围的磁场消失时,簧片靠自身的弹力恢复原状,将电路切断。簧片的接点可以做成常开、常闭或转换等形式,供不同需要的地方使用。

干簧管有体积小、寿命长、工作稳定等优点,在电子设备中被广泛采用。但是,干簧管簧片触点面积较小,不能承受高电压和通过大电流,所以常常与晶体管电路配合使用。
三、实验步骤
1.练习使用万用表。
万用表是电子实验中最常用的仪表。万用表可以用来测量交流电压、直流电压、直流电流和电阻等几个电量,图1画出了测量的方法。

测量直流电压时,把万用表的量程选择开关拨在直流电压档,如图la所示,将表笔并接在被测元件或电路的两端。正表笔(红)接高电位一端,负表笔(黑)接电位低的一端,不能接错,否则表针向反方向摆动。
测量电流时,要把量程选择开关拨到直流电流的位置,如图1b所示。将电路被测处断开,把万用表串联进去。要注意正表笔接A,负表笔接B,即要求电流从正表笔流入,从负表笔流出。
测量电阻时,把量程选择开关拨到Ω档,如图1C所示,先把两表笔相接通,调整“欧姆调零”旋钮,使表针指在零欧姆,然后把表笔接到被测电阻两端。注意不能在通电或焊在电路里的情况下测量元件电阻,至少要把元件一端焊开。否则别的元件并联在被测电阻上将使测量不准确。
使用万用表作任何测量都要选择合适的量程档位,根据档位认清度盘刻度,读出读数。初学者经过几次实际练习,不难掌握。
图1电路里,共有电压U、电流I和电阻R三个电量,它们之间的关系用公式表示为I=\(\frac{U}{R}\)。式中U的单位是伏特,I的单位是安培,R的单位是欧姆。这就是欧姆定律的计算式。我们知道其中的任何两个量,就能求出第三个量。这个关系可以在实际测量中验证。
2.干簧管开关实验:按图2所示连接一个电路。当小磁铁靠近干簧管时,内部簧片把电路接通,发光管被点亮,将小磁铁拿开,外加磁场消失,簧片恢复原状使电路断开,发光管熄灭。如果没有小磁铁,可以用外磁喇叭后面的磁钢来做这个实验。

我们可以用这个方法判断干簧管的好坏,如果接上电池发光管就亮;或是用磁铁靠近它发光管仍不亮,说明干簧管已经失去了开关作用,不能使用了。
3.磁控报警器实验:报警器电路如图3,在实验板上将电路焊好。干簧管引线较硬,要先用尖嘴钳夹住它根部,再弯折焊接,免得弄碎玻璃管壳。电路检查无误后,接上电池。用磁铁靠近干簧管,喇叭中就会发出“嘟——”的报警声,将磁铁远离干簧管,报警声随之停止。这就是一个简单的磁控报警器,它的工作状态受干簧管周围磁场控制。

4.测量电路中各点电压。为了测量和分析方便,通常在电路中确定一个“公共点”,并设这点的电压为零。公共点一般选电路中的“地”,用图4符号表示出来。一个复杂电路有很多接点,只需选一些关键的地方作测试点,并不需要把每一点的电压都量一遍。测试点常选电源、三极管各电极等地方。

图3电路实验成功后,我们将万用表负表笔接在电路的“地”(即电源负引线)不动,将正表笔分别测量A、B、C、D这几点的电压。测D点电压时的情况见图3。报警器工作和不工作时各测一遍,将结果记录下来。
四、磁控报警器电路原理及应用
磁控原理和上期“实验二”很相似,它由两部分组成:干簧管与BG\(_{1}\)等组成磁控开关,BG2等元件组成电子蜂鸣器。在干簧管远离磁场时,BG\(_{1}\)的基极通过R1得到正向电压,使三极管导通。由于R\(_{1}\)阻值较小,BG1管有较大基极电流,此管进入饱和,这时它的集电极电压仅0.05~0.3伏特。BG\(_{2}\)的基极电压也低,因而处于截止状态,报警电路不工作。将磁铁靠近干簧管,管内簧片接通,它把BG1的基极与地相连,使BG\(_{l}\)基极电压由0.7伏特左右降为零,三极管BG1即由饱和变为截止,不再影响BG\(_{2}\)的工作,于是蜂鸣器发出声音。由于BG2振荡电路起振后在eb结上加有交流信号,经过eb结整流后出现负电压,因此C点电压约维持在-0.1伏特左右。
在生产实际中,图3电路可以作为限位报警器使用。如图5所示,其中A点是工件运行的极限位置,我们在B点放一个干簧管开关,在工件上装一块小磁铁。当工件行至B点,干簧管受磁铁作用而动作,使报警器发声报警。也可以与其他电路配合,使工件到达B点后自动停止运行。

五、动脑筋
1、怎样用万用表检查干簧管的好坏?
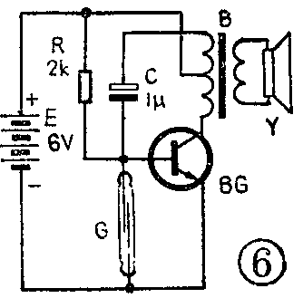
2、在实验板上搭一个电路如图6,请预先分析这个电路的工作情况,然后做实验进行验证。

3、设计一个装在橱门或房门上的“磁控开门报警器”安装方案。(陈鹏飞 王友文)