本文介绍的是用一块高增益运放电路和一只三极管组成的灵敏度较高的光电继电器。
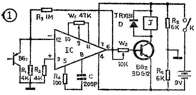
电路见图1。图中R\(_{1}\)和R2分别是运放的反相、同相输入端的输入电阻。R\(_{3}\)为反馈电阻,它的大小决定了运放级的放大倍数。W1是调零微调电阻,可用它调节灵敏度。电容C和电阻R\(_{4}\)用以相位补偿。微调电阻W2是耦合电阻也是隔离电阻,用以调整BG\(_{2}\)的工作点与灵敏度。由于一般集成运放块要用双电源供电,这里用一块9伏积层电池,在它的两端并接上电阻R5、R\(_{6}\),中点作为运放电路的地端,使运放块能正常工作。光电管接在反相输入端与地之间。

运放电路用FC52,其开环电压增益为100dB,也可以用5G24、8FC3或BG308等代替,但管脚接线要相应改变。光电管用一只玻璃外壳的3AX81,把它外面的黑漆刮去,最好露出集电结。继电器可用9伏或12伏的小型继电器,如JRX13F或DZ100系列。印制电路板见图2(1∶1),图上已留出了继电器的安装孔。

安装好以后,接电源之前先使W\(_{2}\)处于电阻最大值,在电源电路中串接一电流表。接通电源后,正常工作时,电流应为30毫安左右。无光照时,运放块的输出端“6”应为高电位,BG2管导通,继电器吸合,其触点可控制其它电路。如果继电器不吸合,可逐渐减小W\(_{2}\)。然后用光(手电筒光)照BG1的集电结,使c.e间的阻值减小,然后调W\(_{1}\),使运放块的第6脚应为负电位(对地),BG2不能维持导通状态,继电器释放。适当地调节W\(_{1}\)和W2,使灵敏度最高,即室内处于自然光(无阳光)照明时,打开或关闭窗子时,继电器均动作。根据使用情况,通过调W\(_{1}\)可得到合适的灵敏度。
我们将这个光电继电器电路板、电池一起放在市售玩具“狗熊打鼓”的鼓里,将光电管一部分露出鼓外,用手电筒在几米外照射,就能使“狗熊打鼓”,很好玩。如使用遮光筒和凸透镜聚焦,则可充分利用这电路的高灵敏度的优点,装在控制距离更远的设备中。光电继电器有很多用途,大家可自行试用。(姜立中)