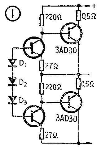
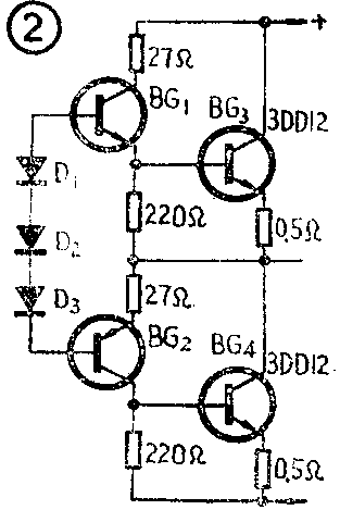
以准互补形式做输出级的OTL、OCL高传真扩音机,其末级常采用图1和图2两种电路。在选用功率管时,除了应考虑管子的功率及耐压外,还有没有其它要注意的问题呢?


让我们做个试验:如果使图1、图2两电路,在同样的负载条件下,使放大器在高音频的某个数值时输出相同的功率(例如,放大10千赫的音频信号,在8欧负载上得到5瓦不失真输出功率),用带有电流表的稳压电源供电,会发现图1比图2的耗电量大几倍!
无线电爱好者在业余制作扩音机时也常发现:使用图1电路时,如果发生高频自激振荡,功放管会很快发烫甚至烧毁。如果同样的高频自激振荡发生在图2电路,功率管也会发烫,但却不那么容易烧毁。也就是说,在发生高频自激时,图2电路不像图1电路耗电量那么大。
上述现象原因何在?原来,晶体管3DD12是一种低频硅管,其特征频率f\(_{T}\)能达到1MHz左右。在高音频区域工作时,管子总会呈现出一定的内阻。对于电源来说,这个内阻是与作为负载的扬声器阻抗成并联形式的。当输出电压幅度一定时,负载上得到一定的功率,管内阻也要消耗掉一部分功率,这两部分功率都是从供电电源中取得的。因为是并联形式,所以管子内阻越小,流过的电流越大,消耗的功率也就越多。对于一些低频锗大功率管,如3AD30、3AD6,其fβ较低(注:f\(_{β}\)≈\(\frac{1}{β}\)·fT),分别仅为2千赫、4千赫,在高音频区域工作时,管子呈现的内阻比上述硅管小很多,实际使用时,即使负载阻抗不变在相同的输出电压幅度下,管子内阻上的损耗功率却要比前者增大许多。这一部分损耗功率加大了,而电源供电电压没有改变,从电源中支取的电流当然要相应地增加很多。也就是说,低频管3AD30等要想获得较大的高音输出功率,只能靠拼大电流来实现。
根据以上实验可以看出,在选择高传真扩音机的功放管时,应考虑特征频率f\(_{T}\)的影响。对于大功率管,在晶体管手册上一般只给出共发射极截止频率fβ、共基极截止频率f\(_{α}\)或特征频率fT中的一个,这三者的关系是:f\(_{α}\)≈fT=β·f\(_{β}\)。低频硅功率管的fT大约总有1兆赫,但低频锗功率管的f\(_{α}\)都较低,fT≈f\(_{α}\)=100千赫的有3AD1~3AD5、3AD18、3AD31、3AD75等,3AD30与3AD6的fβ仅有2千赫或4千赫,假设β=30,f\(_{T}\)也分别仅有60千赫和120千赫,这些管均不能选作为高传真扩音机的功放管。只有在使用前置分频器的扩音机的低频道放大器中,选管压降低、价格便宜的3AD30或3AD6才是可取的。(张国华)