超外差式收音机里的中频放大器是指变频输出至振幅检波器之间的那一部分电路。它用来放大经变频得到的465千赫中频信号。中放电路性能的好坏,在很大程度上决定着收音机的整机灵敏度,选择性(主要是邻近选择性)和频率特性等主要性能指标。通常情况下,中放电路由两级频率固定为中频的调谐放大器组成。两级中放的功能并不完全相同。第一级中放除要完成一定的放大任务外,还必须保证选择性的要求,而且在第一中放级还加有所谓自动增益控制电路(简称AGC电路),当天线收到的信号强弱变化时(例如收近台时信号强,收远台时信号弱)能自动地调整中放级的放大量(信号强时使放大量下降,信号弱时使放大量提高),使送到检波级的信号大小维持恒定,保证整机的额定输出基本不变。第二中放的任务主要是进行放大,所以总是设法使其增益最高。正是由于要求不同,两级中放在电路上也有区别,这将在后面看到。
中放是怎样工作的
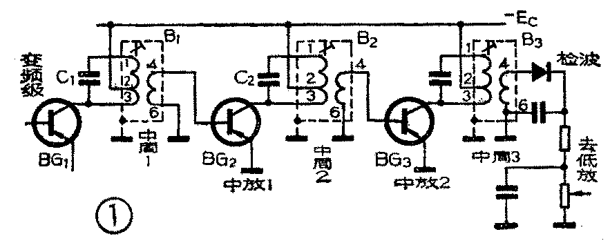
和一般放大器一样,中放电路要正常工作,也要有直流电路给晶体管提供正常的工作电流,使晶体管有合理的工作点。为了更明确地说明中放的特点,我们先舍去直流电路,画出两级交流放大的原理电路如图1。图中,BG\(_{1}\)是变频管,BG2、BG\(_{3}\)分别为第一和第二中放晶体管。B1\(_{2}\)3是工作在465千赫的中频变压器,简称中周。它们的初级电感分别与电容C\(_{1}\)、C2、C\(_{3}\)构成各个并联谐振回路,调谐于中频465千赫。中放电路好坏的关键在中周。由于回路在谐振时两端的谐振阻抗很大,而失谐时的阻抗很小,所以变频管BG1集电极中的中频信号电流会在变压器B\(_{1}\)初级谐振回路的1、3两端之间形成很高的中频谐振电压,并通过变压器B1耦合到次级线圈4~6端,送至第一中放管BG\(_{2}\)的基极。对于频率不是中频的信号,则因回路失谐。几乎没有电压输出,这样就从变频后得到的许多不同频率信号中选出中频信号,抑制了其他频率的信号。

同样道理,变频级送至中放管BG\(_{2}\)基极的中频信号经中放管BG2进行放大,放大后的中频信号又由变压器B\(_{2}\)初级和电容C2组成的谐振回路再一次进行选频,选出的中频信号送至BG\(_{3}\)管的基极,由BG3进行第二次放大,最后由变压器B\(_{3}\)的次级输出至振幅检波器进行检波,取出音频信号。两级中放的功率总增益可达60分贝左右,即一百万倍,约占全机总增益的一半以上,所以超外差式收音机的整机灵敏度实际上主要取决于中频放大器。
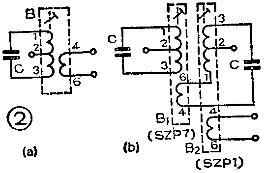
由上述工作过程不难看出,中频变压器(简称中周)是中放电路中的关键器件,它在电路中起着选择有用信号去除无用信号和前后级耦合(实现阻抗变换,保证级间匹配)的作用。整机的选择性(邻近选择性)主要由它决定。实用的中频变压器有单调谐回路和双调谐回路两种,图2a是单调谐回路中周的电路图,它只在初级并联电容构成谐振回路,次级不并联电105D系列等等,它们的外形尺寸,内部构造,线圈匝数,接线方式等都有不同,是不宜换用的。比如谐振电容有的已在中周上接好,有的则需外接;有的是200P,也有510P,140P,330P,180P等等。外形尺寸又有10×10×13mm\(^{3}\)和7×7×12mm3两种。

成品中周在出厂时虽已经过调测,但用在具体电路中时因电路参数不同,还必须重新进行调整才能使回路正确谐振于中频频率,所以都有可调元件。调谐方式可用改变回路电感或改变电容两种方法实现,在晶体管收音机中是用调电感的方式,即调整线圈上的磁帽改变电感量使回路谐振(图2表示电感可调)。实用中周的外形见图3a,SZP1、2、3接线见图3b。焊装时应注意底座上线圈引出端的次序编号,不得错焊。金属外壳除安装便利外,主要是起电磁屏蔽作用,以防中频信号辐射干扰产生自傲,也防止外来干扰。必须接地良好才能保证屏蔽效果,应与地线焊牢(电路图中的虚线方框就表示屏蔽罩壳体)。

变频级与第一中放之间,第一中放与第二中放之间都是靠中周耦合的,而电路中晶体管的输出阻抗要比中周初级谐振回路的谐振阻抗低,所以中周初级线圈要有抽头2,即晶体管是采用部分接入回路的方法,以使晶体管的输出阻抗与回路阻抗匹配。另外,由于下一级晶体管的输入阻抗又比前级的输出阻抗低得多,所以变压器次级线圈圈数要比初级少得多,以便实现阻抗变换,达到前后级阻抗匹配,得到最大功率输出的目的。
中放的选择性
广播电台播出的调幅无线电信号是把音频信号调制到载频上,而音频信号是占有一定的频率范围的,比如,讲话的语言约在300赫到3千赫的范围之间,音乐的频率约在几十赫到10千赫左右等等,就是说,它们占有一定的频带宽度。调制之后的无线电信号也占有一定的频带宽度。这就要求每个电台的信号之间都必须在频率上隔开一定的距离,各自占据自己分配到的频宽,(国家规定为9千赫),以免台与台之间的信号互相干扰。在接收时,经过变频级只是把调幅信号的载频变成了中频,调制音频信号的频宽并没有改变,正如货物的运载工具虽然变了,货物大小并不改变一样。这个有一定频带宽度的中频信号在进行中频放大时,当然要求中放电路应能使频带内的信号都畅通无阻,并且得到相同的放大量才不致造成原信号失真。所以,当我们谈到中放的选择性时,同时也包含了它所能通过的信号频带的要求(常称为通频带)。那么,中周的谐振回路是怎样保证通频带的呢?
谐振回路的谐振曲线如图4所示。图中,横轴表示信号频率,纵轴表示回路的传输系数(或回路两端电压的相对值),曲线表示信号频率不同时,回路传输系数的变化情况。在回路的谐振频率(即中频f\(_{o}\))时传输系数最大,偏离谐振频率时传输系数要下降。就是说,如果信号是占有一定频率宽度的话,通过回路之后频带中比中心频率fo低或高的信号是要被衰减的。但考虑到人耳对声音信号的大小不太敏感这个生理特点,我们通常把谐振曲线上传输系数下降到最大值的1/\(\sqrt{2}\)即0.707倍之间的那一段频率范围定义为回路的通频带(图4上的2△f),由于在这个频率范围内,任何频率的信号大小差别都不大于30%,人耳感觉不到朗显的差别,即认为在通频带2△f之内的信号都是畅通无阻地被放大的,而2△f之外的信号则受到较大衰减而被抑制。在图中,距f\(_{o}\)远的信号相当于高音频成分,距fo近的信号相当于低音频成分。所以,如果中周回路的通频带2△f过窄,则高音频信号衰减过多,会使音质变坏,反之,若中放回路通频带过宽,则相邻的其他电台的信号就会窜入,造成窜台干扰。为此,我们希望中周回路的谐振曲线越陡,越接近矩形越好。由图可见,双调谐回路的中周选择性更好。有时,为了展宽回路的通频带,还特意在回路两端并联一个电阻,用增加损耗的办法降低回路Q值,虽然牺牲了中放的增益,即整机灵敏度,但带宽宽了,音质会得到改善。

中放的增益及中和问题
要保证中放有60分贝左右的功率增益,主要靠合理地选用晶体管。由于中放的工作频率是较高的,所以晶体管的放大性能不但与β值(共发射极电流放大系数)有关,还与频率参数有关,应选截止频率f\(_{T}\)高,共基极输出电容Cob小的高频晶体管。通常选f\(_{T}\)>10兆赫、Cob<5微微法为宜。管子的β值直接决定着中放的增益,常希望大一点,但也不是越大越好,一般在30~150之间,β太高容易引起自激振荡,工作也不够稳定,受温度变化的影响也大。同时,还应注意两级中放晶体管的搭配,例如第一级用β较高的管子(β=60~150)则第二级用β较低的管子(β=30~60)或者相反。成品机器检修换管时应尽量与原来参数相近,不宜改动过大。常用作中放的PNP型管有3AGIB,3AG21,3AG51D等,NPN型管有3DG201、3DG6等等。
由于中放工作频率高,增益又大,所以晶体管集电极和基极之间的结电容C\(_{ob}\)的影响就不容忽视。集电极被放大了的信号会通过这个电容反馈到基极,在一定条件下这种反馈可能是正反馈,将会导致中放自激,产生寄生振荡使声音严重失真或出现刺耳的高频啸叫声。为了消除Cob的这种不良影响。中放电路常采用“中和”措施,即在外电路用接入“中和”电容的方法,引入一个和通过C\(_{ob}\)的反馈电流相位相反的“中和”电流去抵消反馈电流。这种措施就叫“中和”。常用的中和方法有两种,分别如图5a.b所示。图中,CN是中和电容,i\(_{1}\)是通过Cob造成的反馈电流,i\(_{2}\)是引入的中和电流。为了起到中和作用,i2与i\(_{1}\)不仅要方向相反,而且要大小相等。考虑到不同晶体管的Cob数值差别较大,所以C\(_{N}\)必须由调整决定。尤其是在更换晶体管时,若因Cob有了变化,中和不良引起自激,就应重新调整C\(_{N}\)的大小,至消除自激为止。CN的接法,在图5a中必须接在中周初级不接集电极的一端与基极之间,否则i\(_{2}\)与i1不是反相的。这一点必须注意。在图5a.b两种接法中因a是本级直接反馈,反馈的中和电流i\(_{2}\)较大,所以CN的数值较小,约为几个微微法,b是由下一级基极引回反馈,反馈的中和电流i\(_{2}\)较小,所以CN数值较大,约为20微微法左右,调整范围可以大些。两种中和方法各有利弊,都是经常采用的。(王勤)
