1980年第8期本刊曾刊登一种“红外线数字转速表”,为了适应室外或在日光照射下工作的需要,因此又作了如下改进:(1)发射和接收的红外线,被一定频率的脉冲所调制,所以这种检测头不怕日光干扰,可以在日光照射下工作,适用于室内外。(2)辐射功率比较大,探测距离从几厘米到十几米,因此可以测量较远距离的物体转速,还可以测量水下、井下、上空物体的转速。(3)采用电子手表电路作时标,计时准确、使用可靠。(4)采用中规模CMOS集成电路,使体积缩小,携带方便。
图1是原理框图,可分为四个单元。第Ⅰ是对基信号单元,包括产生标准秒信号的电子手表电路和产生0.1分信号的六分频器。第Ⅱ是光电检测单元,即不怕光干扰的红外线检测头,包括探测头和检测电路。第Ⅲ是测量控制单元,包括时控门、主控门、门控双稳、锁闭双稳和延时电路。第Ⅳ是计数、译码、显示单元。

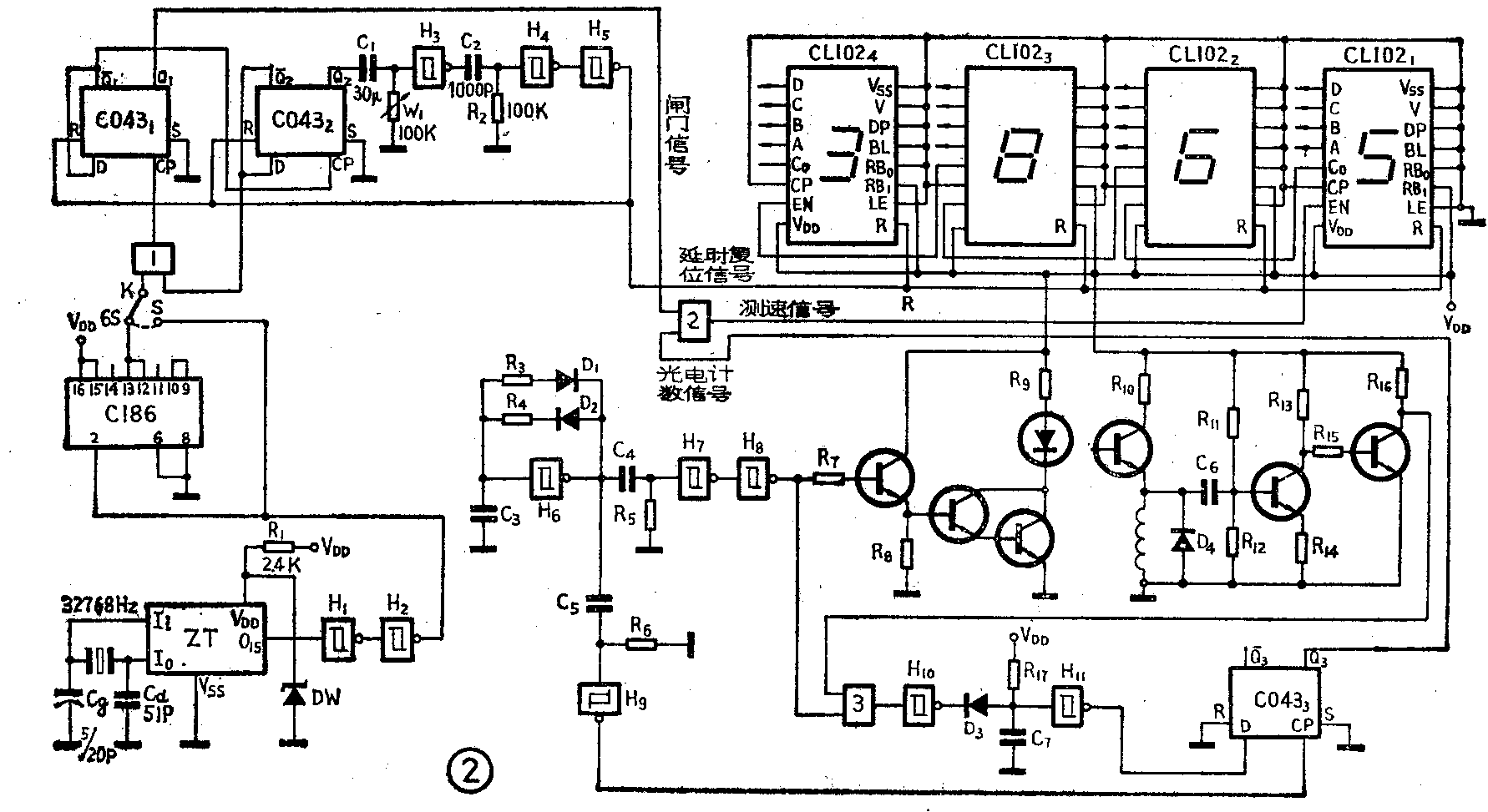
图2是逻辑电路图。图中ZT是CMOS铝栅电子手表电路,如5C702等,外接晶体的频率为32768Hz。将32768Hz的频率经15级二分频,从O\(_{15}\)输出频率为1Hz的标准秒信号。Cg为微调电容,C\(_{d}\)为补偿电容。

因为5C702的电源电压为5V,所以从供给CMOS电路的电源电压V\(_{DD}\)经电阻R1和5V稳压管DW稳压后,获得所需的直流电源。输出信号的峰一峰值V\(_{P-P}\)为5V。
V\(_{P}\)-P为5V的秒信号,可直接输入施密特触发器H1和R\(_{22}\)用H1和H\(_{2}\)作接口,从H2输出的信号,V\(_{P-P}\)为CMOS的VDD。CMOS集成电路的V\(_{DD}\)可从4V到18V,为了配合显示器,便于用干电池供电,可采用VDD=6V或9V。
F为六分频电路,取用CMOS“任意分频器G186”,接线方法如图2所示。由单刀双掷开关K选取时基信号,可用“秒(S)”或“6秒(6S)”任一种信号。取“6秒”时,把显示的读数乘以10,就是每分钟的转速。
第Ⅲ单元的线路原理同1980年第8期文中所述,这里不再重复。只是用六施密特触发器(一片集成电路中有六个施密特触发电路,型号CH40106)中的H\(_{3}\)、H4、H\(_{5}\)和两组微分电路作延时电路。延时原理见图3,延迟时间由C1和W\(_{1}\)的乘积决定,改变电容量C1作粗调,改变电位器W\(_{1}\)作细调。延时脉冲宽度由C2和R\(_{2}\)的乘积决定。延时目的是为了让每次测量转速(1秒钟或6秒钟内的光电脉冲数)完毕后,将测得的数据保持一段时间,以便看清读数。延时脉冲输送到计数器和两个双稳的复位端R,使它们复位,以便进行下一次测量。

第Ⅱ单元是光电检测电路,这种光电开关之所以不怕日光干扰,是因为发射和接收的红外线被一定频率的方脉冲所调制,因此只有与调制脉冲同频率同相位的信号才能起到干扰作用,显然这种干扰的几率极低,这就基本上消除了日光的干扰。如果在发光管与受光管的前面再加上0.90~0.93微米的滤色片,则能收到更好的效果。
这种脉冲调制型光电开关的原理,请参阅本刊1982年第10期,有比较详细的说明。
由于流过红外发光管的是间歇脉冲电流,脉冲峰值电流虽大,平均电流却很小,所以允许有较大的电流峰值,这就扩大了红外线发光管的辐射作用距离。
第Ⅳ单元是计数、译码、显示单元,采用计数器、寄存器、译码器、BCD代码输出、显示驱动器和显示器等六个功能集成于一块电路的器件,型号为CL102,其原理已在本刊1983年第2期介绍。该电路用七个笔段的发光二极管显示。连线方法见图2。CL102的工作电压为4~10V,最佳电压为6~9V,故可采用统一的6V或9V电源。当用6V电源时,整机总电流约300mA。
图2中用了四块CL102,二片六施密特触发器CH40106,二片双D触发器C043,一片2输入端四与门CH4081,一片任意进制计数器C186,一片CMOS铝栅手表集成电路5C702,总共十一块集成电路,除CL102为双列直插型外其余均为扁平型。
最后,再说明一下探测头。由于采用脉冲调制型,在15厘米以内时,无需采用透镜,将发光管和受光管并靠在一起,用环氧树酯粘结,两个管子的中心线夹很小的角度,使在10~15厘米远处相交。这种探头靠接收从被测物体上漫反射回来的光线,除对完全黑色的物体接收灵敏度很低外,对白色物体和平整的铝箔、镜面等接收性能很好。对其它颜色的物体,如木箱、酒瓶、纸盒等,都可以接收到反射回来的红外线。(凌肇元)