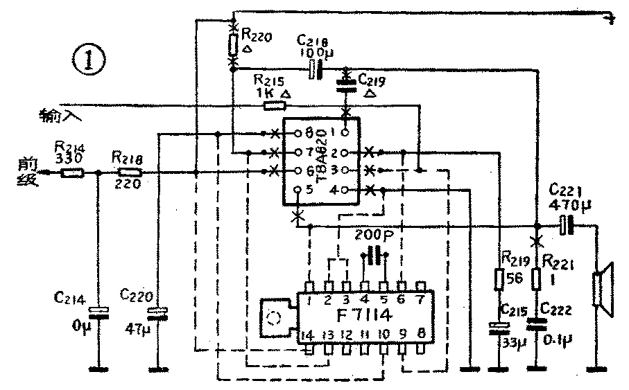
进口录音机或收录机末级大多使用OTL集成功放电路,尽管外形不同,但内部电路大同小异。只要外围电路稍加改动,便可相互代替使用。现以东芝RT2750盒式录音机为例,介绍用国产F7114代替TBA820的操作过程。
1.观察原机电路板,靠近原功放电路TBA820的地方安置F7114。用小刀将印制板铜箔上的绝缘漆刮掉,上好锡。
2.把F7114的2、3脚和散热片稍向背部方向折弯,用锡直接焊在印制板的地线上。并将一小块绝缘纸或照像底片垫在印制板与集成电路F7114之间。
3.将TBA820从印制电路板上剪下来。并将R220、C219、C222、R221等元件取下(图1中打×处)。

F7114 13 1 9 6 10 14 2、3
TBA820 7 5 3 2 8 6 4
4.按照附表的对应关系,用细导线将F7114各脚连到电路中去(如图1中虚线所示)。F7114的4、5脚之间并联一只200PF的电容,构成消振电路;将退耦电容C220加大到220μF;并将输入电阻R215取掉,改为5~10μF电解电容;F7114的12脚空着。操作时注意,连接引线应尽量短些,以避免出现自激。改动之后的功放电路见图2。 (毛伟明)
