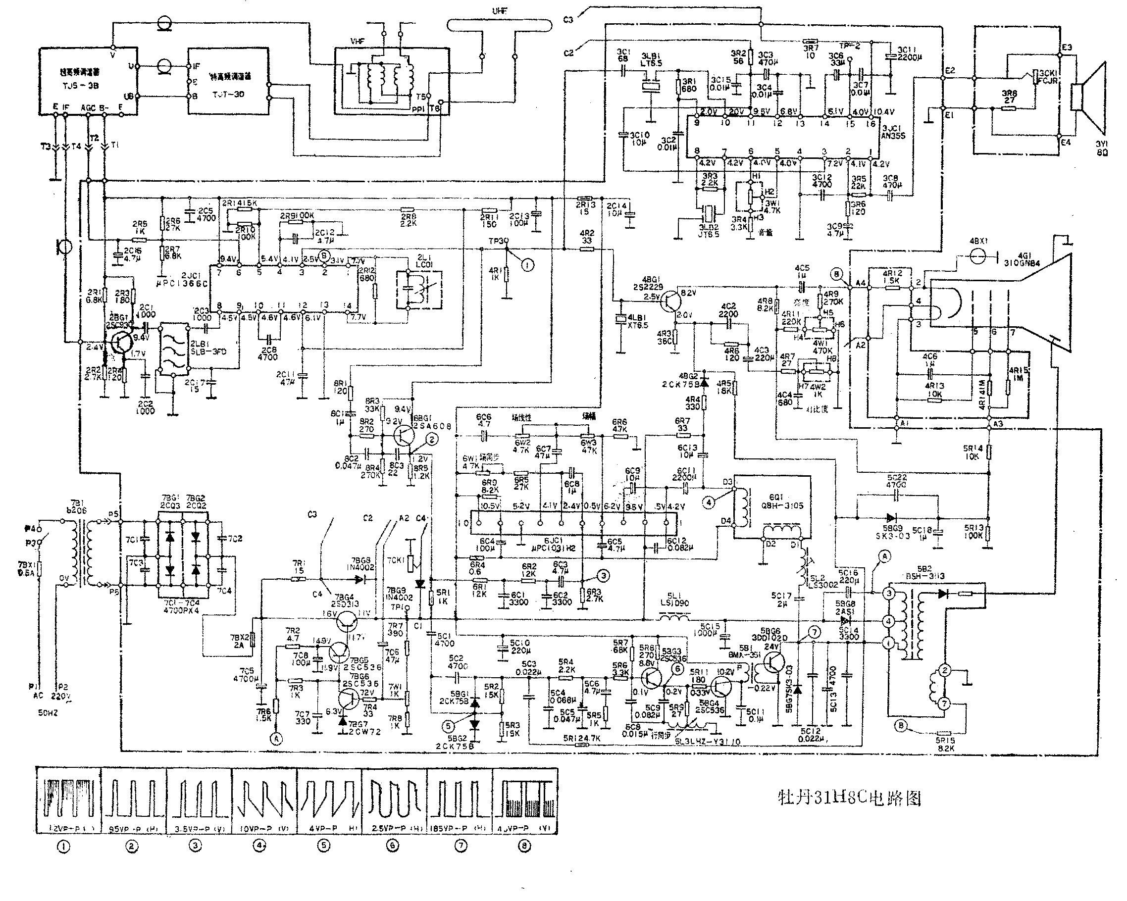
(李庆德)牡丹31H8C型电视机是以31H8机为基础重新设计的机型。在外形、结构以及电路方面都有新的改进,使整机的可靠性有了明显的提高。现将有关部分介绍如下。电路图及印制电路板图见本文末。



高频调谐器
全频道电视接收机有超高频(UHF)和甚高频(VHF)两个调谐器组成。由于接收频率较高,超高频调谐器的增益较低,为了使UHF频段达到实际收看效果,本机采用一次变频,即将UHF信号直接变换成37MHz图象中频后,再由VHF调谐器放大,送入图象中放级。
图1是UHF调谐器电原理图。

在超高频调谐器中,调谐回路是采用空腔谐振器。从天线送来的信号经L\(_{1}\)送进由VC1、L\(_{4}\)和底壳组成的初级回路,并通过耦合窗M送到VC2,L\(_{5}\)和底壳组成的次级回路。BG1为本振级,它是一个电容三点式振荡电路。这里,调谐回路是由V\(_{C3}\)、C5、L\(_{8}\)和底壳组成。初、次级回路为λ/4型空腔谐振器,本振级为λ/2型空腔谐振器。VC1,V\(_{C2}\),VC3是三连可变电容器。只要调节适当,三个谐振回路的谐振频率可以达到跟踪。
D\(_{1}\)是混频二极管,采用低噪声的消特基二极管,本振信号是由L7耦合给混频管D\(_{1}\),高频信号由L8,L\(_{5}\)的互感耦合到混频管D1。混频后经C\(_{1}\),L2组成的滤波电路输出VIF中频信号。由于本机UHF无高放级,因此其增益为-13dB,经VHF放大37dB,送到图象中放的2BG\(_{1}\)的基极为24dB的中频信号,因此能达到实际收看的效果。
公用通道

在分立元器件通道电路中,为了保证通道所需幅频特性曲线要求,一般需要用5个到7个中周,其调整工作量较大。本机的通道幅频特性曲线是由声表面波滤波器(SAWF)来保证的。由高频调谐器输出的带宽较宽的中频信号,通过表面波滤波器变换成符合通道幅频特性要求的曲线,见图2。表面波滤波器的主要参数见附表。
附表
项 目 参 数 dB
图象载频增益(37MHz) -3±1.5
伴音载频增益(30.5MHz) -17±2
邻频道图象载频抑制(29MHz) -12±2
邻频道伴音载频抑制(38.5MHz) >-30
插入损耗 -20
目前国产表面波滤波器的指标可以做得较好,主要指标已能满足整机要求。2BG\(_{1}\)是为补偿表面波滤波器的-20dB的插入损耗以及使高频调谐器和表面波滤波器达到匹配的目的而设置的。
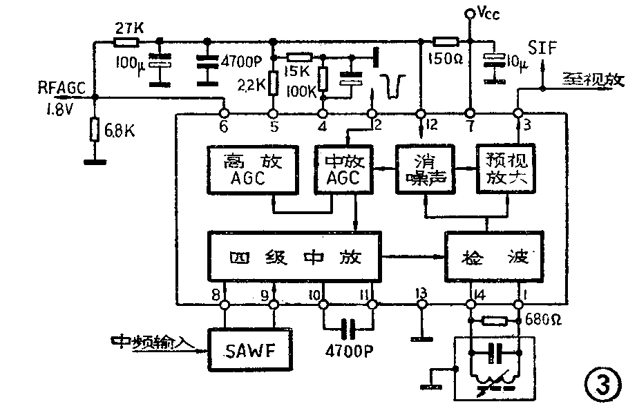
通道增益用2I\(_{C1}\)(μpC1366C)集成电路来实现,其总增益约为70dB。该集成电路是由4级图象中放电路、同步检波、预视放级、中放AGC、高放AGC以及噪声抑制电路组成。图3示出了μPC1366C内部组成方框图。

同步检波器是一种线性较好的低电平检波器,因此中放级的增益可以适当降低,使中放电路比较稳定,有利于克服整机自激等现象。
同步检波器由限幅放大电路和双平衡检波电路组成。图4是限幅放大器的原理图。从图4可以看出,图象中频信号,经BG\(_{1}\),BG2差分放大器放大具有足够大的信号,LC回路取出37MHz图象中频信号,利用D\(_{1}\),D2的箝位作用,限福成方波信号,作为同步检波器的开关信号。

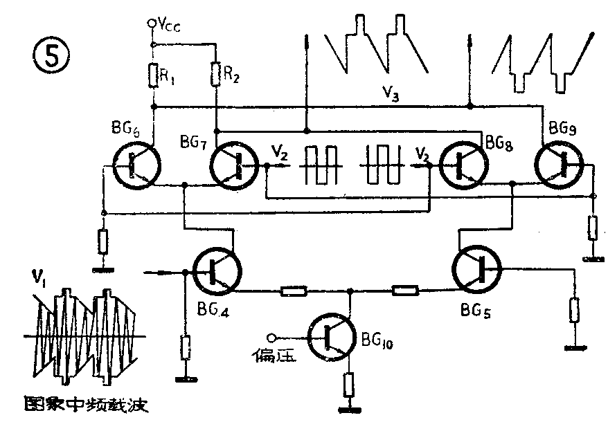
图5是双平衡检波电路。当BG\(_{4}\)的基极加上图象中频载波信号V1,经BG\(_{4}\)、BG5放大,加到BG\(_{6}\)、BG7和BG\(_{8}\)、BG9组成的差分放大器的发射极上,而由限幅放大器输出的方波信号V\(_{2}\)同时加到BG6、BG\(_{7}\)和BG8、BG\(_{9}\)的基极上,当V1和V\(_{2}\)同频同相时,就可以实现调幅检波,图6示出了同步检波示意图。


已被图象信号调制的载波信号V\(_{1}\)经BG4放大后加到BG\(_{6}\)、BG7的发射极上。V\(_{2}\)信号是经限幅放大的方波信号。此二个信号频率相同、相位差180°。当V2正半周期时,使BG\(_{7}\)、BG9的基极为高电位,使BG\(_{7}\),BG9导通,BG\(_{7}\)有电流,R2有电压输出,此时BG\(_{6}\)、BG8的基极高于低电位,BG\(_{6}\)、BG8截止,无电流通过。当V\(_{2}\)为负半周期时,BG6、BG\(_{8}\)的基极为高电位,使BG6、BG\(_{8}\)导通,BG8有电流,R\(_{2}\)有电压输出,这样就在R2上输出了一个完整的调制信号。
检波后的全电视信号再经预视放级放大,使2IC\(_{1}\)输出的信号为1.2Vp-p左右供伴音、视频放大和同步分离级使用。调节中用2L1使检波器的开关信号和图象中频信号达到同频同相,使检波效率最高。
由于μPC1366C高放AGC的灵敏度较高,为了防止高放AGC过早地动作造成图象扭曲,因此采用了2R\(_{1}\)0调整电阻,克服了大信号扭曲。
本中放电路采用键控AGC,若要改为峰值AGC,只要把2IC\(_{1}\)的2脚接地即可。2IC1的6脚输出为1.6伏,供高放AGC使用。
伴音电路
本机的伴音电路3IC\(_{1}\)采用AN355集成电路。它包括伴音中放及限幅,传通滤波器。鉴频器,直流音量控制电路,以及功放电路,见图7。由2IC1输出的全电视信号经过6.5MHz陶瓷滤波器3LB\(_{1}\),取出6.5MHz调频信号,经三级差分限幅放大(约60dB),再经低通滤波器滤除高次谐波。送到6.5MHz陶瓷鉴频器3LB2,鉴出音频信号。由于本机使用了两个6.5MHz陶瓷元件,因而可省去调试工序。

这里还需指出一点,以往电视机的音量控制是用电位器改变音频交流信号大小来实现的。而AN355集成电路是利用直流电平控制双差分AGC的特性来实现放大器音量控制的。因此电位器的三条引线可用普通导线。本机还没有耳机输出插孔,供用户选择使用。
行扫描电路
5D\(_{1}\)、5D2及5C\(_{3}\)、5C4组成单脉冲输入AFC电路。行振荡器采用变形的间歇振荡电路,这里的行振管5BG\(_{3}\)采用硅NPN晶体管,其振荡波形见电原理图,与PNP管作振荡管的振荡波形相位差180°,因此行推动变压器的相位也应相反180°。
行输出电路采用了自举升压电路,经我们多次计算和实验,适当地增加了偏转线圈的行包电感量和行输出变压器的提升电压比,同时采用了正向压降较小的锗提升二极管,以及一体化行输出变压器,使行输出电路效率较高、行平均消耗电流较小,降低了整机的消耗功率,因此机内平均温度和有关器件表面温度都有所降低,有利于提高整机可靠性。
场扫描电路
场扫描电路由μPC1031Hz集成电路完成。同步分离信号经6R\(_{1}\)、6C1及6R\(_{2}\)、6C2积分后送出作同步控制信号。6C\(_{8}\)、6W1组成场频控制电路。6C\(_{5}\)、6W2、6W\(_{3}\)组成场的幅度和线性控制电路。为了改善场输出级的热稳定性,6C8、6C\(_{5}\)选用了钽电解电容。
稳压电源

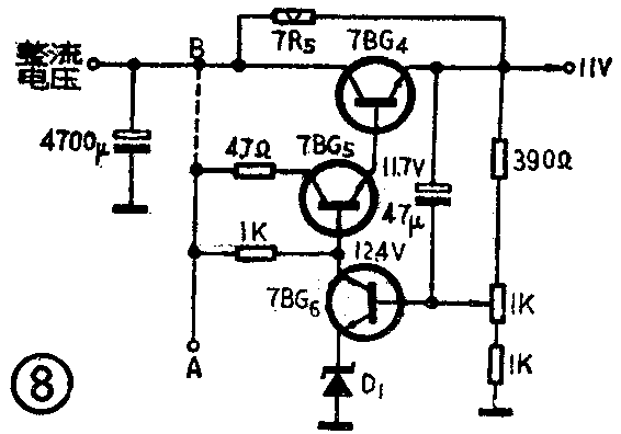
本机采用串联型稳压电源,效率较高。从图8分析可知,在不考虑7BG\(_{5}\)时,7BG4的管压降V\(_{ce}\)在0.8伏时也能正常工作,即VB=11.8伏。但由于有7BG\(_{5}\),VB电压要大于12.4伏才能正常工作。现在A点不接B点,而从行输出级提升电压分压出固定的15.5伏电压,它不受电网电压影响。所以同样条件下,现在电源变压器次级电压可适当减小,提高了效率。考虑到广大农村的供电电压变化较大,因此稳压器设计余量较大,在电网电压降到165伏时,整机仍能正常工作。7R\(_{5}\)的存在不仅可以减轻调整管的负担,还起到了开机时启动稳压电源的作用。