晶体管有三种接法,分别构成三种基本放大电路,即共发射极电路、共基极电路和共集电极电路。这三种电路各有特点,可根据需要选择采用。在高频、宽频带放大或对稳定性要求较高的线路中,常采用共基极放大电路。那么,这种电路的形式怎样?有什么特点?在我们常接触的收音机、电视机中哪些地方用到它,所起的作用如何?下面分别加以说明。
电路的组成
共基极放大电路,就是把发射极作为输入端,集电极作为输出端,基极作为输入、输出回路公共端的电路。从图1所示的交流通路中可以看出,晶体管的基极接地,成为信号源与负载的公共连接点,这即是“共基极电路”名称的由来。

无论哪一种接法的放大电路,都必须保证晶体管的发射结处于正向偏置、集电结处于反向偏置才具有正常的放大作用。为了满足这样的要求,并且只用一组电源供电,常把共基极电路接成图2(a)所示的形式。从图中看出,它的偏置电路和人们熟悉的稳定工作点的共发射极电路完全相同, R\(_{c}\)为集电极电阻,Rb1、R\(_{b2}\)相当于共发射极电路的上偏和下偏电阻,Re为发射极电阻。当接通电源之后,只要这些电阻的取值适当,总可以使晶体管的基极电位负于发射极、集电极电位负于基极,满足两个结对偏置的要求。这种形式的偏置在共发射极电路中能稳定工作点,在此电路中也有这种作用。对于一般的原理电路,常把图2(a)画成图2(b)的形式,二者完全相同。被放大的信号通过C\(_{1}\)从发射极输入,放大后从集电极通过C2引出,基极通过C\(_{b}\)交流接地,构成共基极接法。从这里看出,所谓基极接地,仅是对交流信号而言,对于直流供电,基极是不接地的。

这种偏置电路虽然在形式上和分压式共发射极电路相似,但在元件取值上略有不同。对共发射极电路,R\(_{e}\)上并一只大电容,故Re阻值大小对交流信号没有多太影响;而在共基极电路中,因R\(_{e}\)跨接在输入端(图2b),它将对输入信号分流,其取值不能太小,以免使有效输入信号电流减少。对共发射极电路,基极偏流电阻Rb1和R\(_{b2}\)并联(上偏电阻一端接电源,可视为交流接地)跨接在输入端,要对输入信号分流,故其取值不可太小;而在共基极电路中,Rb2被C\(_{b}\)短路,Rb1被C\(_{b}\)和电源短路,所以它们对交流信号的影响很小。
在进行动态分析时,常将C\(_{1}\)、C2、C\(_{b}\)和电源视为短路,把图2画成图1所示的交流通路。
电路的基本特点
(1)较低的输入电阻和较高的输出电阻
从图1中可以看出,放大器的输入电阻R\(_{ib}\)等于Re和共基极接法晶体管输入电阻的并联。输入电压V\(_{i}\)=Ier\(_{e}\)+Ibr\(_{bb}\)′=Ier\(_{e}\)+Ie1+βr\(_{bb}\)′,其中re为发射结的交流电阻,r\(_{bb}\)′为基区体电阻,则其输入电阻rib=V\(_{i}\);Ii≈\(\frac{V}{_{i}}\)Ie=r\(_{e}\)+rbb′;β。r\(_{e}\)只有几到几十欧,rbb′约几十到几百欧,故R\(_{ib}\)也只有几十欧。可见共基极电路的输入电阻非常小,它只有共发射极电路的(1+β)分之一。这是因为不论共基极电路还是共发射极电路,其输入电压都是加在晶体管的发射结,但前者的输入电流Ie(忽略R\(_{e}\)的分流)是后者输入电流Ib的(1+β)倍,所以其输入电阻只有后者的1(1+β)。
这种电路的输出电阻,近似等于共基极接法晶体管的输出电阻r\(_{c}\)和负载电阻Rc并联。因为r\(_{c}\)的阻值很高,所以当负载电阻也很大时,放大电路的输出电阻相当高。
输入电阻低,输出电阻高是这种电路的缺点。输入电阻低,意味着加同样的输入电压将引起较大的输入电流,较多地消耗信号源的功率,这是我们所不希望的。输出电阻高,将限制它带负载的能力,因为只有当输出电阻较低时,放大器才类似于恒压源,输出电压才不易随负载变化,才能承受重负载。但有时也利用其输入电阻低、输出电阻高的特点,让它起隔离作用(详见图7说明)。
(2)接近于1的电流放大倍数
首先要明确,晶体管不论在哪种接法的电路中,其电流分配关系都相同,即发射极电流I\(_{e}\)等于基极电流Ib与集电极电流I\(_{c}\)之和,并且Ic》I\(_{b}\), Ie≈I\(_{c}\)。从图1看出,放大电路的输入电流Ii近似等于I\(_{e}\)(忽略Re的分流),而输出电流I\(_{0}\)等于Ic。故电路的电流放大倍数 Ai=I\(_{0}\)ii≈I\(_{c}\);Ie=α,其值略小于1,所以这种电路不能进行电流放大。
(3)输出、输入电压同相位
共基极电路虽然没有电流放大作用,但能进行电压放大,并且输出、输入电压同相位。大家知道,电压放大倍数A\(_{v}\)等于输出电压V0与输入电压V\(_{i}\)之比。输出电压等于输出电流与负载电阻的乘积,即V0=I\(_{0}\)Rc=I\(_{c}\)Rc(空载);输入电压等于输入电流与输入电阻的乘积,即V\(_{i}\)=IiR\(_{ib}\)≈IeR\(_{ib}\)。那么,Av=V\(_{0}\)Vi≈I\(_{c}\)Rc;I\(_{e}\)Rib=α\(\frac{R}{_{C}}\)Rib≈R\(_{c}\);Rib。可见在空载情况下,电路的电压放大倍数近似等于集电极电阻与输入电阻之比,而R\(_{c}\)》Rib,故A\(_{v}\)》1,所以单级共基极电路能进行电压放大。但对于多级共基极放大电路,除了末级之外任何一级都不能得到电压放大,其原因是这种电路的输入电阻Rib太低,前一级的总负载电阻为R\(_{c}\)与Rib的并联值,近似等于R\(_{ib}\),致使Av= α\(\frac{R}{_{c}}\)∥RibR\(_{ib}\)≈1。故当两个共基极电路进行级联运用时,不能直接耦合或通过电容耦合,要使用变压器,利用其变换阻抗的作用将下一级的输入阻抗提高,这样才能获得一定的电压增益。
关于输出、输入电压的相位关系,可以从图2(a)的电路进行分析。在输入端加一信号电压V\(_{i}\),显然它是跨接在发射极与基极之间(通过Cb )。假设在某一瞬间V\(_{i}\)为即发射极一边为正,基极一边为负,于是加于发射结的正向电压增加,ie、i\(_{b}\)和ic增加,R\(_{c}\)上的压降也增加,使集电极电位上升(负值减小),所以在此瞬间V0也为说明输出电压与输入电压同相位,没有倒相作用。
(4)较好的高频特性

实践证明,晶体管的放大能力随频率的升高而下降,而且频率越高,下降的越多。当频率高到一定程度,晶体管就完全失去了放大作用。这主要是因为晶体管内存在着结电容造成的。在图3a中,C\(_{π}\)和Cμ分别表示发射结和集电结的等效电容。它们的数值都很小,在低频情况下产生的影响可以忽略,随着频率的提高,容抗减小,对输入信号的分流作用加强,使晶体管的放大能力减弱。但对不同接法的放大电路,受结电容影响的程度不同,例如,共发射极电路所受的影响较大,高频特性较差,而共基极电路所受的影响较小,高频特性较好。对图3a所示的共发射极接法,若忽略了基区体电阻的影响,C\(_{π}\)相当于接在输入端,被它分走的电流

虽然C\(_{μ}\)跨接在输入和输出回路之间,但也对输入回路产生影响,设通过它的电流为I′′,其大小为

式中\(\frac{V}{_{ce}}\)Vbe为晶体管输出电压与输入电压之比,若令其比值为-K,则

可见I′′等于输入回路电压V\(_{be}\)除以一个容抗,其电容值为(1+K)Cμ。换句话说,原来跨接在b、c之间的电容C\(_{μ}\)对输入回路的影响,相当于在输入端并联一个(1+K)Cμ的电容,如图3b所示。应该注意的是,虽然I′和I′′包含在输入电流i\(_{b}\)中,但它们仅是被Cπ和(1+K)C\(_{μ}\)旁路的电流,并非是载流子在基区复合形成的,和ic毫无联系,所以对输出电流没有贡献。频率越高,分流作用越甚,i\(_{b}\)中被旁路的成分越大,晶体管的放大能力越小。当频率很高时,发射结接近被Cπ和(1+K)C\(_{μ}\)短路,管子便失去放大作用。若采用图4所示的共基极接法,则Cμ处在输出回路中,输入回路只有C\(_{π}\)分流,旁路作用大大减小,所以共基极电路的高频特性较好,适于作高频或宽频带放大。

(5)较高的稳定性
在共发射极电路中,由于C\(_{μ}\)的存在,不仅对输入回路产生分流作用,而且它又沟通了输出和输入回路的联系,当工作频率接近中频时,Cμ的容抗已减小到相当程度,输出端能够通过它产生反馈作用。在纯电阻负载情况下,输出与输入电压反相,构成负反馈。但在电抗性负载(如收音机的中放、本振电路)情况下,尚有附加相移,有可能使输出、输入电压同相,形成正反馈,出现自激,使电路工作不稳定。在图4所示的共基极接法中,C\(_{μ}\)已移到输出回路,不会通过它形成内部反馈而引起寄生振荡,所以工作比较稳定,在一些稳定性要求较高的线路中常采用这种接法。
收音机、电视机中的共基极电路
普通的超外差式收音机,多采用自激式变频电路,即用一只晶体管同时进行本机振荡和混频。本机振荡电路的工作频率虽然不算很高(即使短波段,也不超过20兆赫),但必须具有较高的稳定性,才能使变频器输出接近固定的中频。为此,给振荡回路补充能量的放大器一般都采用共基极接法。图5所示为单一中波段的超外差机变频电路。变频管基极通过天线线圈B\(_{1}\)次级(圈数很少)和电容C2接地,它们对振荡信号呈现出极小的阻抗,故可认为晶体管基极接地。C\(_{lb}\)与C4并联后与C\(_{5}\)串联作为振荡回路电容,振荡线圈B2的3、5端间电感为回路电感,l、3端间的电压作为本机振荡的反馈电压,经C\(_{3}\)输入到变频管发射极,放大后从集电极输出,通过B2次级给振荡回路补充能量。这就构成了基极接地、发射极注入、集电极输出的共基极振荡电路。这种电路由于基极作为公共端,所以工作稳定。图中R\(_{1}\)、R2和R\(_{3}\)组成分压式偏置电路。

在质量比较好的收音机中,为了克服输入回路对振荡回路的牵制作用,多采用具有独立本机振荡器的混频器,其中的本机振荡部分,要求稳定可靠,也选用共基极电路,如图6所示。它与图5略有不同,-E\(_{c}\)经R8、C\(_{4}\)滤波后给电路提供电源,R4、R\(_{5}\)和R6组成分压式偏置电路,R\(_{7}\)为阻尼电阻。振荡管BG2基极通过C\(_{5}\)交流接地,作为公共端,振荡线圈B2的1、2端间电压作为本振的反馈电压,2端经C\(_{6}\)接到BG2发射极,1端经C\(_{4}\)和C5接到基极,即是共基极电路的输入信号。输出信号通过阻值较小的R\(_{7}\)和C5、C\(_{4}\) 加在B2的1、3端间,把能量不断补充给振荡回路,这便是共基电感反馈式振荡电路。振荡电压耦合到B\(_{2}\)的5、6端间,通过C9加到混频管发射极。

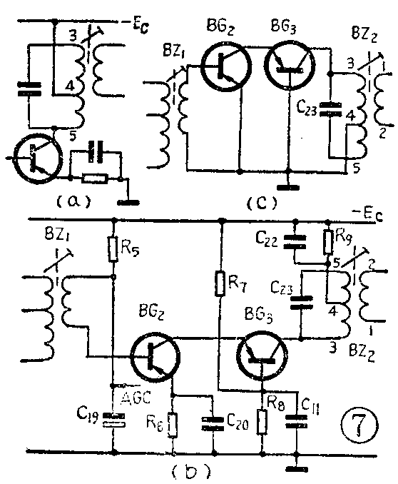
在普通收音机中,中频放大器多采用共发射极接法(图7a),这种电路在此主要有两方面的缺陷:其一,由于发射极接地,又是电抗性负载,容易出现中频自激;其二,由于其输出电阻不算高,所以与集电极相联的中频变压器初级必须抽头,并将圈数较少的那一部分(4,5端间,对TTF—2—2型为45圈)接入输出回路,故有效负载阻抗较小,限制了本级的放大量。在春雷805型收音机中,将第一级中放接成共发、共基组合电路(图7b),使工作性能大大改善。图中将BG\(_{2}\)接成共发射极电路,BG3接成共基极电路。进一步将它画成图7c所示的交流通路,可以看出,信号从BG\(_{2}\)基极输入,在集电极输出的信号直接加到BG3的发射极,再从它的集电极输出加到第二中频变压器的初级。由于采用共射、共基串接形式,所以输出端与输入端的内部寄生反馈大大减小,不接中和电容也能稳定地工作。组合电路输入端是共发射极电路,其输入电阻与单管共发射极电路相同,克服了单一共基电路输入电阻低、有效输入信号电压小的缺点。组合电路输出端是共基极电路的输出端,其输出电阻较高,所以可将第二中频变压器初级圈数多的一组(3、4端间,本机采用TTF-2-2型,为117圈)接入输出回路,这样使有效负载阻抗变大,从而提高了本级的放大量。总起来说,在第一中放级插入BG\(_{3}\)组成的共基极电路,发挥了两个作用:一是切断了输出和输入间的内部反馈通路,使电路工作稳定;二是将BG2的输出端和较高的负载阻抗相隔离,维持了较高的负载阻抗,从而可取得较高的放大量。

电视机中高频部分的本机振荡,通常用改进型电容三点式振荡电路,原理电路如图8a所示,因工作频率比较高,又要求稳定可靠,其实际电路多采用基极接地方式。例如,图8b所示12DI型黑白电视机的本振电路就是如此。振荡管BG\(_{3}\)基极通过C20接地,C\(_{21}\)相当于图a的C2,其上的电压为回路反馈电压,加在发射极与基极之间,C\(_{22}\)相当于图a的C1,C\(_{23}\)相当于C3。L\(_{4}\)0、L41串联再和L\(_{42}\)并联组成振荡回路电感,相当于图a的L,其中L41是频率微调电感,L\(_{42}\)为主振电感,更换它可以转换频道。振荡输出经过C19接到混频器。R\(_{8}\)、R9和R\(_{11}\)组成分压式偏置电路。

共基极放大电路在收音机、电视机等很多电子设备中广泛应用,只要掌握了上述的基本特点,不管在哪种线路中,都可以识别它并加以初步分析。(林萌森)