(刘国臣)在数字仪表、自动化装置等数字系统中,常使用单稳态电路作定时、延迟、选通等用。为获得单稳态功能,通常用分立元件或小规模集成电路来搭成单稳。但是这种单稳电路存在定时稳定差、温漂大、电源电压变化影响大等缺点。要解决这些问题,只有采用集成单稳态电路。
本文介绍北京半导体器件二厂生产的集成化的单稳态触发器Tll21、Tll22和Tll23。这种电路接上电源之后只有一个稳态,当加上外加触发信号时,由这个稳定状态转换成暂稳状态,经过一定时间之后又回到原有稳定状态,等待外加信号再次触发而产生翻转。在没有外加触发信号时,电路永远处于稳定状态。电路一旦触发,输出与输入就脱离关系,输出脉冲的持续时间仅由定时元件R\(_{T}\)、CT决定。
T1121单稳态电路
图1是T1121单稳态电路的封装图,它有三个输入端A\(_{1}\)2和B。A\(_{1}\)2是负跳变触发输入端,B是正跳变触发输入端,若将B端接地可作为禁止功能使用。输入脉冲宽度大于50nS即可触发。A输入端允许1V/μS的边沿输入,B输入端允许触发信号边沿慢到1V/S。有Q和Q-两个互补输出端。还有外接电容、电阻的端子(Cext、Rext/Cext)和电源(V\(_{CC}\)),接地(GND)端子。

外接定时电阻R\(_{T}\)可用2KΩ~30KΩ,定时电容CT可用10pF~10μF,若对稳定性要求不高,定时电路元件值范围还可放宽一些(R\(_{T}\)=1.4~40KΩ,CT=0~1000μF)。输出脉冲宽度t\(_{W}\)=0.7RT·C\(_{T}\),可得到40nS~28S的脉冲宽度输出。当CT=0(用电路内部分布电容)时,可得到30nS的脉冲宽度。Tll21的功能表见表1。

T1122和T1123单稳态电路
Tll22的封装见图2,它比Tll21多一个清除端(CLR)并可以再触发,称为可再触发的单稳态触发器。Tll23(图3)为两个可再触发的单稳态触发器封装在一起,称为“双可再触发的单稳态触发器”。这两种电路的特点是可从A端输入低电平触发和B端输入高电平触发,并提供优先直接“清除”和互补输出。利用这两种单稳态电路的再触发功能,可以很容易地给需要特别宽的输出脉冲提供了极简单的产生方法。如图4所示,当从B端输入一触发脉冲,Q端输出脉冲宽度应为t\(_{W}\),如果在输出脉冲宽度(tW)内再输入一个触发脉冲,单稳又被重新触发,Q端输出的高电平,一直延续到第二个触发脉冲所引起的延迟输出t\(_{W}\)后才结束。也就是说,只有输入信号的周期T>tW时,单稳态才能输出一个宽度等于t\(_{W}\)的方波。如果输入信号的周期T<tW,那么输出端Q始终为高电平。再触发脉冲与上一个触发脉冲之间的时间间隔(单位nS)至少应为0.22CT(pF)。



Tll22和Tll23都有强迫清除功能,可使输出脉冲在任意时刻结束,而和定时元件R\(_{T}\)·CT无关,见图5所示。

由于具有上述功能,为系统设计人员提供了充分的灵活性,即用再触发功能可使脉冲宽度延长,又可通过直接清除功能使脉冲宽度缩短。
输出脉冲宽度t\(_{W}\)由外接定时元件RT·C\(_{T}\)决定,当CT>1000pF时,输出脉冲宽度按下式计算:t\(_{W}\)= K·RT·C\(_{T}\)(1+0.7KT)。R\(_{T}\)为外接或内部的定时电阻, 单位为KΩ。CT单位为pF,K为系数,T1122的K=0.32,Tll23的=0.28。
当C\(_{T}\)<1000pF时,脉冲宽度可由产品说明书中给出的曲线查得。
集成单稳态电路的应用
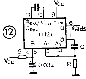
1.作脉冲整形器。只要输入的整形波形有一定幅度,且相邻两波峰之间的时间间隔足够大,就可用单稳态作脉冲整形器。连线图见图6,波形图见图7。当t\(_{W}\)min=50nS时,可不用外接定时电容,靠电路内部分布电容起作用。


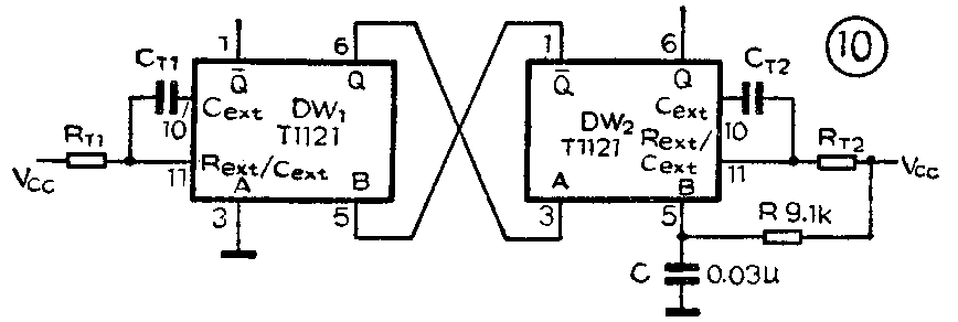
3.作振荡器。用两块Tll21或一块Tll23电路可构成振荡器,如图10所示。从DW\(_{2}\)的Q-端得到脉冲输出,其振荡频率为:
f=\(\frac{1}{T}\)≈1;(R\(_{T1}\)·CT1+R\(_{T2}\)·CT2)In2

其工作原理如下: DW\(_{1}\)的A输入端接地。为使电路可靠起振,在DW2的B输入端设置了RC充电回路,当接上电源DW\(_{2}\)的B输入端经RC充电而上升到阈值电压时,DW2的Q-端输出为“0”,经t\(_{W2}\)(=0.7RT2·C\(_{T2}\))后Q-输出由“0”变为“1”,第一个暂态结束,其上跳边沿直接耦合到DW1的B输入端,使DW\(_{1}\)的Q端输出“1”,于是第二个暂态开始,经tW1(=0.7R\(_{T1}\)·CT1)后,Q端输出“0”,第二个暂态结束,产生一个下跳变,直接耦合到DW\(_{2}\)的A输入端,DW2的Q-端输出“0”,第三个暂态开始,如此周而复始重复下去,形成振荡。
改变C\(_{T}\)、RT可改变脉冲重复频率,若欲得到对称的脉冲信号输出,可使t\(_{W1}\)=tW2,若欲得到重复频率可变的脉冲信号,可将R\(_{T}\)改用一个电位器代替,就可连续改变频率。也可在重复频率一定的情况下连续改变占空比,若取RT1=1.4KΩ,R\(_{T2}\)=40KΩ,可得90%的占空比。
若欲使振荡器在某一时刻停止振荡,则改用T1122或T1123来组成振荡器,可通过直接清除端R\(_{D}\)来实现,如波形图11所示。当清除电平撤消后振荡器又开始振荡。

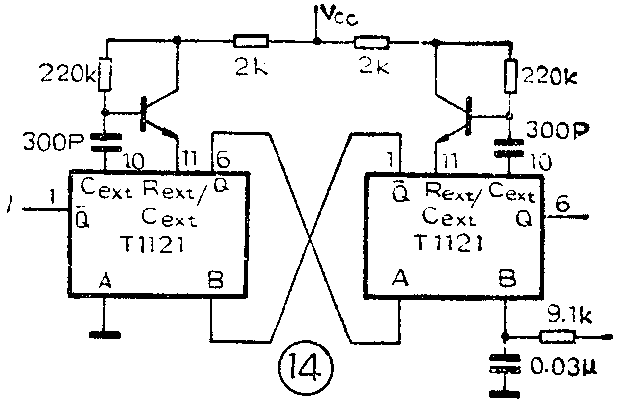
为了得到较低的振荡频率,必须加大定时电路的时间常数R\(_{T}\)CT,但大容量的电容器体积大,影响安装。可用小电流下β高、漏电小的三极管来代替,图14即为振荡频率等于50赫的振荡器。

4.作脉冲展宽器。按照图15所示连接,只要输入脉冲宽度大于50nS,就能获得稳定的脉冲输出,外接定时元件应取:1.4KΩ≤R\(_{T}\)≤40KΩ,0≤CT1000μF,对应的输出脉冲宽度为:40nS≤t\(_{W}\)≤28S。图16所示为脉冲展宽器的波形图。


5.作脉冲延迟。在自动控制和数字设备中,有时需要对特定脉冲信号进行定量延迟。按图17连接方式可得到正极性脉冲延迟输出,波形见图18。图19连接方式为负脉冲延迟输出,波形见图20。延迟时间t\(_{d}\)由RT·C\(_{T}\)值确定,输出脉冲宽度由R·C决定。




6.作长时间单稳。在许多场合需要用到延迟时间大于28S的电路,延迟时间长必定要用大容量的电解电容器,这时阻容元件应采用图21连接方法。

采用加大定时电容容量来实现增加单稳的延迟时间这种方法,增加延迟时间有限,而且增大了体积,结构上带来不便。为解决这个问题,改为设法增大R\(_{T}\),并将二极管改成用三极管代替。但RT太大也会影响电路工作稳定性,因此只有在选择三极管上下功夫。在需要长时间延迟的场合,必须选用小电流β大、漏电小的三极管,β值的大小对延迟时间影响较大。图22、23、24、25提供几种连接方式的参数,表4、5、6、7为相应的延迟时间,供选用时参考。




表4
t\(_{W}\)(单位mS) 1 2 5 10 20 50 100
R\(_{T}\)(单位KΩ) 30 30 30 30 30 30 30
C\(_{T}\)(单位μF) 0.1 0.3 0.5 1 2 5 10
表5
t\(_{W}\) 1mS 5mS 10mS 50mS 100mS 1S 2S 5S 10S 40S 50S 60S
R\(_{T}\) 240K 1.25M 250K 168K 360K 510K 1.1M 1.25M 1.25M 1.25M 1.4M 1.4M
C\(_{T}\) 0.01μ 0.01μ 0.1μ 1μ 1μ 4.7μ 4.7μ 10μ 20μ ← 100μ →
R\(_{c}\) ← 3.9K → 10K 18K
表6
t\(_{W}\)(单位S) 30 40 55 70 90
R\(_{T}\)(单位MΩ) 1 1 1 1 1
C\(_{T}\)(单位μF) 22 25 30 100 44
R\(_{c}\)(单位MΩ) 3.9 3.9 3.9 3.9 5.1
R\(_{e}\)(单位MΩ) 39 39 39 43 39
表7
t\(_{W}\) 7mS 10mS 100mS 1S 2S 5S 10S 20S 50S 110S 140S
R\(_{T}\) 220K ← 1M →
C\(_{T}\) 0.03μ 0.01μ 0.1μ 1μ 2μ 5μ 10μ 20μ 50μ 110μ 132μ
R\(_{c}\) ← 2K →
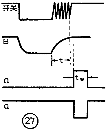
7.防止微动开关抖动的单脉冲发生器。微动开关在通、断时总有些抖动,因此开关的通、断输出就不是一个前后沿陡直、光洁的脉冲。为去掉抖动产生的毛刺,用Tl121单稳电路按图26所示连接。当开关接地时,电容C通过二极管迅速放电,此时Tll21处于稳定状态。当开关转向电源V\(_{CC}\)时,电容C通过R充电,当电容C两端电压达到T1121的阈值电压时立即被触发,于是输出一个脉冲,其脉冲宽度tW= 0.7R\(_{T}\)·CT。R·C值应根据抖动时间的长短恰当选择,从图27中可看出R·C时间常数应大于开关抖动时间t。







