有一台日本爱迪牌HC-1422型14英寸黑白电视机,伴音中放集成电路KA2101(或LA1365、UA3065)损坏,造成无伴音故障。因为目前国内缺少这种备件,所以只好用功能相同的国产集成电路5G32代替。
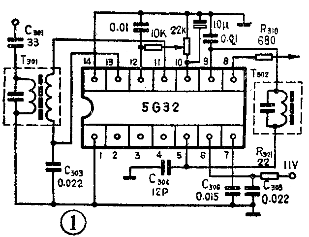
由于KA2101与5G32的外围电路有所不同,所以代换时外围电路要作相应的改动。图1中有编号的元件为原电路的元件,无编号的元件是用5G32代替KA2101对需要增加的元件。具体代换方法如下:

先将图2印制电路板中标号①~⑦处的铜箔用小刀划断, 然后按照下列顺序进行改接:

1)先将印制电路板划断处①接在集成电路的13脚,再将划断处②接在集成电路的11脚。
2)在集成电路的12脚上,外接一个0.01μ的电容器和一个10K的电阻。
3)在集成电路的10脚与地之间接一个10μ的电解电容器,并在10脚与印制板划断处⑥之间接一个22K的可变电阻,这 两个元件均可接铜箔面的一边。
4)将印制板划断处⑦接在集成电路的5脚,划断处⑤接在集成电路的6脚上。
5)在集成电路9脚与地之间外接一个0.01μ的电容器,将集成电路的1、14脚连接并接地。
改接元件时,应避免元件与电路板的铜箔面相碰造成短路。加电前将22K的可变电阻调在中间位置,然后就可加电试听。如果伴音有失真或者有蜂音,可微调T301、T302的磁心。最后再调整22K的可变电阻,以得到满意的伴音为止。(汪南)