问:日本东芝(Toshiba)20英寸彩色电视机的电源调整管2SC1829损坏,请提供它的参数,国产何种型号的管子可以代用?
答:2SC1829是一只大功率管,参数如表。该管有两个特点,一是集电极最大耗散功率大,二是放大倍数大,国产大功率管一般达不到上述参数。但是采取一些措施,还是可以代替的。国产大功率管的P\(_{CM}\)一般为50瓦,只要适当加大散热板面积就能胜任。国产大功率管的hFE一般为几十倍,为提高放大倍数,可用一只高反压中功率管与大功率管按达林顿接法连接(如图所示)。中功率管可用国产12英寸黑白电视机的视放输出管,如3DA87D等,大功率管可用国产12英寸黑白电视机的行输出管,如3DD15D、3DD12B等。(汪锡明)
型号 P\(_{CM}\)(W) Ic(A) BV\(_{cbo}\)(V) Bebo(V) BV\(_{ceo}\)(V) hFE
2SC1829 100 5 200 6.0 150 400~3000

问:匈牙利TA5301型24英寸黑白电视机中有一块集成电路TAA550A,为何只有两根引线?它的内电路怎样?能不能用国产元件代替?
答:TAA550A在国外称作集成电路,实际上只是一只稳压二极管,所以只有两根引线,其内电路如图所示。它的两只引出脚应按图连接,注意不要接反。TAA550A的稳定电压值为30~33伏,可用国产稳压二极管2CW69、2CW70、2CWll9、2CW120代替。 (汪非)

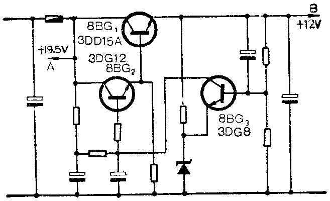
问:一部黄山牌AH—6型电视机稳压部分的复合管8BG\(_{2}\)损坏了,换上一只新管子后很快又烧坏了,而检查8BG1是好的。是什么原因?
答:黄山牌AH—6型电视机的稳压电路如图所示。由8BG\(_{1}\)和SBG2组成的复合管增大了管子的β值,降低了稳压电源的输出阻抗。但流经负载的大电流主要是靠调整管8BG\(_{1}\)的c、 e极构成回路。如果8BG1的集电极开路了,流经负载的电流就会经过8BG\(_{2}\)、由于S8G2的集电极耗散功率太小,所以很快就会被烧坏。因此,当出现上述毛病时,应仔细检查8BG\(_{1}\)的集电极有无焊片松动、虚焊等现象。(任兴宇)

问:一台电视突然出现亮度调不下去,对比度减弱,光栅上出现间隔一公分左右斜亮线的故障,经检查为显象管的阴栅热漏电,有何解决办法?
答:遇到这种情况,可以焊下阴极线,用万用表线的一头接加速极+400V,另一头断续触碰阴极,经过十几秒钟,光栅出现闪动,再过几秒钟光栅全暗。此时接上阴极线,故障即可能排除。产生这种故障的原因是阴极上有杂质、污物形成毛刺,经灯丝加热后膨胀,与栅极相碰。加上+400V高压后将杂物烧掉,故能恢复正常。(张俊亮)
问:我在修理电视机时,常常磁见高压打火的故障,怎样区分是高压包打火还是高压硅堆打火?
答:这里介绍一种快迅判断法: 将高频头与中放通道连接插座的四根连线断开,如果白光栅上仍有打火黑点,且光栅边缘仍有不规则的打火亮点时,可以确认是高压包打火;反之,白光栅干净、边缘无不规则打火亮点,则属于高压硅堆打火。(王家年)
问:一台台湾省制造的声宝NS-12K型12英寸黑白电视机的电源变压器烧坏了,它的绕制数据为多少?
答:NS——12K型电视机采用105伏直流电源,它的变压器次级电压比通常低压供电电视机的次级电压高很多。为了提高电源变压器的效率,减少硅钢片和漆包线以降低成本,它采用自耦式电源变压器。绕制数据如图所示,从98O匝处抽头引出约115伏作为电源变压器的次级绕组,整个绕组共1870匝。绕完后最好进行浸渍处理,以提高电气性能。采用自耦变压器的电视机,与地线连接的金属架是带交流电的,检查时要防止触电。(顾波)

问:在82年第6期介绍的“盒式录音机的偏磁和抹音”一文中,偏磁振荡电路怎样连接才可以适应不同磁带?
答:不同种类的磁带,在录音时录放磁头中应得到不同数值的偏磁电流,抹音磁头中也应得到不同数值的抹音电流。如果用普通带(FeO\(_{3}\))录音时磁头中的偏磁电流设为100%,则用FeCr带时应为120%~130%, CrO2带时应为150%~180%。控制振荡电路的供电电压,就可改变偏磁电流。如图所示,在供电电路中串入不同阻值的降压电阻,就可改变振荡强度,从而达到改变偏磁电流的目的。附表给出各类磁带对应的电压电流值,供大家制作时参考。(言国强)


问:我有一台红灯711—3型电子管收音机,觉得低音还不够丰富,想外接音箱以提高音质,但不知用什么规格扬声器较好,电路要改动吗?
答:红灯711—3型电子管收音机的输出变压器是按4Ω负载设计的,使用4Ω6\(\frac{1}{2}\)英寸纸盆扬声器,输出6W音频功率。最方便的办法是在音箱中仍使用原来这只扬声器。由于助音箱的作用,低音会比原来丰满,音质会有所改善。如果要使低音更突出些,可改用8英寸扬声器。但8英寸扬声器的阻抗最小是8Ω,反射到输出变压器初级的阻抗就不等于电子管板极最佳负载了,造成不匹配,使得输出功率减小,频响变坏,显不出大口径扬声器的优点。如手头上只有8Ω8英寸扬声器,则输出变压器改用初级7KΩ,次级8Ω的可以得到较满意的音质。
由于该机的输出功率原设计为6W,并不算大,所以10英寸以上的扬声器不宜采用,还是8英寸的较好。(王恭行)
问:怎样选择扩音机电源保险丝的容量?
答: 应根据扩音机电源的总耗电电流值1。来选择保险丝的容量。I\(_{0}\)可由下式算出:
I\(_{0}\)=\(\frac{额定输出功率+管子损耗功率+变压器损耗功率}{电源电压}\)
=\(\frac{总消耗功率}{电源电压}\)
多数扩音机的说明书中都已给出机器的总消耗功率,可以很方便的算出I\(_{0}\)来。对于晶体管扩音机,保险丝的额定电流应等于二倍的I0值;对于电子管扩音机,则应等于三倍的I\(_{0}\)值。保险丝的额定电流要取得合适,太大了失去保险作用,太小了会经常熔断,给工作带来不必要的麻烦。(郑浩)
问:图中是某型号晶体管收音机的检波部分。线路分的电容器C\(_{2}\)本来应该接电路地端,为什么却接到电源负极上去了?

答:检波部分的电容器C\(_{1}\)和C2,其作用是将中频465千赫信号旁路入地。由于电容量不大,所以检波出来的音频信号不能被旁路,而能送到音量电位器两端。这就完成了检波级的作用。至于C\(_{2}\)为什么一端不接地而接到电源负极上,是由于电源对交流信号而言是短路的,C2一端接电源负端,也就等效于将交流信号接地了。(张国华)
问:我有一台晶体管扩音机,用话筒输出信号或收音机检波输出信号作信号源时,放音音质很好,但如果从录音机的耳塞插孔中取出信号作为扩音机的信号源,扩音效果很差,失真非常严重,这是什么原因?如何解决?
答:话筒输出信号幅度较小,收音机由于电路内部具有自动音量控制作用,检波级输出信号幅度也不大,不会超过0.6伏。用上述两种信号作信号源时,信号的最大幅度不会超出扩音机输入端所允许的动态范围,所以不会产生限幅失真。录音机耳塞插孔输出信号,有时可高达3~4伏,这样大的信号,在扩音机输入端就会产生双向限幅失真,再经扩音机放大,从喇叭中发出来的声音当然就很难听了。因此,录音机耳塞插孔输出信号的大小,是受录音机音量电位器控制的。为了防止这种失真,扩音时先将录音机音量电位器调到输出较小的位置即可。(张国华)
问:输出电压为6伏供晶体管收音机用的稳压电源,能否再串联上两节1号的1.5伏的干电池,供9伏电源电压的高传真扩音机使用?两个供晶体管收音机用的输出4.5伏的稳压电源串联后能供上述扩音机使用吗?
答:供扩音机使用的电源,除了电源输出电压应满足要求外,电源能够提供的电流也应接近扩音机使用中所需要的最大电流。晶体管收音机用的小型稳压电源,一般仅能供出100毫安左右的电流。如果电源负载稍重,即要求输出的电流大于100毫安时,电源在其内阻上的压降将增大,使电源输出电压降低,负载越重电压跌落越严重,扩音机声音严重失真。所以这样的小型稳压电源不能作为扩音机电源用。因此,上述两种供电方式不能采用。特别是作为高传真扩音机的电源,更不能采用上述供电方式。(张国华)