集成运算放大器目前在音响设备及各种电子线路中使用越来越广泛,为了防止在使用中损坏,造成经济损失,本文向读者介绍几种简易实用的保护电路。
输入端保护电路
集成运算放大器输入端所允许加入的差动输入电压值有一定范围,不能过大。如果超过允许范围,就容易引起集成电路损坏。为此实际使用时可根据不同情况采取一些保护措施。
1.当集成运算放大器输入端施加的差动信号电压较弱时,为了防止因偶然原因,差动输入电压突然增大,将集成块损坏,可如图1所示在输入端的同相端与反相端之间并联一对反接的二极管D\(_{1}\)和D2,用以对输入信号进行限制。二极管的正向电压降约为0.7伏,所以运算放大器的输入信号电压被限制在±0.7伏以内。

2.当集成运算放大器输入端需要施加的差动信号电压较强(例如大于0.7伏)时,不能再采用图1电路保护,而应该采用图2。我们知道,集成运算放大器F001~F005等,其最大差模输入电压V\(_{IDM}\)=±6伏,如果采用图2电路保护,当输入信号大于±6伏时,稳压二极管DZ已工作,于是集成运放电路输入的差模信号电压被限制在±6伏以内。

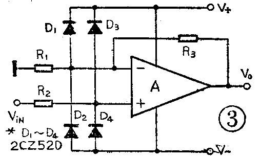
3.集成运算放大器F006、F007、F008、F010、F011等,其最大差模输入电压V\(_{IDM}\)=±30伏,而共模输入电压范围仅为VICR≥12伏,因为所允许的V\(_{IDM}\)比VICR值大许多,为了使用时避免发生意外,在输入端要进行共模保护,以防止所施加共模电压超过规定值。保护电路形式见图3,其原理是:当输入电压大于电源电压值时,二极管D\(_{1}\)~D4分别导通,将集成运算放大器输入电压限制在电源电压值再加上一个二极管的正向压降(±0.7伏)的范围之内,起到保护作用。

输出端保护电路
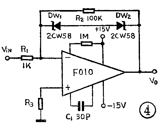
集成运算放大器本身的开环放大倍数很大,在电路中使用时总是要施加很深的负反馈,此时闭环放大倍数仅与负反馈回路中的几个元件有关。如果反馈网络有问题,可能会使集成运放电路输出幅度很大,损坏运放块。为此,可如图4所示,在反馈网路中加入两只隐压二极管以作保护。这种保护电路的优点是不仅能限制输出幅度使其不致过高,还可阻止运算放大器工作于饱和区。

保护原理是:当输出电压|V\(_{0}\)|<VD2+0.6伏时,图4中的稳压二极管不导通,这时电路的闭环增益为-\(\frac{R}{_{2}}\)R1,输出电压随输入信号电压V\(_{iN}\)的变化而线性变化。当输出电压增加到|Vo|=V\(_{DZ}\)+0.6伏时,稳压二极管DZ1、D\(_{Z2}\)被击穿,DZ1、D\(_{Z2}\)已导通,由于导电后电阻值RDZ很小,这时闭环增益迅速下降为-R\(_{2}\)∥RDZ;R\(_{1}\),以保证运放电路输出不过大且工作在线性区。此电路输出电压不会超过(VDZ+0.6伏),在如图4所示选择元件参数时,|V\(_{o}\)|≤10伏。
电源端保护电路
大部分集成运放电路使用正负电源供电。当电源电压极性接反或电源供电电压太高时,集成运放电路就容易损坏。
图5是一种防止电源极性接反的保护电路。当电源极性不慎接错时, D\(_{1}\)、D2均处于反向工作状态,不导通,可对集成运放电路进行保护。

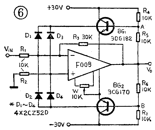
图6是另一种型式的保护电路。这种电路是一种输出幅度扩展电路,在输出功率要求较大(例如大于20瓦时)的用集成运放电路组装的扩音机中常用。它是一个普通的反相放大器,增益约30倍。F008的供电电压由BG\(_{1}\)、BG2提供,改变R\(_{4}\)、R5、R\(_{6}\)、R7的比例,可以得到F008所需的供电电压。当R\(_{4}\)=R5=R\(_{6}\)=R7=10千欧时,F008可以得到近似±15伏的静态供电电压;当R\(_{4}\)=R7=12千欧,R\(_{5}\)=R6=8千欧时,F008可以得到近似±12伏的静态供电电压。由于F008的供电电压随输出电压的改变而浮动,所以F008比较容易损坏。加D\(_{1}\)~D4四个保护二极管后,当输入电压大于V\(_{A}\)或者小于VB时,D\(_{1}\)~D4分别工作,于是A点和B点电位被箝位在一定数值上,起到保护F008的作用。(薛家俊 张旭东)
