(集成)本文介绍一种目前世界上非常流行的只用一片集成电路(下称IC)装置的调频调幅收音机。这种收音机除调频(FM)高频头需要外加两只超高频晶体管以外,其余电路功能均由一片IC担任。我国目前已生产出这种IC,型号为7S2204和FS2204。史普拉格公司的ULN-2204,德律风根公司的TDA-1083,东芝公司的TA7613及日立公司的HA12402等均属同类产品。这种IC收音机的优点很多:①外围电路异常简单;②调整极为方便;③电气性能相当优良; ④电源电压范围很宽,3~12V均能正常工作。
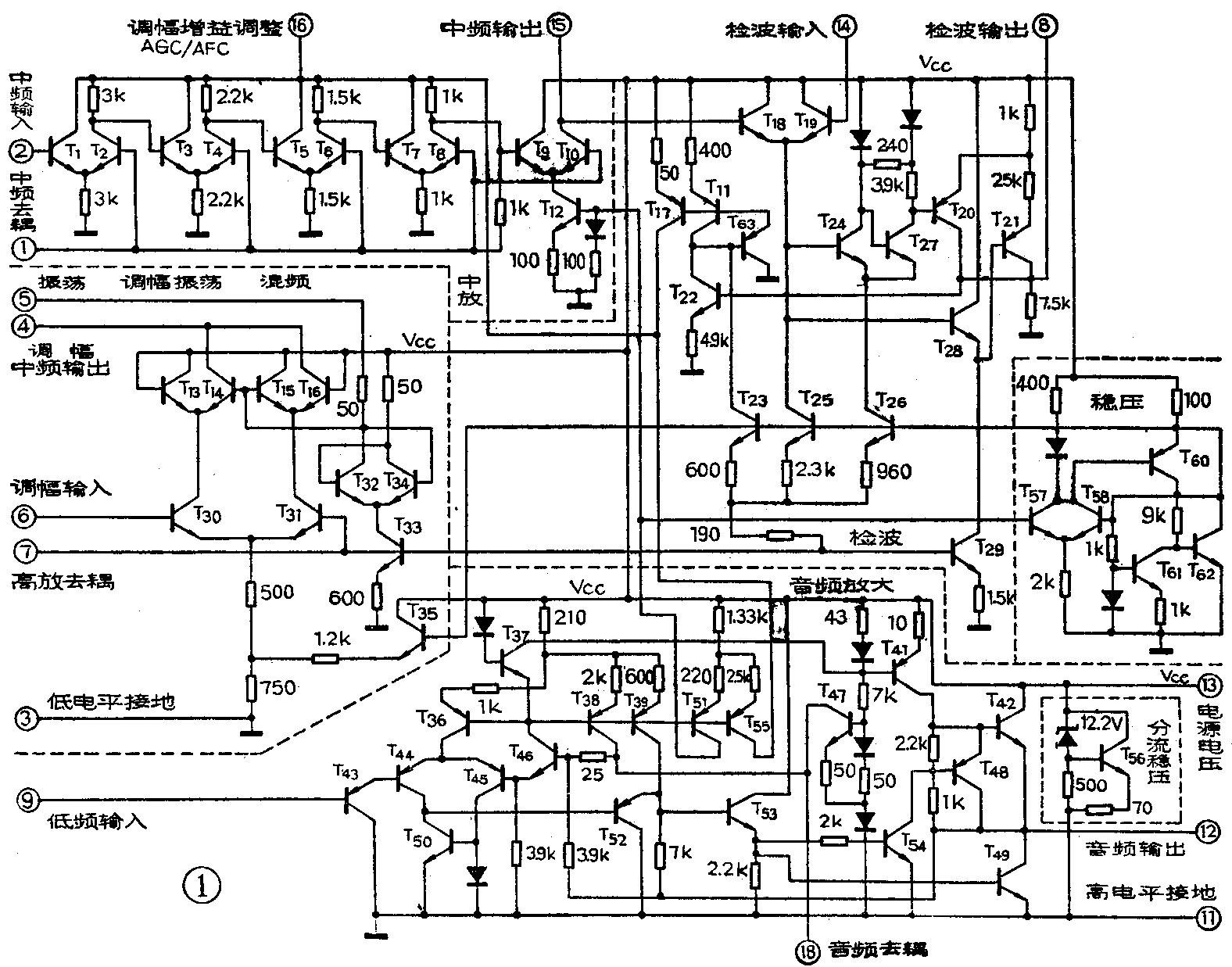
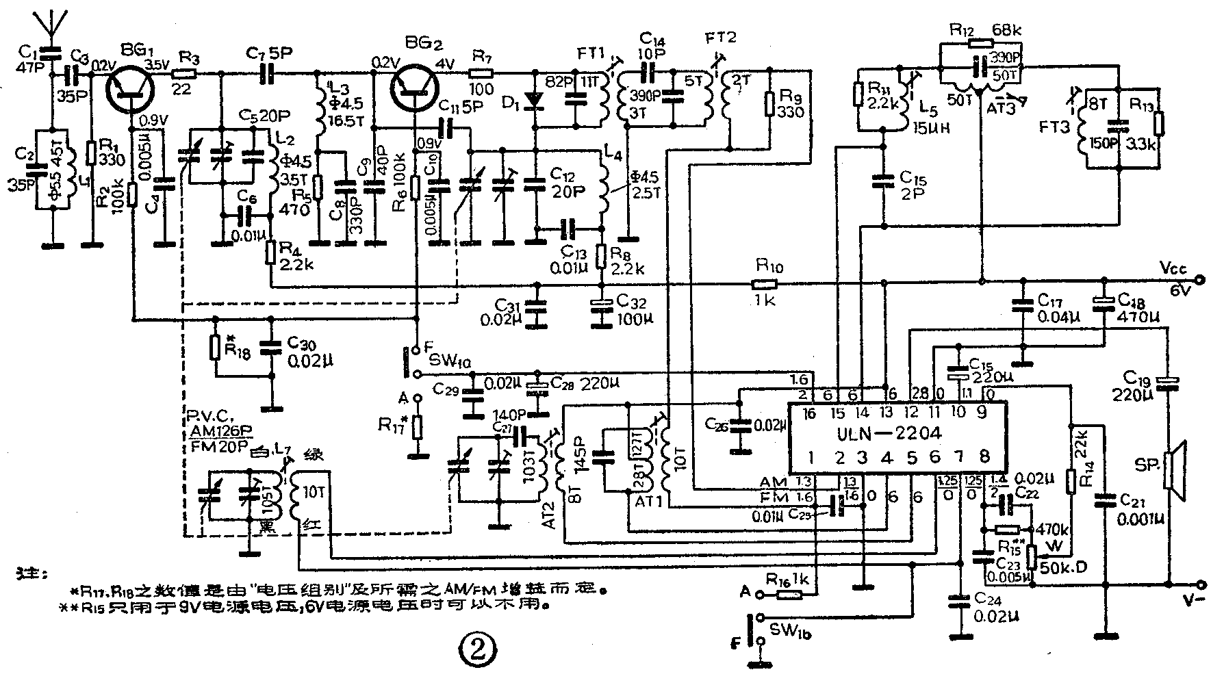
(1)AM混频:L\(_{7}\)是AM波段的磁性天线线圈,外来信号由L7次级送入IC第⑥脚。混频器由IC内的T\(_{13}\)、T14、T\(_{15}\)、T16、T\(_{3}\)0及T31组成双平衡式混频器。C\(_{24}\)对高频旁路,所以外来信号送到IC的⑥、⑦脚之间。本振信号加到T14、T\(_{15}\)的基极。混频后的中频信号(465KHz)由④脚送到调幅第一中频变压器AT1。
(2)AM本机振荡:本振由T\(_{32}\)、T33和T\(_{34}\)组成,其振荡频率完全取决于⑤脚和Vcc之间所接的振荡回路参数。这种振荡器属负阻振荡器类型,电路能否起振与振荡线圈AT\(_{2}\)次级正反无关。本振电压由T32集电极送至混频级。在⑤脚可测得300mV的本振电压。
(3)AM/FM中放:该机中频放大器由T\(_{1}\)~T10五级级连差分放大器担任,FM、AM共同使用,所以中放输入端用串联中周的办法,使AM/FM中频信号均能加到①~②脚之间。放大器的前四级增益受电流源T\(_{17}\)控制,以便使AGC起作用,第五级差分放大器的增益是固定的。放大后的中频信号由T10集电极(即脚)送到AT\(_{3}\)(调幅中周)和FT3(调频中周)。
(4)AM检波和FM鉴频:T\(_{18}\)、T19担任AM检波及FM鉴频,T\(_{25}\)是恒流负载。中频信号由脚输入到Tl8、T\(_{19}\)的两个基极进行全波检波,检波后的音频和直流成分由T25送到T\(_{28}\)、T21进行放大,由⑧脚输出。对于FM波段,由于FT\(_{3}\)调谐于10.7MHz,再加上C15(2PF)的作用,脚的电压比脚的电压相位领先90°,因此T\(_{18}\)、T19构成一个正交鉴频器,工作于开关状态,鉴频以后的音频电压由⑧脚输出。
(5)AGC、AFC及整机增益调整:AM波段时,⑧脚音频电压中有正极性直流成分,且随外来信号增加而减小,通过T\(_{22}\)放大后,它控制了前四级中放的电流源T17。外来信号越强,⑧脚电压越低,T\(_{17}\)输出电流越小, 前四级中放增益也随着变低,起到了AGC作用。另一方面,⑦脚通过WS16、R\(_{16}\)与①脚相连,由于AGC作用使①脚电压跌落,也使⑦脚电压下降,使得混频增益和本振幅度也随着降低,进一步加强了AGC作用。当外界信号场强变化48dB时,输出电压变化不超过10dB。使用FM频段时,SW1b将⑦脚接地AM本振和混频停止工作。由于FM中放增益很高,天线输入几个μV信号就足以使中放处于限幅状态,所以AGC对FM段不起作用。本机利用直流电压(约2V)作为FM高频头的基极偏流源,使得SW\(_{1b}\)处于AM时,自动切断高频头电源,节省波段开关一把刀。同时,接收调频信号时,电压呈S曲线,使得BG2的e-b结电容跟着变化,对本振频率有微小的调整,起到AFC作用。至地接入C\(_{28}\)和C29,C\(_{28}\)可旁路AGC电压的音频成分,给AGC电路提供时间常数。C29可旁路高频成分。调整R\(_{17}\)、R18阻值,可改变AM、FM的电路增益。
(6)音频放大:⑧脚输出的音频电压由C\(_{22}\)耦合到音量电位器,再经R14送入低放输入端⑨脚。C\(_{21}\)用来滤除残余的中频成分。低放电路是很复杂的,这里只讲主要环节。T43是射极输出器,提高放大器输入阻抗。第二级由T\(_{44}\)、T45组成差分放大器。第三级由T\(_{52}\)组成射极输出器,第四级由T53担任推动级。T\(_{42}\)、T49及T\(_{54}\)组成准互补推挽电路。T42和T\(_{49}\)中点的3.9KΩ和25Ω电阻给T46引入负反馈,使放大器稳定工作。C\(_{16}\)起电源滤波和对负反馈电压退耦作用。音频电压由脚经电容C19输出到扬声器。
(7)FM高频头:由BG\(_{1}\)担任高频放大器,BG2担任本振和混频。超高频信号由天线经C\(_{1}\)耦合到L1、C\(_{2}\)组成的输入回路。回路谐振在98MHz,由于回路Q值很低,在88~108MHz范围内不用调谐。信号再经C3输入到BG\(_{1}\)发射极。R1是发射极电阻,R\(_{2}\)是偏流电阻,R3串联在集电极中抑制寄生振荡,C\(_{4}\)使高频信号入地,所以BG1是共基放大器。集电极交流负载是由L\(_{2}\)、C5、可变电容、微调电容构成的谐振槽路,可调谐在信号频率。R\(_{4}\)是集电极馈电电阻,C6起退交连作用。L\(_{3}\)和C8谐振于10.7MHz,起陷波作用。超高频信号由BG\(_{1}\)集电极输出,经C7输入到BG\(_{2}\)发射极。这是共基变频器,R5是发射极电阻,R\(_{6}\)是偏流电阻,C10是旁路电容,R\(_{7}\)可抑制寄生振荡。R8和C\(_{13}\)分别是集电极馈电电阻和旁路电容。集电极负载是由中周FT1和本振回路串联而成的。对于FM本振频率来说,FT\(_{1}\)呈短路,集电极电压经C11和C9\(_{分}\)压反馈到BG2发射极产生振荡。振荡频率完全取决于本振回路参数。由于L\(_{4}\)电感量小于L2,本振频率始终高于外来信号频率。 FT\(_{1}\),FT2通过C\(_{14}\)耦合构成双调谐中频变压器。R9并联于FT\(_{2}\)次级,一方面得到较宽通带,另方面也是IC内部中频放大器稳定工作所需。整个高频头的总增益为14dB。
元器件的选用和自制 所有电阻均采用1/8W碳膜电阻。除电解电容外,所有电容器均采用瓷介电容。其中容量在470pF以下者必须采用容量误差不大于10%的高频瓷介电容,其余的可以采用低频瓷介电容。线圈L\(_{1}\)、L2和L\(_{4}\)用φ0.8mm漆包线绕制;L3用φ0.5mm的漆包线绕制。可在圆棒上密绕,再脱胎而成。绕制数据标在原理图上。图中“Φ”系指线圈的内径;“φ”系指匝数。L\(_{5}\)采用φ0.1mm漆包线在φ4mm的短波圆工形磁芯上密绕32匝,用光铜线作外引线,再用环氧树脂包封而成。如有15μH的色码电感也可代用。L7是AM天线线圈。初级用φ0.1mm的单股丝包线在磁棒上密绕105匝;次级用同样的线绕10匝。配用φ10×100mm的中波磁棒即可。FM天线可用6O公分左右的拉杆天线。FT\(_{1}\)、FT2、FT\(_{3}\)为FM中频变压器,采用10×10小型短振的结构。可用φ0.1mm的漆包线在φ4的短波圆工形磁芯上绕制。其匝数和配谐电容见原理图。工作频率为10.7MHz。AT1、AT\(_{3}\)为AM中频变压器,工作频率为465KHz。AT2为中波振荡线圈,采用10×10小型中振结构。可用φ0.07mm漆包线在φ4mm的中振圆工形磁芯上绕制,其匝数和配谐电容见原理图,AT\(_{2}\)的中心电感量约360μH。因为印刷电路板上没有安装配谐电容的地方,以上所有中周必须采用内附电容式的。四联可变电容采用20×20mm的AM/FM带微调电容的四联,最大容量为126/20pF。音量调节器采用50KΩ指数式带开关炭膜电位器。波段开关采用2×2拨动式。BG1和BG\(_{2}\)可采用3DG204,β选6~150。D1采用2AP3、2AP4或2AP7均可。本机印刷电路板的设计,对此机的成败关系极大。图3绘出了本机成熟的印刷电路板图。

调试方法(1)IC增益调整:接通电源,首先检查的直流电压,因为它是IC增益高低的标志。的电压,AM波段应保持在1.45~1.65V;FM波段应保持在1.8~2.0V之间。如发现此电压过低或过高,可改变R\(_{17}\)或R18的阻值,否则,不是增益太低灵敏度跌落;就是增益过高造成自激式噪声过大。IC在出厂前,已按电压的高低分档。每块IC正面有11、12…33编号,可按附表调整R\(_{17}\)和R18的阻值,以保证的电压在上述范围。电压调整完毕,IC其它各外引线以及晶体管各电极对地的电压,应如图2所示,其误差不应超过20%(假定电源电压采用6V)。
组别 R17 R18
11 开路 680Ω
12 6.8K 680Ω
13 4.7K 680Ω
21 开路 560Ω
22 6.8K 560Ω
23 4.7K 560Ω
31 开路 470Ω
32 6.8K 470Ω
33 4.7K 470Ω
(2)AM段调整:方法与普通晶体管收音机相同。AT\(_{1}\)、AT3用来调整中频。调覆盖时,低端调AT\(_{2}\) 磁帽,高端调振荡连上的半可变电容。统调时,600KHz调整L7在磁棒上的位置,1500KHz频率上,调天线连的半可变电容。
(3)FM段调整:用信号发生器输出10.7MHz调频信号,SW\(_{1}\)打到FM位置,四连旋到容量最大,调整FT1、FT\(_{2}\)使扬声器声音最大。再输出10.7MHz调幅信号(调制度30%),调整FT3使声音最小。反复几次即可调好中频。调覆盖时,先输出87MHz调频信号,四连旋到容量最大,用改锥拨动L\(_{4}\),改变其匝距,使扬声器输出最大。再输出109MHz调频信号。四连旋到容量最小。调整FM振荡连半可变电容,使声音最大。反复几次。统调时,先输出88MHz调频信号,调四连,使收音机调谐于88MHz上。拨动L2的匝距,使扬声器输出最大。再输出108MHz调频信号,用改锥调天线连半可变电容,使声音最大。反复几次即可结束。调整完毕用高频腊将所有可调元件封固,以免发生高频机震。

