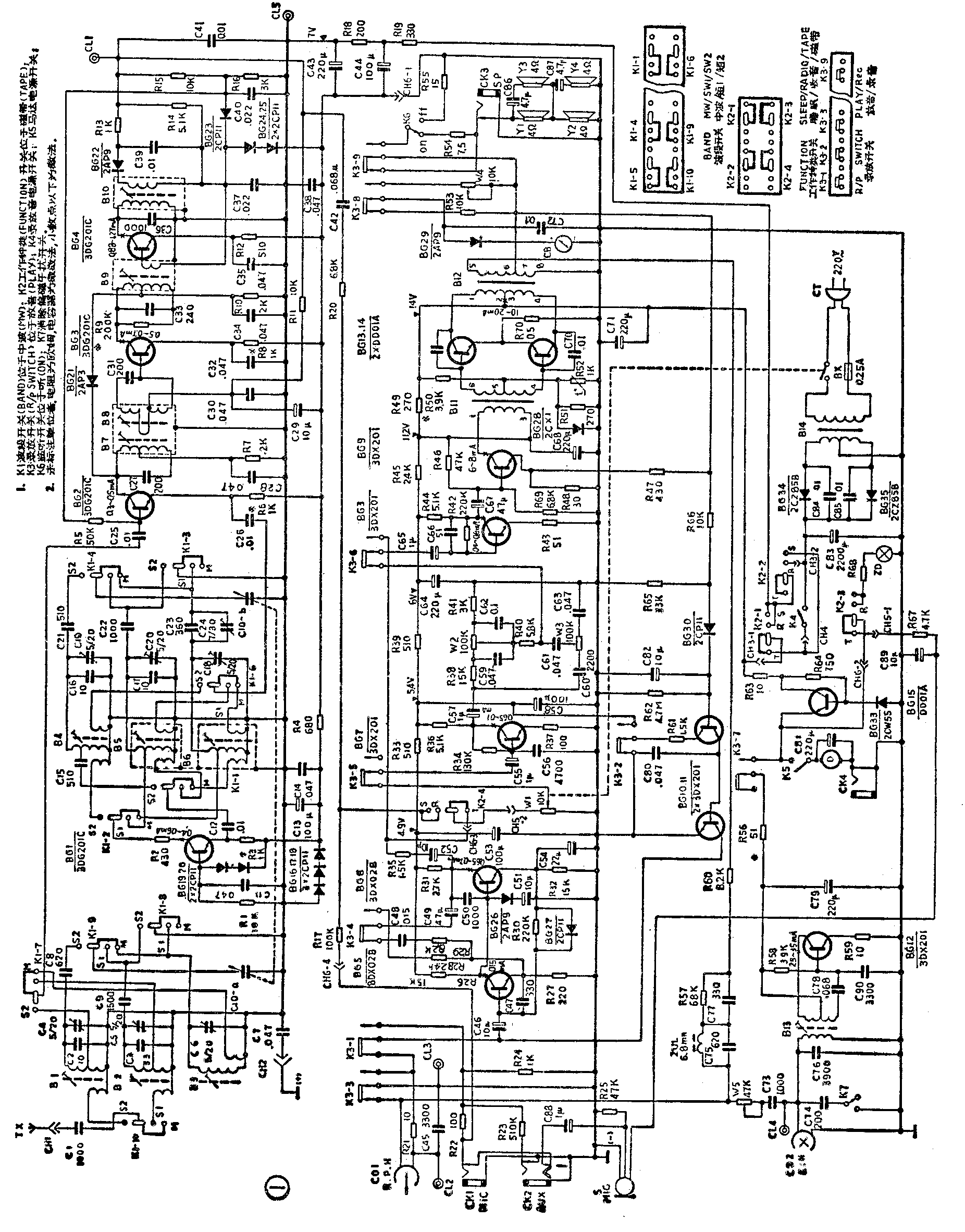
熊猫SL-21型台式收录机是一种由15只半导体三极管组成的调幅三波段交流台式收、录两用机,在1982年全国首届录音机评比中获得一等奖。该机功能齐全,有机内话筒和广播节目录音功能,机器备有外接话筒、线路输入、外接扬声器和遥控等插口及暂停、自停机构;该机备有磁带计数器、电平表、录音监听开关、消除偏磁干扰开关等;录音方式采用先进的交流偏磁、交流抹音;配有独立的高、低音调节旋钮,频响较宽,SL-21型装有两只φ165mm扬声器, SL-21-1型是SL-21的改进型,又多加有两只φ50mm高音头,高音明亮清晰。图1是该机的电原理图。

一、性能简介
收音机频率范围:中波(MW):525~1605KHz;短波Ⅰ(SW\(_{1}\)):3.2~8MHz;短波Ⅱ(SW2):8~18Hz。
磁带速度: 4.76cm/秒;带速误差:≤±3%;
抖晃率:<±0.5%;频率响应:125~8000Hz;
信噪比:>40dB;谐波失真:<5%;
最大输出功率:5W;
安全试验:1500伏1分钟无击穿飞弧现象;
二、收音机高中频电路
本机继承了国营南京无线电厂生产的收音机传统特点,采用电感耦合输入回路、独立振荡和混频方式。中频采用一级电感耦合双调谐和两级单调谐回路,并有良好的AGC电路。在接地方式和本振电路方面有所创新,对保证整机工作稳定可靠起到一定作用。
1.接地方式:高、中频收音电路和录、放音低频部分采用分开接地方式。前者为“+”接地,后者为“-”接地。电源“+”通过R\(_{19}\)、R18、C\(_{44}\)、C43降压滤波电路,以C\(_{43}\)“+”端作为高、中频部分的地。这样,录放部分的低频电路及马达所产生的噪声和其他低频干扰就不易串入高中频供电系统。高、中频部分的三极管集电极可以通过线圈直接到“地”,比通过旁路电容到“地”更稳定。特别是对本振电路,不仅带来稳定的作用,还使振荡线圈的制作工艺得到简化。由于接地方式特殊,修理时应特别注意。
2.本机振荡电路:本振电路属于共基极电感三点式振荡器。BG\(_{1}\)为振荡管,B4\(_{5}\)6分别为短Ⅱ、短Ⅰ、中波的振荡线圈。振荡线圈采取弱耦合方式,半导体管的参数变化不会影响槽路。振荡级采用双稳压措施。BG\(_{1}\)集电极经振荡线圈直接到“地”。负电经R4、C\(_{14}\)滤波,BG16~18三只二极管稳压供给BG\(_{1}\)发射极,这样BG1的发射极与集电极之间有1.9伏稳定电压。极间电容C\(_{ce}\)几乎稳定不变。另外,基极电压通过BG19、BG\(_{2}\)0两只二极管从R4左端取得,使基极保持1伏的稳定电压。因此BG\(_{1}\)的直流工作点和极间电容Cce保持恒定不变,使得振荡频率和输出幅度极为稳定。
3.混频和中放:B\(_{1}\)2\(_{3}\)分别为短Ⅱ、短Ⅰ和中波的天线输入线圈。 B2\(_{3}\)合用一根磁棒。为提高短波接收效果,本机备有外接天线,由波段开关K1-10变换。BG\(_{2}\)为混频管,输入信号由基极注入,振荡信号从发射极注入,混频输出接有双回路B7\(_{8}\)。BG3、BG\(_{4}\)为两级中放管。BG22为检波二极管,静态时流过45μA正向偏置电流,使检波工作在二极管的线性部分,改善了失真指标。
4.AGC电路:由C\(_{29}\)和R11构成一般的AGC电路。第一中放管BG\(_{3}\)的基极偏压经过R11从R\(_{15}\)上端取得。同时R15上端对地电压又为BG\(_{22}\)提供了一个正向偏置电压。当信号变强时,R15上端对地的电压减小,BG\(_{3}\)基极偏压也相应变小,集电极电流下降,一中放增益下降,达到了自动增益控制目的。由于AGC的作用, BG3的集电极电流变小,集电极电位提高,使BG\(_{21}\)的正极电位高于负极电位,BG21导通,相当一个小电阻并联在B\(_{7}\)的初级线圈上,使回路Q值大为降低、本级增益大幅度下降,克服了接收特强信号时产生的失真。
三、录、放低频电路
(一)放音电路由前置放大器和低频放大器组成。
1.前置放大器:前置放大器由BG\(_{5}\)、BG6构成,其作用是将来自磁头的信号加以放大,并按照标准进行频率补偿。放音磁头是前置放大器的信号源。磁头是电感元件,其电抗X\(_{L}\)与频率有关。本机磁头选用RP5121 BA66型, 1KHz阻抗为600Ω,频率升高,阻抗增大,10KHz时阻抗为4KHz,其频率特性见图2。为保证磁头的高频信号不受衰减,前置放大器的输入阻抗Zin(图3)在频率高端仍应远大于X\(_{L}\),Zin与R\(_{27}\)及BG5的β关系密切(Z\(_{in}\)=R27×β),当β选择在200时,Z\(_{in}\)≥10XL。磁头输出信号在几微伏至几百微伏范围,因此BG\(_{5}\)应选用低噪声高β三极管。


BG\(_{5}\)、BG6组成的前置放大器,放音频响特性是根据录放磁头的频率特性设计的。图4a是RP5121BA66的放音频率特性。为使前置级输出信号的频响平直,选择R\(_{29}\)=8.2KΩ,C48=0.015MF,时间常数T=R\(_{29}\)×C48=120\(_{μ}\)S符合标准,其频率特性如图4b所示。

录放磁头的电感量约为95mH,在磁头两端并联C\(_{45}\)(3300pF),其谐振频率f0=10KHz,该网络对6.3KHz~10KHz的信号提升3~4分贝。C\(_{5}\)0是BG6的集电极—基极反馈电容,用来抑制高频自激,使电路工作稳定。本级放音时增益约为40dB,录音时增益为30dB。
2.低频放大器由音调网络、电压放大、激励和推挽功放电路组成。该放大器是收音、录音、放音兼用的,由工作种类开关K\(_{2}\)和录放开关K3进行转换。本机采用衰减式高、低音独立可变音调电路,分别对高音、低音衰减,由于这种电路的损耗较大(315Hz损耗23dB、1000Hz损耗26dB),音调级BG\(_{7}\)的增益几乎全部损失在音调网络中。
BG\(_{8}\)构成电压放大器;BG9构成激励级;BG\(_{13}\)、BG14构成推挽功率放大器,低频放大器总增益为50dB左右。R\(_{52}\)是一只负温度系数的热敏电阻,粘贴在功放管的管壳上,起稳定功放静态电流的作用。R47将输出变压器的一部分信号反馈至BG\(_{9}\)的发射极,改善了谐波失真。功放级是普通变压器耦合,该乙类推挽功率放大器在10%谐波失真情况下,可输出4瓦音频功率,最大输出5瓦。
(二)录音电路:当K\(_{3}\)处于录音状态时,由BG5、BG\(_{6}\)、BG8、 BG\(_{9}\)、 BGl3、BG\(_{14}\)构成录音放大器,此时音调级由于K3-5、K\(_{3}\)-6的变换,不能接入电路。
1.输入电路:输入电路由话筒输入电路、线路输入电路和收音机输入电路等几部分组成。当K\(_{2}\)位于磁带(TAPE)位,K3位于录音状态时,即可用机内话筒录音。如用外接话筒录音,可将话筒插头插入CK\(_{1}\),此时机内话筒自行断开。当录制其他收音机、电视机、电唱机、录音机的节目时,外面的信号应从插口CK2 送入,本机线路输入电平为200mV时较适宜,观察录音电平表指示在-5~-3范围时,磁带上即可录上标准磁平(160nWb/m)。用本机收听广播时可随时对收音节目录音,只要K\(_{2}\)位于收音(RADIO)状态,K3处于录音(REC)状态。本机的检波级输出信号就会经R\(_{2}\)0、R17等元件送到BG\(_{5}\)基极,并经BG6、BG\(_{8,9,13,14}\)放大,由B12次级5端输出到磁头录音。
2.前置放大器:录音时前置放大器与放音基本相同,只是通过K\(_{3-4}\)将补偿网络更换了,由于R28的深度负反馈,提高了信噪比。
3.录音放大器负载:一般,录放兼用放大器录音时都是利用功放级提供录音电流。录音状态下功放级的负载就是录放磁头,磁头中录音电流从输出变压的5端得到,R\(_{57}\)、R60是恒流电阻,由于阻值较大,能满足录音时的恒流要求。 R\(_{57}\)、C77是用来作录音补偿的。由于C\(_{77}\)的阻抗随频率升高而减小,录音电流也随着频率的增加而增加,这就补偿了录音时的高频损耗。本机315Hz标准频率时的录音电流为50μA。测量R21上的音频电压就可计算出磁头中的录音电流是否符合要求。
4.偏磁振荡,录音时偏磁振荡管BG\(_{12}\)通过K3-7,得到+6V电压。B\(_{13}\)次级线圈、抹音头线圈及C76共同组成选频回路,振荡频率约75KHz。阻流圈(ZUL)和C\(_{75}\)构成阻波器,谐振频率约75KHz,因此对75KHz的偏磁电流阻力最大,防止偏磁电流进入录音放大器。调整B13磁芯使R\(_{21}\)上出现交流电压最大值,然后再调W5使录放磁头中的偏流为0.6~0.7mA。抹音头选用E—621MM型,工作电流为20mA由于振荡器提供了30mA以上电流,所以抹音效果优于60dB。K\(_{7}\)是消除偏磁干扰开关。搬动K7可改变偏磁振荡频率。
四、结构
(一)外形结构 该机外形设计得较新颖含蓄,尺寸大小适中,长度主要由扬声器尺寸及录音机芯尺寸决定,高度及厚度尺寸主要考虑音质。为提高经济效果,前脸的喇叭板及录音机芯板分成三块,减小了模具尺寸,避免使用大容量注塑机,降低了单机成本。(待续)(胡世英 钱智仁 杨必标)