超外差式收音机的电路组成如方框图1所示,天线接收到的高频无线电信号经输入电路送至变频级,与变频级的本机振荡信号进行混频,得到频率较低的中频信号(天线信号与本振信号的差频),送至中频放大器进行放大,然后经振幅检波器检出音频信号,最后把音频信号进行电压和功率放大去推动扬声器。本文先讨论输入电路部分。

输入电路的作用
从天线到收音机中第一级晶体管基极之间的电路叫做输入电路,在超外差式收音机中,输入电路的主要作用是满足选择性的要求。所谓选择性,是指把所要收听的电台信号选出来,而把不需要的电台或干扰信号抑制掉的能力。这种选择作用包括下述三方面的内容。
首先,因为许许多多的广播电台所播发出的信号是以不同的载波频率彼此区分开的,例如,中央台的540KHz,630KHz;北京台的828KHz,927KHz,1026KHz,1476KHz等等。所以,收听时就必须分隔开相邻的电台,即只选出所需电台的信号,而抑制掉邻近电台的信号,不出现串台的现象。这种选择能力叫做邻近波道的选择性。
其次,由于超外差机要在变频级把高频信号变成中频信号,这个中频在我国选为465KHz,变换的方法是取本机振荡的频率f\(_{振}\)与信号频率f信之差,而且一般本振频率取得比信号频率高,即f\(_{振}\)-f信=465KHz。这就产生了一个问题,如果有另外一个电台或干扰信号,其频率f\(_{干}\)刚好比本振频率高465KHz,即f干-f\(_{振}\)=465KHz,其差值也是中频,这个信号也会经变频级变成中频信号,结果,它与有用信号变成的中频信号同时送至中放级,造成f干对有用信号f\(_{信}\)的干扰。举例来说,欲接收信号f信=540KHz,本振信号f\(_{振}\)=1005KHz,则f振-f\(_{信}\)=1005KHz-540KHz=465KHz(中频),倘若又有一个信号f干=1470KHz,则f\(_{干}\)-f振=1470KHz-1005KHz=465KHz,也是中频。这样,1470KHz的信号就会干扰540KHz的有用信号。如果把它们的频率关系画在图上,将如图2所示。可是,f\(_{信}\)和f干在表示频率的横轴上分居f\(_{振}\)两侧,都距f振465KHz,很像以f\(_{振}\)为镜面的“物”与“像”的关系。所以常称f干为f\(_{信}\)的镜像频率或假像频率。这种干扰就叫镜像干扰。选择有用信号去掉镜像干扰的能力叫作镜像选择性。

另外,如果外来信号中混有恰巧为中频或与中频相接近的干扰信号,也可能直接通过变频级送到中放,造成对有用信号的干扰,所以输入电路还应当能抑制这种中频干扰信号,这种能力称作中频选择性。
超外差机中的输入电路除满足上述选择性的要求之外,还希望它能给出最大的信号电压,以提高接收的灵敏度。同时,它工作的频率范围应能保证接收波段内包括的所有电台信号,即有足够宽的波段覆盖范围。比如,中波段时输入回路的覆盖范围应为525KHz~1605KHz。
选择作用是如何实现的
上述选择电台和抑制干扰的任务是由输入电路中的串联谐振回路完成的。图3就是这种串联谐振回路的电原理图。它由电感L,可变电容C构成。图中电阻r表示线圈L和电容C的损耗电阻,在实际电路中虽然看不到它,但它却是实际存在着的。e\(_{L}\)表示外界无线电波在电感L上感应出的感生电动势。由串联谐振回路的特性可知,回路有一个固有的谐振频率ω0=1;\(\sqrt{LC}\)(ω\(_{0}\)=2πf0)。当信号e\(_{L}\)的频率刚好等于ω0时,回路产生谐振现象,这时整个回路的总阻抗最小,且为纯电阻r,在回路中将有最大的回路电流。当然,在电感或电容上的电压就是该最大电流与感抗ω\(_{0}\)L或容抗1;ω0C的乘积,也将最大。如果信号e\(_{L}\)的频率偏离回路的谐振频率ω0,回路将失谐,整个回路的总阻抗要变大,回路中的电流将变小,电感或电容上的电压也相应变小,而且,e\(_{L}\)的频率偏离ω0越远,电感或电容上的电压就越小。我们把这种电压和信号e\(_{L}\)的频率的关系画成曲线,将如图4所示。叫做回路的谐振曲线。图中横轴表示信号eL的频率,纵轴表示电感上的电压(u\(_{L}\))或电容上的电压(uC),ω\(_{0}\)是回路的谐振频率。


外界感应的信号e\(_{L}\)是包括很多频率成分的,对于刚好等于ω0的频率成分,u\(_{L}\)或uC有最大值,而对于偏离ω\(_{0}\)的频率成分,则uL或u\(_{C}\)减小。且偏离ω0越远u\(_{L}\)或uC就越小。或者说,u\(_{L}\)或uC的大小反映了回路的这种能力:它能选择出刚好等于其谐振频率的信号(u\(_{L}\)或uC大)而抑制偏离其谐振频率的信号(u\(_{L}\)或uC小)。这就是回路的选择作用。如果假设ω\(_{0}\)是所要收听的电台信号频率,而ω1,ω\(_{2}\),ω3……是其他电台或干扰信号的频率(包括镜像频率,中频干扰频率……等等),那么,只要使回路刚好谐振于ω\(_{0}\),就达到了选择所需电台信号而抑制无用信号或干扰的目的。实际上的输入回路就是靠改变可调电容C的数值,使回路谐振于波段内任何一个要选的电台的频率而选台的。通常,选出的电台信号利用与L耦合在一起的线圈L'取出来送往第一级晶体管基极(图3)。
谐振回路选择性的好坏、输出信号的大小(即灵敏度),都与谐振曲线的形状有关。因为r越小回路电流越大,而感抗ω\(_{0}\)L或容抗\(\frac{1}{ω}\)0C越大则u\(_{L}\)(或uC)越大,即回路输出信号越大,所以回路的选择能力即品质的高低可用一个系数Q=ω\(_{0}\)L;r=\(\frac{1}{ω}\)0C\(_{r}\)来表示,Q叫做回路的品质因数。对应不同Q值的回路谐振曲线如图5。可见,Q越高,曲线越陡,谐振时uL或u\(_{C}\)越大,而失谐处uL或u\(_{C}\)衰减也越快,即回路的选择性和灵敏度越高。所以实践中应设法提高回路的Q值。

磁性天线
在半导体收音机中,为提高输入电路的选择性和灵敏度,都采用磁性天线。所谓磁性天线就是将上述输入回路的电感线圈绕制在铁氧体材料的磁棒上。这种磁棒具有较强的导磁能力,它能聚集空间无线电波中的磁力线,在线圈中感应出较大的信号电压,使灵敏度提高。另一方面,由于电台播发的无线电波中磁场的方向是水平的,所以当磁性天线水平放置并且其轴线的垂直方向指向电台时(图6a)会聚集最多的磁力线,得到最大的信号电压,而磁棒轴指向电台时(图6b),感应信号大大减小。即这种天线有很强的方向性。在使用时正确选择收音机(即磁性天线)的方向,可使所接收电台的信号最大,其他电台或干扰信号最小,这就提高了收音机的选择性和抗干扰能力。

磁棒越长,聚集空间磁力线的可能性越大;磁棒的截面积越大,磁阻就越小,在线圈中感生信号也越大,所以只要机壳空间允许,选长些粗些的磁棒是有利的。至于截面为圆形或扁形,只要截面积相当,则效果一样,可视安装方便而定。
磁棒材料分为锰锌铁氧体和镍锌铁氧体两种。前者导磁率高,但工作频率较低,只适用于中波波段。后者虽导磁率较低,但工作频率较高,适用于短波波段。所以中波和短波磁棒不宜换用,维修时应该注意这一点。有些产品将适合不同波段用的磁棒分别涂以不同色漆,如中波涂黑色,短波灰色,选用就较方便。在实用中有时中短波共用一根短波磁棒,也有时将中短波两根磁棒粘成一根使用,效果都差些。最好的办法是中短波磁棒分开,可使各波段都得到较高的灵敏度。如果维修时发现磁棒折断,又无可更换,则将折断处粘合牢固,只要空隙足够小,不使磁阻增加太多,一般说效果变化不大。
有了磁性天线,还要不要加接外接天线呢?这要看接收地点的情况而定。一般如中波段信号较强,只用磁性天线已能很好地工作,就不必加外接天线。短波段信号较弱,常需外接天线或备有拉杆天线。有外接天线时收到的信号较强,灵敏度会高些,但磁性天线的方向性减弱,选择性会变差,因此有时接外接天线后收到的电台数量显得多,但串台现象会严重些,使用中应酌情考虑。
实际电路分析
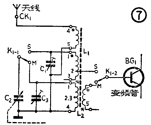
图7、8分别为牡丹6410机输入电路图和磁性天线结构图。该机是有两个波段的中短波收音机,频率范围是中波525~1605KHz,短波3.9~12MHz,分别用中波和短波两根磁棒作磁性天线。中波为M\(_{4}\)φ10×200磁棒(锰锌铁氧体材料,截面直径10mm,长度200mm),短波为N1φ10×140磁棒(镍锌铁氧体材料,截面直径10mm,长度140mm)。输入电路中的全部线圈分绕在两根磁棒上,用波段开关K\(_{1}\)倒换线圈以选择收听的波段。图中K1-1,K\(_{1-2}\)……分别表示波段开关K1的第1组接点,第2组接点……等等。各组接点是一起联动转换的。当各组接点都接M时是收听中波时的情况,而各组接点都转接到S时是收听短波时的情况。L\(_{1}\)是绕在短波磁棒上的线圈。中波时无用。L2是绕在中波磁棒上的线圈,短波时无用。图9择画了接收中波时的电路,我们以此电路为例作一些说明。图中,L\(_{2}\)的初级线圈(1~4之间)与可变电容C2(还并联C\(_{3}\))组成了串联谐振回路。当改变C2的容量,从最大变到最小(或者相反)时,可使回路在中波段内分别谐振于所需任一电台的频率,初级电感上的谐振电压耦合到绕在同一磁棒上的次级线圈L\(_{2}\)的5~6端,由6端送至变频管的基极。这就是调谐选台的过程。微调电容C3是可变电容C\(_{2}\)的补偿电容,用以保证回路能覆盖整个波段(以后再详细介绍)。



初级线圈和次级线圈端头的接法如图7所示,两线圈的同名端以“*”号和“·”标出。这种接法对提高镜像选择性和防止自激有利,维修时不宜改动。线圈在磁棒上的位置很重要,当它在磁棒中间时,电感量大,但Q值低;在端部时电感量小,Q值高。应放在端部并留出调整余地(距端部5~20mm左右)。初次级线圈间的距离(耦合松紧)影响回路的谐振曲线即选择性,维修时不宜大动。初级线圈的匝数是根据C\(_{2}\)的容量变化范围及回路覆盖的频率范围计算得出的,采用分段绕法(如图8)以提高Q值。次级线圈的匝数通常约为初级的1/10左右,这是考虑到天线回路谐振阻抗较高,而变频晶体管输入阻抗较低,为实现阻抗匹配以使变频管得到最大的信号输入而选取的。
对应于短波段的电路如图10所示,上述分析仍是可行的,区别在于短波时有外接天线(CK\(_{1}\)是外接天线插孔),天线信号通过线圈L1(4~5端)与回路线圈L\(_{1}\)(1~3端)的电感耦合送入谐振回路。基极线圈则采用了自耦变压器耦合的方式,选出的信号从回路线圈L1的一部分(2~3端)取出,以加强耦合,使基极得到较大的信号,其变比又保障了阻抗的匹配。工作原理与中波无异,读者不难自行分析。(王勤)
