在放大电路中,若采用晶体管恒流源取代集电极负载电阻,便构成所谓“有源负载放大器”。这种电路的电压增益特别高,例如近代的集成运算放大器,一般只需要两个增益级就能达到十万倍以上的电压放大倍数,这是采用电阻负载无法实现的指标。为什么有源负载放大器有如此高的增益?通常运用哪些形式的恒流源作负载?在何种电路中适宜采用它?对这些问题,本文将分别说明。
负载大小对电压放大倍数的影响
我们知道,如图1a所示的共发射极放大电路,其电压放大倍数A\(_{u}\)=βRChie(忽略晶体管的内部反馈)。式中β和hie分别为晶体管的电流放大系数和输入电阻,R\(_{C}\)为集电极负载电阻,“-”号表示输出电压与输入电压反相。由上式可见,在晶体管确定的条件下,要想提高电路的电压增益,主要途径是增大RC的阻值。但负载电阻的取值不能太大,因为R\(_{C}\)越大,其上的直流压降ICR\(_{C}\)就越大,在一定的电源电压条件下,集电极到发射极间的静态电压UCE就越小(U\(_{CE}\)=EC-I\(_{C}\)RC)。U\(_{CE}\)减小,将使放大器的动态范围(在不产生失真的条件下,输出电压所能摆动的最大范围)减小,这样便限制了放大器的输出幅度。因为输出的交流信号电压uce是叠加在静态电压U\(_{CE}\)之上的(图1b),它的振幅Ucem不能超过U\(_{CE}\),超过了便产生失真(图1c)。所以,单纯靠增大RC来提高增益是不妥当的。如果采用晶体管恒流源作负载,则可以妥善地解决这个问题。

采用有源负载为何能提高增益
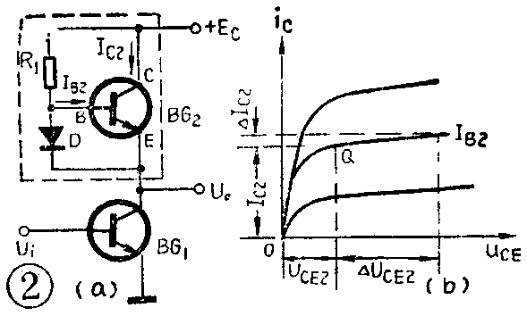
图2a所示为单管有源负载放大器。图中BG\(_{1}\)为放大管,信号从它的基极输入,集电极输出。BG2为负载管,它和R\(_{1}\)、D组成BG1的“负载”,因为这种负载中包含有源器件晶体管,所以叫有源负载。二极管D为正向接法,当接通电源后,其正向压降U\(_{D}\)就作为BG2的基、射间偏置电压,因为U\(_{D}\)近于定值,所以UBE2也近于定值,I\(_{B2}\)不变,于是IC2也接近恒定。即BG\(_{2}\)、R1和D组成了恒流源,故放大管的这种负载也称为恒流源负载。用恒流源作负载,克服了用电阻作负载的放大器中当R\(_{C}\)之值取得很大时动态范围小的缺点,这是因为恒流源的直流电阻可以调整得很小。例如,当我们设法改变UBE2的值(选用不同的二极管D或在二极管下面串联一只小电阻),而使BG\(_{2}\)的基极电流等于图2b上的IB2时(图2b为BG\(_{2}\)的输出特性曲线),只要在BG2的C、E极之间加一个较小的电压U\(_{CE2}\),就能得到一个较大的电流IC2,而U\(_{CE2}\)/IC2就相当于恒流源直流电阻,显然,这个电阻值是很小的,这样就不至于象集电极负载电阻R\(_{C}\)那样过多地占去电源的直流压降,使BG1的U\(_{CE}\)维持所需的数值,所以确保了放大器的动态范围。

另外,从图2b看出,I\(_{B2}\)曲线仅是略微上翘,在Q点附近,UCE2较大的变化ΔU\(_{CE2}\)所引起的IC2变化ΔI\(_{C2}\)非常小,所以BG2管C、E间的动态电阻r\(_{ce2}\)=ΔUCE2/ΔI\(_{C2}\)非常大,这就是恒流源电路的恒流特点。正因为如此,才能使放大管BG1集电极电流的变化充分反映到负载上去,获得较高的输出电压,从而使放大器具有较高的电压放大倍数。
有源负载的几种电路形式
用晶体管恒流源作负载,重要的一点是设法使恒流源的电流尽量趋于恒定,这样才能呈现出较大的动态电阻。在实际中往往把图2a电路中的恒流源接成图3a的形式,基极有两个串接二极管,同时在发射极串接小电阻R\(_{2}\)。这种偏置除了利用二极管的温度补偿作用外,还利用了R2的负反馈作用,使恒流源的电流更加稳定。

图3b为另一种恒流源电路。稳压二极管D\(_{Z}\)采用反向接法,两端电压恒等于稳定电压UDZ。相对于A点来说,D\(_{Z}\)把晶体管的基极固定于UDZ的电位。当I\(_{C}\)(IE)上升时,U\(_{R1}\)增加,田于UDZ是固定不变的,U\(_{R1}\)增加势必使UEB减小,I\(_{B}\)减小,从而使IC(I\(_{E}\))减小。当IC减小时则与上述过程相反,于是牵制了I\(_{C}\)的变化,使它趋于恒流。
在集成运算放大器中,广泛采用恒流源电路。除了用它提供偏置和作电平移动外,也用来作有源负载。常用的恒流源电路如图4a所示。图中BG\(_{1}\)的基极与集电极相联,当电源接通时,便有电流通过R及BG1的基极和集电极,同时也给BG\(_{2}\)提供基极电流,使其工作,获得IC2。因两臂的U\(_{BE}\)相等,所以它们的集电极电流也相等,并且都是恒定的,它们的值近似为(EC-U\(_{BE}\)+EC)/R。在两个晶体管中,通常选BG\(_{2}\)为有源负载,BG1和R只是作为BG\(_{2}\)的偏置电路存在。此电路用在运算放大器作差分输入电路的有源负载时,一般在两管发射极串接等值电阻R1和R\(_{2}\)(图4b),并从其上端引出外接调零端子。

什么情况下适宜采用有源负载
下面让我们权衡一下,在什么情况下适于采用有源负载。对晶体管放大电路,若用恒流源作负载,需多用一只晶体管。如果把多用的这只管子做成一级放大器,和原来用电阻作负载的放大器级联运用,同样可获得较高的电压增益。这对阻容(或变压器)耦合放大器是完全可以的。因为交流放大电路虽然也有工作点稳定问题,但各级工作点的变化不会通过隔直电容加到下一级,更不会逐级放大,所以电路比较稳定。但是对于直流放大器,级间直接耦合,前一级工作点的变化会被逐级放大。增多了级数,也就增加了温度漂移,使电路不能正常工作。所以对温度稳定性要求较高、放大倍数要求较大的直流放大器,总是采用较少的放大级数,而运用有源负载来提高单级放大器的增益。例如,对图5所示的串联型稳压电源电路,要想提高输出电压的稳定度,主要措施是提高其中比较放大器的电压放大倍数。但比较放大器进行直流放大,不便运用多级,于是在本电路中把它做成单级有源负载放大器。其中BG\(_{2}\)是比较放大管,BG3、R\(_{4}\)、R5和D\(_{Z1}\)组成它的有源负载(运用图3b的形式)。这种放大器有较高的电压增益,所以该电源有良好的稳压性能。

另外,在运用有源负载时、还要注意外接负载的大小。众所周知,当一个放大器接上负载R\(_{L}\)之后,总负载为RC与R\(_{L}\)并联,其值RCR\(_{L}\)/(RC+R\(_{L}\))<RC,故放大倍数比空载时降低,并且R\(_{L}\)越小,降低得越显著。可见,当外接负载较小时,即使用有源负载取代了RC,也无济于事,不能提高增益。只有当外接负载值较大时,才能发挥有源负载的作用。例如,对图6所示的SR8型示波器中Y轴后置放大器的输出电路,就属于这种情形。本电路由四只晶体管组成,是双端输入、双端输出共射差分放大电路。BG\(_{1}\)、BG2为差分对管,BG\(_{3}\)、BG4分别组成它们的有源负载(图中虚线框内)。双端输出接到示波管的两块垂直偏转板上,这种负载的阻抗特别高,所以本电路具有较高的增益。

当有源负载放大器作级联运用时,要注意下一级放大器输入电阻的大小。若下一级是单管共发射极放大电路(没采用复合管),因其输入电阻较低,一般不能直接相联,而要在两级之间加一级射极跟随器起阻抗变换作用。例如,在图7所示的电路中就考虑到了这种情况。该图为F006型集成运算放大器的部分电路,组件的输入级是由BG\(_{1}\)、BG2、BG\(_{3}\)和BG4组成的共集——共基差分放大电路(本刊1981年第2期第38页介绍过),被放大的信号从3、4双端输入,由BG\(_{3}\)集电极单端输出,BG5作为BG\(_{3}\)的有源负载(图4b的形式)。本级输出经过BG13组成的射极跟随器,接到BG\(_{14}\)的基极。BG14是电压放大管,BG\(_{15}\)作为它的有源负载,即跟随器前后两级均为有源负载放大器。因后级接成共发射极放大电路(发射极通过50Ω小电阻接电源),其输入电阻较低,所以在它之前用了跟随器作阻抗变换(隔离),这样便保持了前级有源负载放大器的高增益。

总之,对稳定性要求较高、电压放大倍数要求较大、外接负载阻抗较大的直流放大器,适宜采用有源负载。(林萌森)