在自动控制系统中常常需要一种能受控制的、精密的转换输出电压或转换输出波形极性的线路,利用运算放大器及电子开关的组合即可组成这种线路。
如图1所示,图中S为电子开关,当“极性控制”输入低电平时开关导通,使B点接地;当“极性控制”输入高电平时则开关断开,使B点悬空。于是图1可化成图2等效图。


我们知道,根据运算放大器特性:当只有U\(_{in1}\)输入时
U\(_{out1}\)=R2R\(_{1}\)Uin1……(1)
当只有U\(_{in2}\)输入时
U\(_{out2}\)=〔R4R\(_{3}\)+R4·U\(_{in2}\)-R1;R\(_{1}\)+R2·U\(_{out2}\)〕K……(2)
移项后式(2)为
U\(_{out2}\)+R1R\(_{1}\)+R2·U\(_{out2}\)·K
\(_{out2}\)=R4R\(_{3}\)+R4·U\(_{in2}\)……(3)
一般运算放大器开环增益K极大,所以当K→∞时则式(3)为
U\(_{out2}\)=R4R\(_{3}\)+R4·R\(_{1}\)+R2;R\(_{1}\)·Uin2……(4)
因此当U\(_{in1}\)和Uin2同时输入时,总输出为:
U\(_{out}\)=Uout2-U\(_{out1}\)
=\(\frac{R}{_{4}}\)R3+R\(_{4}\)·R1+R\(_{2}\);R1·U\(_{in2}\)-R2R\(_{1}\)Uin1……(5)
取U\(_{in1}\)=Uin2,R\(_{1}\)=R2,则式(5)成为:
U\(_{out}\)=R4R\(_{3}\)+R4·2U\(_{in}\)-Uin……(6)
由此看出,当R\(_{4}\)由电子开关组成时,开关导通相当于R4→0,则由公式(6)得U\(_{out}\)=-Uin;
当开关断开时相当于R\(_{4}\)→∞,由公式(6)得Uout=2U\(_{in}\)-Uin=U\(_{in}\)。于是这种运算放大器和电子开关的组合完成了输出电压或波形的可控制的极性转换。
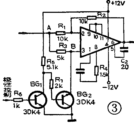
图3为一种实用的转换线路。BG\(_{1}\)、BG2组成电子开关。当C点输入低电平<0.8V时,BG\(_{2}\)导通,使B点“接地”;当C点输入高电平>2.5V时,BG2截止,使B点“悬空”,从而可以按需要随意控制运放的输出极性。(韩文令)
