电视机的大致故障部位确定以后,需要进一步确定故障点,找出发生故障的具体部位。熟练掌握和使用常用的检查测试方法,是找出具体故障元件的重要手段。在检修中,如果采用的检查测试方法正确,就会加快修理工作的进程,提高检修效率。
目前修理电视机常用的几种检查测试方法是:
(一)目测法:
就是首先用眼睛作直观检查。打开电视机的后盖,取出底板,仔细观察机内各个零件,看有无缺件、损坏、断线、变色、变形、烧坏等情况。电源保险丝是否熔断、显象管是否漏气、破裂,加电后灯丝亮不亮等。这些情况往往就是故障所在或者是与故障相关,抓住这些线索,就能较快地找到故障。
(二)测量电压法:
主要是测量电路及其主要元器件的工作电压,与正常情况下进行比较,找出故障所在。测量电压法又可分为测直流电压和交流电压两种。
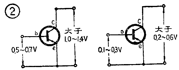
1.测量直流电压,就是用万用表的直流电压档或其它直流电压表,测量电视机的直流供电电压和晶体管、集成电路各脚对地的电压。例如图1中所标注的E\(_{f}\)、Ec、E\(_{b}\)、Ee等。测量结果再与正常情况下的电压值进行比较,发现变化较大的地方,再进一步检查其他元件。大家知道,在正常情况下,硅管的BE结间应有0.5~0.7V的偏置电压,锗管的BE结之间应有0.1~0.3V的偏置电压。两种晶体管集电极和发射极之间的电压,一般应大于BE结电压的两倍以上,如图2所示。


2.测量交流电压,就是用万用表的交流电压档或其它交流电压表,测量检查电视机电源的交流电压。另外,还可以在万用表上串接一只0.1μ左右的耐压足够大的电容器,测量音频放大电路、场扫描输出电路、视频放大电路、行扫描输出电路的交流部分,检查交流信号电压的有无或大小,与正常状态下所测数值进行比较,来判断电路的工作情况。在晶体管电视机中,由于前级电路的交流信号幅度很小,用万用表难于测出,需要用毫伏表或示波器来测量电压,因此只有在信号幅度较大的末级电路,用万用表才能测出一定数值。
(三 测量电阻法:
这是检查电视机故障常用的基本方法。主要是用来测量电视机电路和元器件的对地电阻值,以及元件本身的电阻值。
1.测量某个电路输出端的对地电阻值,可以判断电路的负载是否正常。当测量稳压电源输出端的对地电阻值时,如果负载电阻发生较大变化,稳压电源输出端的对地电阻必然会有较大变化。例如某电视机稳压电源输出端对地阻值R\(_{+}\)=20Ω、R-=30Ω,当行输出晶体管集电极和发射极之间击穿时,其电阻值变为R\(_{+}\)=20Ω、R-=10Ω。
2.测量晶体管和集成电路各脚的对阻值时,由于PN结的正向和反向电阻值不同,所以测量对地电阻值时,需要测正、反向电阻值。通常规定以负表笔接地时,所测得的电阻值为正向电阻,以正表笔接地时,所测得的电阻值为反向电阻。测量出各脚对地电阻后与正常情况下的电阻值进行比较,根据电阻值的变化,来判断电路的故障。
另外,还可以取下晶体管和集成电路,测量晶体管各脚之间的正、反向电阻值和集成电路各脚与接地脚之间的正、反向电阻,可以大致判断晶体管和集成块的好坏。
3.测量电阻器的直流电阻和变压器、电感线圈的通断。
(四)测量电流法:
测量电流法常用于测量晶体管、集成电路的工作电流和电源的负载电流。用来检查晶体管、集成电路的工作状态是否正常,检查电源负载是否正常。一般来说,晶体管、集成电路、电源负载电流正常,电路的工作状态就基本正常。如果电流变化很大,说明电路有故障。例如12英寸黑白电视机的稳压电源,正常情况下负载电流为1A左右,当行输出变压器高压包内部短路时,负载电流就会增加到1.6~2.5A,甚至更大。
(五)注入信号法:
主要用于检查电视机有关电路的动态故障。所谓动态故障是指在电路中输入适当信号时,才表现出来的故障。例如无声、无影,图象不稳、图象扭曲、水平或垂直不同步等。注入信号法,常用于高频、中频、视频、伴音等电路。
在业余条件下,常用改锥或表笔接触某部分电路的输入端,注入人体感应信号和火花性杂波,用来检查伴音、视频、中频和高频电路。通过喇叭中的“喀喀”声和荧光屏上的杂波反应,来判断电路工作是否正常。检查顺序一般是从后级逐步向前级检查,检查到那级无“喀喀”声和杂波反应时,故障就在那一级。
另外,在有条件的情况下,可以用电视图象信号发生器、高频信号发生器等仪器,输出高频已调制信号、已调制图象中频信号、视频信号、第二伴音中频信号等,来检查高频、中频、视频、伴音电路各级的工作情况。
有的电路,如音频放大电路和场扫描电路,还可用机内的50Hz电源信号,经过适当分压耦合注入相关部位,检查电路的工作情况,以判定故障部位。
(六)观察波形法:
通常用来观察高频、中频、视频、扫描、伴音等电路的有关波形和波幅或者频率特性。
观察方法,就是用示波器或扫频仪,依照信号流通的顺序,从前级到后级逐点检查。如果信号波形在这一级正常,到下一个测试点就不正常了,则故障就在这两个测试点之间的电路中,然后再进一步检查这部分电路的元器件。
(七)摸温度法:
就是用手摸元器件的工作温度的方法,来检查判断故障。摸温度时,要在不带电的情况下进行,以保证人身安全。此方法常用于下述情况:
1.晶体管过载或穿透电流较大或因推动信号不足而使管内损耗增大,造成晶体管本身工作温度升高。及时摸温度,可以帮助发现故障部位,否则时间长了就会烧坏晶体管。
2.电解电容器漏电,
造成介质损耗增大,使电容器的工作温度升高,严重时会使电容器爆裂。及时摸温度,可以帮助发现问题。
3.变压器绕组局部短路时,会使工作温度升高,摸摸温度与正常时的温度进行比较,可以帮助发现问题。
(八)代换法:
对于某些不便测量的元件,如行输出变压器的绕组内部短路,高压硅堆内部绝缘不好、整流特性差,以及小容量的电容等。常常使用代换法来判断故障,即用好的元件代替被怀疑有问题的元件。代换后,如果故障消除,则证明原来的元件有故障。采用插接组件结构的电视机,如果有同样的组件进行代换,可以很快发现故障范围。
(九)分区处理法:
就是把电视机电路分成几个部分进行检查。主要适用于短路性或通地性故障。电源电路涉及面较广,当电源出现大电流故障时,加电时间不能长,故障部位一时又难于判断。这时就需要把电路分成几个区域,分别从电路中断开,再测量电源的负载电阻值。如果断开某部分电路后,通地和短路的现象消除了,故障就在被断开的这部分电路内。然后再进一步对这部分电路进行检查,直到找到短路或通地的地方。
上述检查测试方法,在检修电视机的过程中,应根据具体故障灵活应用。有时几种方法应综合应用。(李福祥 汪锡明)