在彩色电视机的改制当中,用PAL制专用的大规模集成电路块,如TA—7193AP、IX—0129CE、μPC1365C等等,把NTSC制改为PAL-D/K制的方案,由于舍弃了原机的解码器电路,所以基本上可以适于各种型号的NTSC制彩色电视机,也可以用于SECAM制(法国制式)的彩色电视机的改制。
下面以松下TH16—K7型机在北京使用为例说明使用TA—7193AP集成电路进行改制的具体方法,同时对其它型号电视机改制过程中常见的问题作一些介绍。
一、制作PAL-D/K制解码电路板
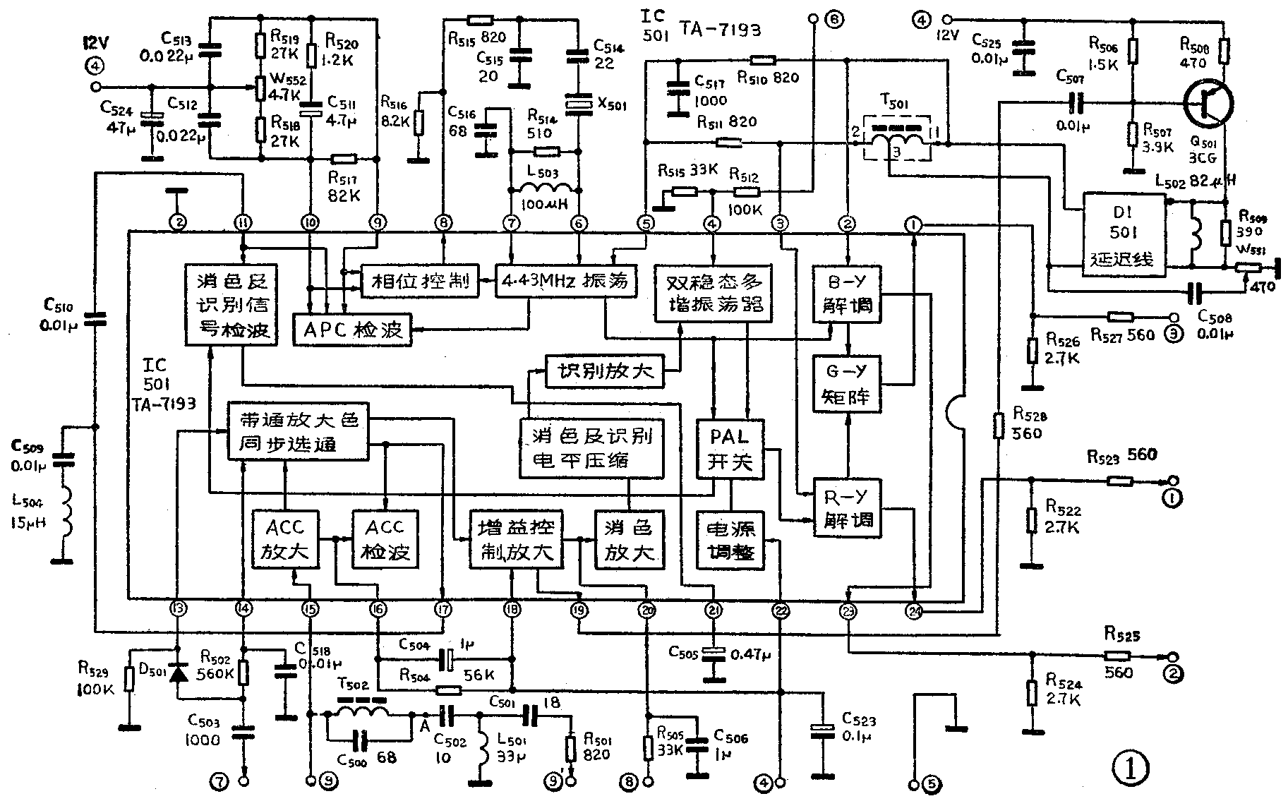
在动手改制之前首先制作PAL-D/K制解码电路板,使用TA—7193AP集成电路的解码电路板电路图如图1,其印制电路板图如图2。电路中的T\(_{5}\)01用普通电视机的中频变压器骨架改绕而成。骨架有4个槽,用直径0.15毫米漆包线双线并绕,每槽绕6匝,共绕24匝。然后,分成两组,一组线圈的首端接①脚、尾端接③脚;另一组线圈的首端接③脚、尾端接④脚,如图3。绕好后装上磁帽和屏蔽罩,再装入电路,在印制电路板上把②、④脚连通。T502使用相同的骨架,但去掉屏蔽罩和磁帽,用0.15毫米漆包线每槽绕7匝,共28匝,首端接①脚,尾端接③脚,再并联一只68pF电容,组成第二伴音中频滤波电路。电位器W\(_{551}\)、W552装好后,其滑动端置于中间位置。其它元器件无特殊要求,可按原理图所标数据安装。装前要保证所用的元器件质量,装完后,要认真复核。



二、解码电路板与原机电路结合
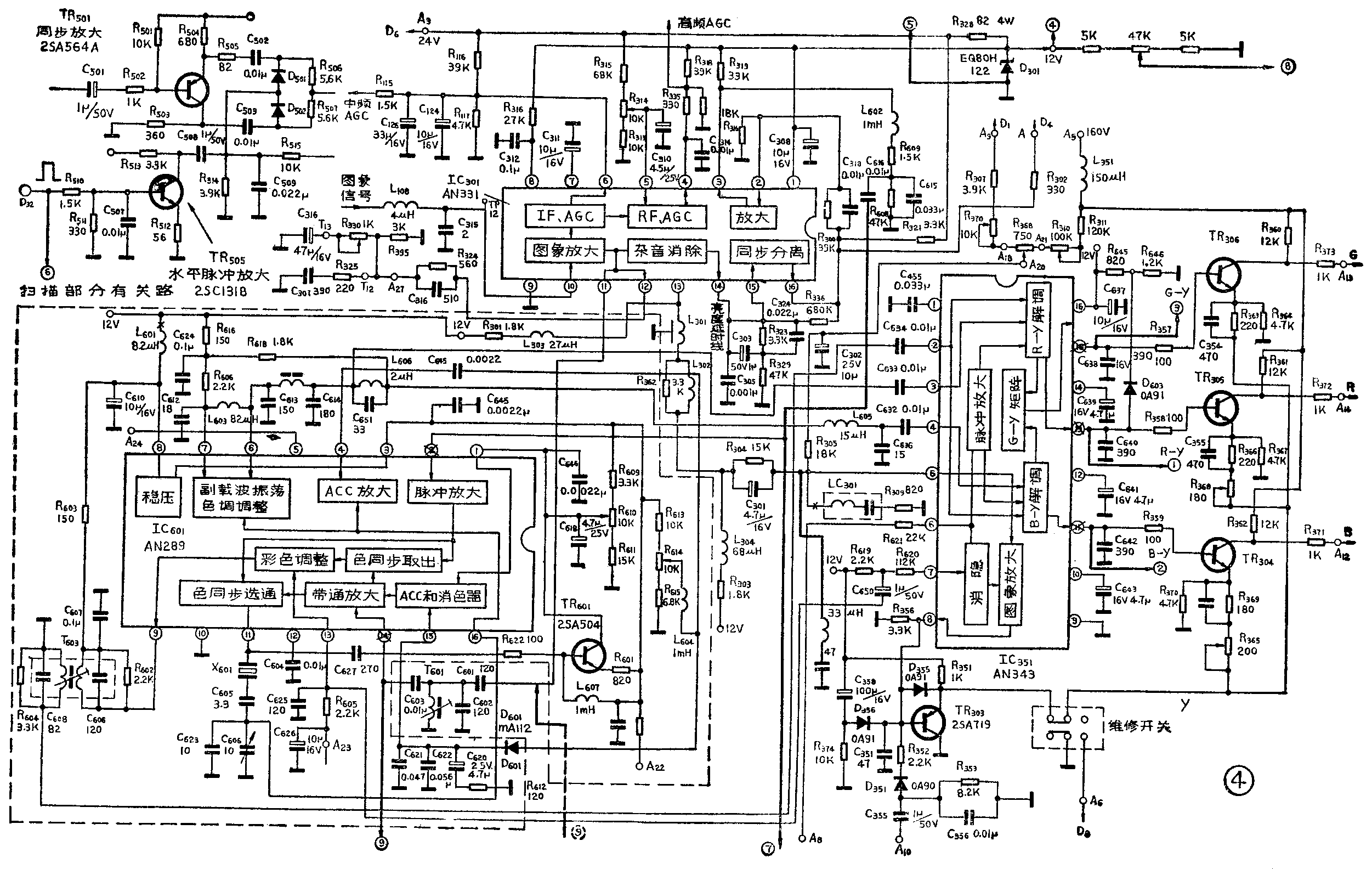
PAL制解码电路板(简称解码板)共有9根与外电路连接的信号线。为了实现解码板与原机的正确接合,需要对原彩色电视机有关电路进行分析。原机的色度解码电路如图4,为了清楚明了简化为图5方框图。由图可知视频检波输出的全电视信号送入IC\(_{3}\)01的⑩脚,经预视放由脚输出,再经色度带通滤波器(由T601等组成)取出3.58MHz色度信号,送到IC\(_{6}\)01的,经IC601内部的带通放大、彩色调整电路,由⑨脚输出,再经T\(_{6}\)03送入IC351的②脚,在IC\(_{351}\)内部分别送给R-Y、B-Y解调器。


色度信号经IC\(_{6}\)01内部的色同步选通电路取出色同步信号,控制其副载频振荡,以保持与发送端同步。由IC601⑥脚输出的副载频分为两路:一路送到IC\(_{351}\)的③脚给R-Y解调器;另一路经移相电路送到IC351的④脚给B-Y解调器。由IC\(_{351}\)、脚输出的R-Y、G-Y和B-Y色差信号送入末级矩阵电路。IC301脚输出的全电视信号,经亮度延时、副载频陷波器形成亮度信号,送到IC\(_{351}\)的⑤脚,再经放大并加入消隐信号后由其⑧脚输出。⑧脚输出的信号经TR303送入末级矩阵电路,解出R、G、B三个基色信号送到显象管。IC\(_{6}\)01的②脚是色同步选通用的延时行同步脉冲输入脚。
上面介绍了原机色度和亮度信号的流通过程,以便找出新组装的解码板的接入点。
解码板有9根引出线,与原机电路的结合如下:
1.地线:解码板的第⑤号引出线为地线。将⑤号引线接于原机信号电路板地线即可。
2.电源线:解码板的第④号引出线是12V电源线,需要解码板电路60毫安左右的电流。而原机的+12V电源是由24V电源经电阻R\(_{328}\)降压和稳压管D301后取得。最省事的方法是用原机的12V供电,但要不影响原电路的正常工作。为此,须满足以下两点要求:并接新组装的解码板后,原12V电压不应降低,D\(_{3}\)01仍有稳压作用;使原电路工作电流增大不超过10%(若能查到原机电路的工作数据,只要在安全运用的范围内,可不受此限制)。因此须在A3(见图4)处(24V)测其工作电流(约213毫安),并接解码板后电流增大到225毫安,可见电流增大不超过10%。此时测D\(_{3}\)01处的电压为11.5V,说明D301已不起稳压作用。为解决这一问题,首先把改制后不用的原电路部分甩开。当把L\(_{6}\)01拆下后,12V电源就回升到原12.5V,减小电阻R328的阻值也可以使12V电源回升。这样就可以不必另外设置电源,直接用原机的12V电源。把解码板电源线(④号引线)接到D\(_{3}\)01上端即可。
3.全电视信号引入线:解码板第⑨号引线需引入幅度约4V\(_{pp}\)的全电视信号,经色度带通滤波电路,送到TA—7193AP的色度信号约为0.2Vpp。但是,本机由IC\(_{3}\)01脚输出的全电视信号只有1.2Vpp,将解码板⑨号线接入时,由于全电信号的幅度太低,所以出现彩色不稳现象,有时消色电路会动作,发生无彩色现象。为此,这里采用从原机色度带通滤波电路(由T\(_{6}\)01、C601、C\(_{6}\)02组成)后C603处取得色度信号约为0.5V\(_{pp}\),直接送到TA—7193AP的,其效果很好,如图①。此时须切断C603到IC\(_{6}\)01的连线。也可以接到T502的①脚。若IC\(_{3}\)01脚输出的全电视信号幅度有4Vpp,可将解码板⑨'号线直接接到脚。
4.色同步选通用延时行同步脉冲信号线:解码板的⑦号引出线是引入延时行同步脉冲的信号线,须3V\(_{pp}\)左右,在TA—7193AP脚上约为1.7Vpp。把解码板⑦号线接到原机的C\(_{616}\)处,切断C616到IC\(_{6}\)01②脚的连线即可,见图4。
5.电子开关用触发行脉冲引入线:解码板电子开关所需触发行脉冲,其幅度约需8~15V\(_{pp}\),加到TA—7193④脚上约为1~3Vpp,由⑥号引线引入。可由本机水平脉冲放大级的R\(_{51}\)0即D32端子取出,如图5。其幅约40V\(_{pp}\),如果调试中发现红基色不好,可适当加大电阻R512的阻值。
6.色饱和度控制电压引入线:解码板的⑧号引线是色饱和度控制电压引入线,要求变化范围为6~10V的直流电压。而原机色饱和度控制电路,最大只能给出7伏电压,不能满足要求。这里采取从12V电源处另外接色饱和度控制电路,如图4右上角电路,其中47K电位器可以安装在原机色饱和度控制电位器的位置上。
7.R-Y色差信号输出线:将解码板①号引出线接于本机矩阵电路R\(_{358}\)的左端,把原R358到IC\(_{351}\)脚线断开即可。
8.B-Y色差信号输出线:将解码板②号引线接于R\(_{358}\)的左端,断开R359到IC\(_{351}\)脚连线即可。
9.G-Y色差信号输出线:将解码板③号引线接到R\(_{357}\)左端,切断它到IC351连线。
上述解码板三个色差信号输出线的直流电位约7.1V,而原机末级矩阵电路的TR\(_{3}\)04、TR305、TR\(_{3}\)06三管的基极直流电位为6V。结合时要考虑这1V之差。 因电路是直流耦合,结合后显象管的亮度会有较大变化,可以通过调整控制亮度主、副电位器得到补偿。 如果不行,可以适当调整白平衡电位器。有的彩色电视机与该解码板三色差信号输出线结合点的直流电位相差较大(约2V),这时需在结合处采用串入硅二极管(如2CP10)的方法解决。
PAL解码板电路所需亮度信号的放大和处理,仍然用原机的电路,但要把原电路中的LC\(_{3}\)01和R309拆下,换上由33μH的电感和47pF的电容组成的串联谐振回路。至此原机解码电路的改造工作,已基本完成。但是,要使该彩色电视机能够接收我国的第一和第二频道的电视节目还需要对它的图象中频电路、高频头和高频AFC电路等进行改动。
三、改图象中频电路
原机图象中频频率为54.25MHz~58.75MHz,称为高中频,其电路如图6。由于它和我国的第一频道和第二频道的部分频率相重,故必须把它降低,才能使该机用超外差方式工作在我国的第一、第二频道,保证经改制后有比较好的图象和彩色质量。如果不用第一或第二频道接收电视节目,其图象中频可以不改,只把原中频特性适当调宽一些(上下各展宽1MHz即为53.25~59.75MHz)即可。但对使用声表面波滤波器(SAWF)的图象中频电路就困难些了。

图象中频电路改频常用的有两种方法:一是改绕原机图象中频电路的有关电感线圈。把原有线圈拆下,并记下所拆的线圈匝数,然后按原中频与欲改中频(37MHz)的比值,即58.75/37≈1.6倍数,增加圈数,重新绕制各中频变压器。装入电路后,用扫频仪调整图象中频特性为30.5~37MHz,增益不能低于70dB;第二种方法是在原电路各中频调谐回路电容器上,并接新的电容。把原有电容量都增加一倍,使图象中频降到40多MHz,如本机并电容后为43MHz。只要其增益不低于70dB就行了,不必把中频降到37MHz。有的电视机,如果再加大并联电容把中频降到37MHz。反而会使增益下降。
上述两种方法以后者为简便,为本机所采用。其具体改频过程如下:原机C\(_{1}\)03、C104为56pF,并接68pF,C\(_{1}\)08原为10pF并接15pF,C111原为22pF并接15pF,C\(_{118}\)原为22pF并接20pF。用扫频仪调整图象中频特性如图7,增益为80dB。L104、C\(_{119}\)的吸收点原为52.75MHz,现调到44.5MHz,仍可做为吸收回路用。(待续)(李福祥)
