问:用万用表检查匈牙利TA-3301型电视机行输出管BU406D的B、E正反向电阻很小,是否极间击穿?BU406D能用国产大功率管代替吗?
答:BU406D是一只复合管,由一只大功率三极管和一只阻尼二极管封装在一起组成(见图1)。用万用表检查BU406D的B、E正反向电阻很小,不一定是极间击穿。检查BU406D应该用万用表R×1档测量,正常的极间正反向电阻值如表中所示。如与正常电阻值差别较大,则说明管子已损坏。当BU406D损坏后,可用国产12英寸黑白电视机的行输出管代替,在行输出管的集电极与发射极之间并接一只12英寸电视机用的阻尼二极管,如图2。为降低对代用管饱和压降的要求,最好如图3所示用两只行输出管并接代替。代用管需加散热片。(汪锡明)


表
红表笔 黑表笔 万用表 测得
电池 电池
“-”极 “+”极 量程 电阻值
B E R×1 32Ω
B C R×1 ∞
E B R×1 9Ω
C B R×1 9Ω
C E R×1 10Ω
E C R×1 ∞
问:有些电视机中,如日立P-26D、红梅WJD-1A、金凤H312-1型等,在显象管的阴极与地之间常常加上一个SG251等型号的放电管,它的作用是什么?能否用其它元件代替?
答:这个放电管的作用是防止视放管、预视放管等在显象管阳极高压跳火时被击穿而损坏。因为当显象管内部绝缘不良或市电太高等时都很易产生跳火现象,如果在显象管阴极与地(或其它极与地)间接入放电管,那么这个平时不导通的放电管在显象管跳火时就会放电导通。这样就使放电电流不再流过或很少流过有关晶体管等,从而就保护了管子。放电管可按下图所示自制一块放电板代替,实用效果也很好。应该注意,图中两个放电尖端的间距以小些为好,一般可取0.2~0.5毫米。(王德沅)

问:一台东芝牌12T792Z12英寸黑白电视机开机正常,有的突然无声无光,检查保险丝、变压器、整流二极管均无故障,这是什么原因造成?
答:这种机子的这类故障往往发生在稳压部分。稳压电路中使用的电阻R\(_{8}\)05功率较大(7W18Ω),装有散热片。电阻的引线是压接在散热片上没有焊接,使用时间长了散热片表面氧化,使得R805接触不良或造成开路。R\(_{8}\)05开路会使得调整管Q801(KTD880-Y)截止,稳压部分无输出,造成上述故障。修理时将R\(_{8}\)05连同散热片一起拆下,用焊锡将引线与散热片焊牢,再按原位装上,故障即可排除。(王敏)
问:一台台湾省生产的雪莱(Shera)13英寸电视机,一打开电源开关音量特别大,调节音量电位器时无变化。经检查音量电位器和R\(_{2}\)02、R203均无故障,有何解决办法?
答:雪莱牌13英寸、17英寸电视机音量失控故障较多,一般常是伴音中放集成电路56A101内部增益控制电路(也叫电子衰减器)的元件变值或损坏引起的,可先按图所示。将R\(_{2}\)03由1.5K改为1K,调节音量电位器就能改变音量的大小。若R203改为1K后,调节音量电位器仍不起作用,可将R\(_{2}\)03电阻用导线短路,音量失控的故障大多能修复。如果采取上述措施仍无济于事,则说明集成电路内部严重损坏,需要更换新的集成块。如果手头没有56A101,也可用进口的伴音中放集成电路TBA120S代替。两种集成电路功能相同,不用改变外电路,只要把相同序号的引出脚插入印刷板内焊牢即可。(汪非)

问:L-400盒式收录机使用交流电工作后,拔下电源插头改用机内电池供电,收录机的各部分均不工作,电池是新的,正负极又没有搞错,是不是收录机出了毛病?
答:不是收录机出毛病,而是电源线接入收录机AC电源插口的这个插头没有拔出。因为收录机的AC电源插口上附带一个电池通断开关。当插头插入时,开关的簧片被顶开,切断了机内电池供电的通路,所以收录机的各部分均不能工作。只有将这个插头拔出,电池通断开关的簧片才能依靠自身的弹性将电池的供电线路接通。所以,收录机使用机内电池供电时,仅仅拔下交流电源插头还不行,还应将电源线插入收录机的这个插头也拔出。这对于其它型号的盒式收录机来说,也同样是如此。(朱笛)
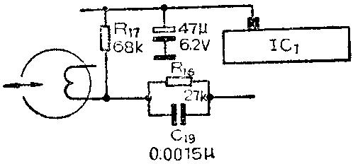
问:我有一部三洋M2511录放机,换了一只另一型号的磁头,现放音正常,但录音效果很差,不知何故?如何办?
答:对各种不同类型的磁头,录音时所需要的偏流和录音电流要求是不同的,通常阻抗高的磁头放音灵敏度高,但要求偏磁电流大,录音电流也大。就是不同型号不同材料制成的同一阻抗的磁头,所要求的偏流,录音电流也均不相同。因此换了一个磁头后,发现录音效果不好,则肯定要重新调整偏流。M2511录音机是采用直流偏磁,所以调整是比较容易的。只要改变R\(_{17}\)(68KΩ)阻值,就能改变偏磁电流。R17电阻可按图位置找寻。

R\(_{17}\)阻值减小,偏磁电流增大,R17阻值增大,偏磁电流减小。调试时,先增加R\(_{17}\)阻值(注意,阻值必须一点点增大)可在R17(68K)上串上约3K电阻。然后再录音后回放,听声音是否比原来响了,如果有音频信号发生器和电压表那就方便多了。音频信号送进机器录音,然后放音看电压表输出是否比原来增大了。如果是增大了,再逐渐增大R\(_{17}\)电阻,减小偏流,看录音后放声是否还增大,一直试到自录自放时输出最大,然后再减小一点R17阻值,使偏磁电流处于最佳值,以改善录音失真。注意,此时再增大偏流,自录自放声音将又降低了,对于直流偏磁电路,比最大输出降3dB时,失真、信噪比和频响都可兼顾。
如果增大R\(_{17}\)阻值,自录自放声音是降低的,那就应该减小R17阻值,方法同前面相同。注意,没有仪器情况下用耳朵听声音来调整必须要耐心,仔细,不能操之过急。按这个办法调整,是一定能调好的。
如果经过仔细调整偏磁电流找到了自录自放灵敏度最大点,放音还是太轻,则应该调整录音电流,调整方法是将R\(_{16}\)(27KΩ)电阻减小,使录音电流增大,录音磁平也会增大,这样录音后声音会增大。注意当R16阻值下降后,自录自放的高音频响会下跌,则应按R\(_{16}\)阻值下降的比例增大C19容量,来解决高频补偿。也可以凭耳朵试听高音频响的程度调整C\(_{19}\)容量。
将单声道改装成立体声,同样可根据上述办法分别调试立体声两个通道,来解决自录自放音量不足的问题。单声道与双声道原理是相同的。(王恭行)
问:一部红旗644型晶体管收音机的第三中周变压器T10A-3型损坏了,现无原中周变压器替换,而且又不知该中周变压器的绕制数据,能不能用TTF-2-9型中周变压器来代替使用呢?
答:在无同型号的中周变压器替换又不知原中周变压器绕制数据的情况下,可以用TTF-2-9型中周变压器来代替使用。因为中周变压器的中心频率都规定为465千赫,而且这两种中周变压器外型尺寸一样,都用于锗管超外差式收音机中放电路的第三级,焊脚的接线也相同,换上后不用改变印刷底板的线路。但它们所用的谐振电容器不同,T10A-3型中周变压器是用510P,TTF-2-9型中周变压器是用200P。因此要把原510P的云母电容器C\(_{22}\)焊下,换上200P的云母电容器。换上新中周变压器后,要稍为调整中周变压器的磁帽,使之谐振于465千赫即可。(花维国)
问:自己绕制中周时,初级和次级的绕线方向是否必须一致?
答:中周的绕线方向和接线方法是相互制约的,与整机的走线和元件的排列布置有关,不能轻易变动,否则会影响整机的性能。工厂生产中周时,初、次级的绕向在无特殊要求时,一般都是顺向绕制的。业余绕制中周,最好也应按工厂的办法,采用同样的绕向。当然,初、次级两线圈同时反向,从原理上讲应该是可以的。但初、次级绕向一正一反,则电路走线方向和中周引线位置也要相应改变。为了避免不必要的错误,一般尽量不改变绕向为好。(许祖佑)
问:自绕一个电子管收音机电源变压器,初、次级之间未加屏蔽层,装机使用后交流声很大,以致无法收听。请问除了拆掉变压器重绕之外,还有其它简易可行的办法吗?

答:对于电子管收音机,可以在电源变压器初级线圈两端如图所示接上两个等值的电容器C\(_{1}\)和C2,C\(_{1}\)和C2的连接点应接地。两个电容器的容量不能太小,否则交流声不易消除。容量选取大些对消除交流声有利,但是此时电容器会漏过较多的交流电压,从而使收音机底板带电,手碰到底板后会有麻电的感觉,因此容量又不要取太大。一般说来,C\(_{1}\)、C2容量可在2000pF~0.047μF之间选取,耐压不要低于400伏。按这种方法消除交流声的收音机,应将底板接通大地,这样使用时比较安全。(张国华)
问:带监听喇叭的150瓦定阻式电子管扩音机(带收音电路),不接负载能否当收音机使用?
答:对于定阻式电子管扩音机,不接负载时的输出电压很高,容易将输出变压器次级的保护电容(有些扩音机无此电容)击穿。电容击穿后,一方面使输出管过载,另一方面会将输出变压器烧毁。当扩音机的输出端无保护电容时,输出变压器的层间或初次级间,也容易因电压过高而击穿,从而造成损失。对于定压式扩音机,由于接有深度负反馈电路,即使是空载开机,输出电压也不会太高。但是,若反馈网络因某种故障而性能变差时,扩音机的输出电压也会升高,同样会造成损失。总之,扩音机空载开机是极不安全的,因此不宜将带监听喇叭的扩音机不接负载而单独作收音机使用。(郑浩)