家用音响设备中如能加入混响装置,可获得明显临场感。常见的混响装置有金箔混响器,弹簧混响器,钢板混响器等等,但业余制作不易实现。本文介绍一种简易电子混响器,利用R、C移相特性,使节目中一些频率的信号产生相移,造成信号延迟,同样达到混响效果。
电路介绍
电路由四级组成。BG\(_{1}\)、BG2与C\(_{2}\)、C3、W\(_{a}\)、Wb、R\(_{5}\)、R8组成两个移相器,BG\(_{3}\)是射极输出器,为移相器提供一个较高的阻抗,同时起隔离作用,使前后级相互影响小,BG4为电压放大级如图1所示,信号进入BG\(_{1}\),一部分经两级移相网络,以BG3发射极经C\(_{5}\)送到W2;另一部分从BG\(_{1}\)发射极输出经C4直接送到W\(_{2}\),两部分信号在此叠加产生混响,再从W2活动臂送到BG\(_{4}\)进行电压放大。

大家知道,音乐厅中的混响效果是由于各种不同频率的声信号,经墙壁反射,到达听众耳朵处产生不同相移叠加合成的。该电路也能使不同频率的信号产生不同相移,并使之叠加产生混响效果。从图1可见,BG\(_{1}\)集电极输出电压与发射极输出电压幅度相等,相位相反。适当选取C2、W\(_{a}\)、R5及C\(_{3}\)、Wb、R\(_{8}\)的数值,就可在BG2基极及BG\(_{3}\)基极处,使频率为1/2πRC的信号,分别产生90°和180°相移。音乐信号是由基波和许许多多谐波组成的。上述频率为1/2πRC的信号在W2处混合,得到相互抵消的结果,而频率不是1/2πRC的信号,则根据频率的不同相互叠加。调节W\(_{a}\)、Wb的阻值,能改变相移度的大小,对不同音乐产生所需的混响效果。W\(_{2}\)的作用是用来调节从C4、C\(_{5}\)两方送来的信号强度。当活动臂移向C4方向时,BG\(_{1}\)发射极上未经移相的信号比BG3发射极经过移相延迟的信号多通过些;当活动臂移向C\(_{5}\)时,情况刚好相反。调节W2可获得最佳混响效果。W\(_{3}\)用来衰减输入信号的幅度,以免进入混响器的信号太强造成失真。
元件选择
BG\(_{1}\)~BG4可选用3DG6型小功率高频管,BV\(_{ceo}\)≥3DV,β=50~150均可,使用3AX低频小功率管也行,但供电及电解电容极性的接法均应与图所示相反。电阻均可使用1/8W炭膜电阻。电解电容不应有漏电,耐压也应符合图1所标。Wa,W\(_{b}\)是同轴电位器。自制的同轴电位器,应特别注意两只电位器的规格、型号要相同。做好后的同辅电位器,活动臂旋到某一位置时,两只电位器的阻值必须保持严格相同,否则混响效果大受影响。W3可选用微调电阻。C\(_{2}\)、C3的容量也应严格保持相同,这也是影响混响效果的重要因素。
连机调试
该电路对电源要求不十分严格,从6V至20V均能正常工作。只要元器件保证质量,焊接不出错误,一般不须调整。图1中所标的各管的电压值仅作参考,不用硬凑。由于该电路耗电只有4~10mA,电源可直接从音响设备中取得。图2是1:1的印制板图,可供制作参考。调整时先将W\(_{2}\)旋到中间位置,Wa、W\(_{b}\)、W3旋到最小。将800Ω耳机接在输出端。输入给W\(_{3}\)一个噪声信号(例如调频收音机无台的位置;电视机没有播送节目时的伴音输出端,均有噪声)。旋转W3使耳机中的噪声音量适中,并轻微感到混响效果。这时将W\(_{a}\)、Wb旋出一点,噪声电平会减小,调W\(_{2}\)使混响效果明显,再调出一点Wa、W\(_{b}\),混响效果应更明显。将噪声信号改为音乐信号,试听混响效果是否满意。如无噪声源,也可直接将音乐信号送到混响器,通过调节Wa、W\(_{b}\)、W2、W\(_{3}\),使混响效果达到满意为止。但调整时务必耐心仔细,否则是达不到最佳效果的。

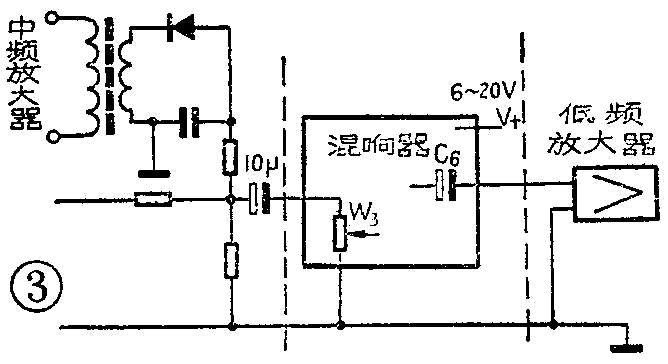
图3是为收音机加装混响器示意图。将收音机从音量电位器处分成前后两个部分。检波输出信号直接送到混响器输入端。混响器的输出端与原低频放大器输入端连接。

图4是给立体声收录机加装混响器的示意图。立体声收录机低放部分分左、右两个声道。图4只给出左声道示意,右声道的接法与左声道相同。方法是从均衡器输出端断开,接入混响器,混响后的信号送到原来低放电路的音调调节级。如果两路混响器分别调到不同混响频率上,听起来效果更好。

图5是录音时加入混响效果的示意图,这样录出来的带子具有较强的临场感。图中给的是双声道示意。使用这种方法录音应注意,一旦确定好甲为放音机,乙为录音机,则不要随意颠倒,否则不但达不到混响效果,而且妨碍正常录音。

上面仅提供三种示例,其他电路如欲加装混响器,也按上述原则:即输入信号不要太强,以免引起失真影响效果。使用时可将几个电位器旋柄放在面板上,可根据节目的不同随时调节W\(_{2}\)、Wa、W\(_{b}\)以达到最佳效果。也可将该电路装入一个小铁盒内,引出电源线及输出、输入线,这样使用更灵活些。
北京崇外茶食胡同小学邮售混响器套件。计3DG2024只、电位器2只、电阻12只、0.1μ电容2只、电解电容4只、腐蚀好的线路板1块、可变电阻1只。每套5元(包括邮费)。另外可供应3DG202(β40~180),每只0.10元;3AX31(β40~180)每只0.10元,均为正品,20只以内另加邮费0.20元。(胡羊远)