晶体管扩音机的信号源有许多种,按信号源的输出阻抗来分,可分为低阻抗信号源和高阻抗信号源。如果用晶体管收音机耳塞插孔输出信号或者用录音机耳塞插孔输出信号作为信号源,因其输出阻抗很低,仅数十欧,远远小于扩音机的输入阻抗,所以当与扩音机输入端配接使用时,大部分信号电压能传输给扩音机,扩音机能放出足够大的音量。如果用晶体唱头输出的信号作信号源,或者用电子管收音头(即信号由检波后输出,不经过低放级)输出的较宽频带的音频信号作信号源,其输出阻抗很高,一般可高达500千欧左右,与扩音机配接时,要求扩音机的输入阻抗至少为500千欧才行。若所用晶体管扩音机输入阻抗仅有50千欧,用输出阻抗为500千欧的信号源配接时,将仅有50KΩ/(500KΩ+50KΩ)=1/11的信号电压能传输给扩音机,其余10/11都在信号源内阻上浪费掉了。这样一来,扩音机的音量就不会大。有的业余爱好者手头有一台使用晶体唱头的206型电唱盘,另有一台晶体管收音机,想将收音机改装一下,将唱头输出信号直接送到收音机低放输入端,用收音机低放部分扩音,以放唱唱片信号,结果发现声音很小,其原因也在于此。我们知道,晶体管收音机低放部分的输入阻抗较低的只有10千欧左右,可想而知,如果将晶体唱头输出信号直接送给收音机低放级,其音量会很小。
当晶体管扩音机输入阻抗较低,又需要与高阻抗信号源配接时,可在扩音机输入端与信号源之间加一级缓冲级。如图1所示,缓冲级实际上是一个电压跟随器,它的输入阻抗很高,可以和信号源输出阻抗相匹配;输出阻抗很低,可以很容易地与扩音机输入端相匹配。

图1跟随器的电源可以利用电源变压器的交流6.3伏指示灯绕组,经过整流滤波后取得。这时信号源、缓冲级与扩音机的接地点可以毫无顾虑地连接在一起。
用电子管收音机作为信号源时,可以从收音机音量电位器滑臂端取出信号,信号线应该采用屏蔽线。
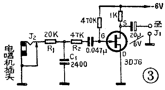
如果想将晶体管收音机改制成能兼放电唱机信号的机子,可按图2那样先在收音机的音量电位器上另接一个小型插座J\(_{1}\),再按图3安装一个电路。图3中,J2为大型话筒插座,可直接插入电唱机输出线的大话筒插头,电路输出信号可通过一个带屏蔽线的小型插头送至图2J\(_{1}\)插座处。这样,就可以使电唱机的信号通过晶体管收音机来放音了。为了满足多数人听音乐时对低音提升的要求,图3中R1、R\(_{2}\)、C1组成一个衰减网络,可对3.5千赫以上的高音频有不同程度的衰减。(张国华)

