图1是一个射极输出器电路。众所周知,它具有三大特点:第一,输入电阻非常高;第二,输出电阻非常低;第三,电压放大倍数小于1,但又接近于1。

由于射极输出器具有以上特点,因此在电子电路中得到了广泛的应用。例如,根据它的输入电阻高的特点,安排它在放大器的第一级,就可以使整个放大器具有高的输入电阻。特别是在测量仪表电路中,如果仪表的输入级具有高输入电阻,那么当它跨接在被测电路上时,就能减小对被测电路本身状态的影响,提高测量准确度。又如,根据它具有输出电阻低的特点,可以把它安排在放大器的末级,使放大器具有恒压源的特点,能够带动较重的负载,或者当负载变化时,输出端电压不至于有明显的下降。另外,它还可以接在两电路中间起阻抗变换作用。例如,晶体管电视机中的预视放电路就是起这个作用的。因为视频检波级要求它后级的输入电阻要高,否则可能产生失真,但是它的后级视频放大级为了获得足够的放大倍数一般采取共发射极电路,而共发射极电路的输入电阻较低,不能满足视频检波级的要求,因此,在检波级与视频放大级之间加一级射极输出器,正好可以解决这个矛盾。
总之射级输出器电路应用十分广泛,而电路本身也不复杂。但是在使用当中若不注意,则容易出现问题,甚至损坏管子。那么在使用中究竟应当注意什么问题呢?
(1)偏置电阻会降低输入电阻
我们可以画出图1所示的射极输出器的交流等效电路,见图2。先不考虑偏置电阻R\(_{b}\)(将Rb视为开路),看看它的输入电阻为多大。令该输入电阻为R\(_{i}\),那么Ri=\(\frac{V}{_{i}}\)Ii=V\(_{i}\);Ib,而V\(_{i}\)=Ibr\(_{be}\)+IeR\(_{e}\)'(rbe是晶体管b、e间输入电阻,R\(_{e}\)'是Re与负载电阻R\(_{L}\)的并联值),根据晶体管的电流关系Ie=(1+β)I\(_{b}\),所以,Vi=I\(_{b}\)rbe+(1+β)I\(_{b}\)Re'=I\(_{b}\)〔rbe+(1+β)R\(_{e}\)'〕。这样Ri应等于
R\(_{i}\)=ViI\(_{b}\)=rbe+(1+β)R\(_{e}\)'

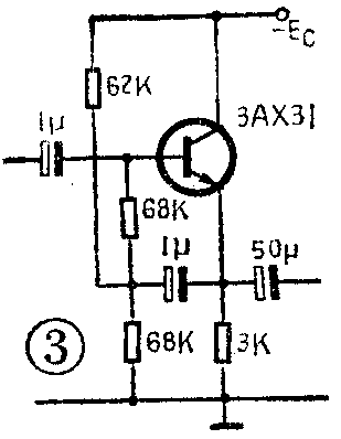
若选β比较高的晶体管或复合管,R\(_{i}\)可以得到很高的数值。但是射极输出器的偏置电阻的影响实际是不能忽略的。这样射极输出器的输入电阻就应该是Rb与R\(_{i}\)的并联值,令其值为Ri'则R\(_{i}\)'=Rb‖R\(_{i}\)。由此可见,即使Ri再大,如果R\(_{b}\)不大,射极输出器的输入电阻也就提不高了。采用“自举电路”能够克服这一缺点,图3是具有“自举电路”的射极输出器作为扩大器的输入级电路。有关“自举电路”的原理参阅本刊1981年第三期“基极自举电路”一文。

(2)严防射极短路
为了说明这个问题,我们先来研究一下射极输出器的直流工作情况,图4是图1的直流等效电路。由图4可求出
I\(_{bQ}\)=Ec-V\(_{be}\)-IeQR\(_{e}\)Rb
上式可写成
I\(_{bQ}\)Rb+I\(_{eQ}\)Re=E\(_{c}\)-Vbe
根据晶体管的电流关系I\(_{eQ}\)=(1+β)IbQ
其中I\(_{bQ}\)、IeQ均指直流电流。
所以上式可写成
I\(_{bQ}\)Rb+(1+β)I\(_{bQ}\)Re=E\(_{c}\)-Vbe
I\(_{bQ}\)〔Rb+(1+β)R\(_{e}\)〕=Ec-V\(_{be}\)
由此可得
I\(_{bQ}\)=Ec-V\(_{be}\)Rb+(1+β)R\(_{e}\)

如果射极短路(K\(_{e}\)=0),Rb取值又不大,那么I\(_{bQ}\)就大大增加,其值为:
I\(_{bQ}\)=Ec-V\(_{be}\)Rb
V\(_{be}\)与Ec相比,通常要小得多,所以这时I\(_{bQ}\)可写成IbQ≈\(\frac{E}{_{c}}\)Rb。这样基极电流就大大增加,也使集电极直流电流I\(_{cQ}\)=βIbQ大大增加。而且这时电源电压E\(_{c}\)将全部加在晶体管ce两端,于是管子的集电极功耗(Ec·I\(_{cQ}\))就有可能超过管子最大允许的集电极功耗,从而烧坏管子。
当输出带有比较大的电容负载时,在加电源的瞬间,由于对电容的充电而把射极旁路,同样可能造成上述的后果。有的射极输出器的集电极不直接接在电源上,而是通过电阻R\(_{c}\)接在电源上,其目的就是当发生上述情况的时候,可以限制集电极电流的增长,并减小管子的集一射间电压Vce,使管子的集电极功耗不致于超过其允许值,如图5所示。当然这样做会影响些输出动态范围,但对其三大特点没有什么影响。

(3)集电极不能开路
如果集电极开路,根据上面的推导,晶体管基极直流电流I\(_{bQ}\)也会增加很多。因为这时集电极直流电流为零,流过发射极电阻Re的电流仅仅是基极电流,所以基极直流电流便为
I\(_{bQ}\)=Ec-V\(_{be}\)Rb+R\(_{e}\)≈Ec;R\(_{b}\)+Re
这时也有可能将发射结烧坏。为此在线路接通电源情况下焊接晶体管时,不要最后焊接集电极。同时要注意集电极不要“虚焊”、“假焊”,以免发生上述后果。(赵学泉)