在商店、影剧院、文化科技画廊等地方,为了扩大宣传效果,引起顾客和观众的注意,经常用灯泡或霓虹灯组成图案,加以点缀和衬托,并且希望用动态显示来代替静态显示,这样产生的效果会更生动形象些。过去常用分立元件来组装显示控制电路,往往比较复杂,维修不便,改用集成电路,就可以简单得多。本文介绍几种常用的显示控制电路,供读者参考。
交替式显示的控制电路
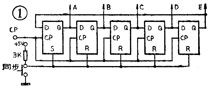
交替式显示就是数只灯泡或霓虹灯是轮流显示的,例如表示产品从低级向高级方向发展,或者如电磁波的辐射那样由中心向外传播等方式,都可以用这种控制电路。这里采用D触发器按移位寄存的方式,构成脉冲分配器,如图1所示。

图中同步端(在这里也可以说是清零端)接第一个D触发器的S端和其余D触发器的R端,当开机同步后,A=“1”,B=C=D=E=“0”,随着cp脉冲的输入,“1”信号依次从A→B→C→D→E→A……,其波形如图2所示。

从图1中A、B、C、D、E各端接相应的显示电路,“1”表示亮、“0”表示暗,亮与暗之间的时间间隔由cp脉冲的周期决定,cp脉冲是由三个与非门组成的环形振荡器产生,如图3所示。改变R、C的值,可改变cp脉冲的周期。

递增式显示的控制电路
递增式显示就是显示的灯数是逐次增加的,例如用五只灯,灯亮的程序是:A→A、B→A、B、C→A、B、C、D→A、B、C、D、E,之后全熄灭,然后再从A开始下一循环,其电路如图4所示,图中的与或非门电路也可用与非门电路代替,如图5所示。


其工作原理是这样的,当R'端来清零信号正脉冲后,所有触发器均置以“0”态,即A=B=C=D=E=“0”,当第一个cp脉冲来后,A=“1”,B=C=D=E=“0”,第二个cp脉冲来后,A=B=“1”,C=D=E=“0”,……当第五个cp脉冲来后,A=B=C=D=E=“1”,也就是所有的显示灯都亮了。当第六个cp脉冲来后,A-=“1”,通过与或非门对R端清“0”,即所有灯均熄灭。理论上应是A灯先熄,但由于集成电路的工作速度很快,看起来是同时熄灭的。其波形图如图6所示。

闪烁式显示的控制电路
如果在图4的基础上,当灯全亮以后,希望再全熄、全亮闪烁几次,以取得更好的效果,可用如图7所示的电路来实现。

当灯全亮以后,门1输出“0”,一路经RS触发器使振荡器Ⅰ停振,另一路经门2及RC电路延时后输出“1”电平。振荡器Ⅱ的电路同振荡器Ⅰ一样,当门2输出“1”电平时振荡器Ⅱ的振荡信号可以通过门3控制门4、5、6、7、8,使灯光闪烁,到预定的闪烁次数后,闪烁计数器输出一正脉冲,使D触发器清“0”,同时又使RS触发器翻转,振荡器Ⅰ继续发出信号,按预定的程序,周而复始。
闪烁计数器应根据需要闪烁的次数来设计,例如需要闪烁三次,则闪烁计数器的逻辑图如图8所示。如果需要增加闪烁的次数,则要相应增加D触发器的数量。图7中的与或非门也可用或非门代替。

注意事项
以上介绍的三种控制电路,都是用TTL小规模集成电路组成的,如果改用CMOS电路、HTL电路等也可以,但要注意应用的条件,如电源电压、清“0”电平的正负等等。
电路的设计、排板、布线都要采取抗干扰措施,例如上面介绍的电路选用并行移位计数的方式,而不用串行计数的方式,可防止尖峰脉冲的产生。
显示电路
显示电路的形式取决于显示元件,常用的显示元件有灯泡和霓虹灯两种。
橱窗和画廊常用小灯泡显示,一般的小灯泡有6V30mA、6V100mA等几种,对于30mA的灯泡用3DG6驱动即可,而100mA的灯泡则可用3DG6和3DG12组成复合管的形式来驱动,如图9所示,(b)和(c)是“0”电平灯亮和“1”电平灯亮的两种电路形式。对于电流大于100mA的灯泡,可用继电器或可控硅驱动。

为了延长灯泡的寿命,在不影响亮度的前提下,其工作电流的选择应略低于灯泡标称值。并且在电路中串接一个5~10Ω的保护电阻,以防接通时瞬间较大电流的冲击,损坏晶体管和灯泡。
霓虹灯是高压发光器件,其电压的高低取决于管子的粗细、长短以及管内充的惰性气体的种类。对于一根直径为10mm、长为10cm的红色霓虹灯,电压在1500V左右;长度为1.5m的霓虹灯电压在13000V左右。绿色霓虹灯的电压略为低些。由于霓虹灯是用12KHz左右的高频触发,故需引进一高频脉冲发生器。图10所示是用于φ10mm、长度1.5m的红色霓虹灯用显示电路,图中脉冲变压器采用12英寸电视机用的U12磁芯,初级线径为0.051mm,35匝,次级线径为0.01mm,2500匝左右。

工作原理:控制信号为“0”电平时,3DG6饱和导通,3DG12、3DD15截止,霓虹灯不亮;当控制信号为“1”电平时,高频信号通过与非门加到3DG6基极,经放大通过脉冲变压器升压,点燃霓虹灯。(蒋友海)