在印刷行业中,对铸字机的铅温要求严格。因为铝温的高低直接影响着铸字的质量。以往都是在化铝锅中插入水银温度计,人工观察铅温的高低,用随时拉掉或合上电闸使电炉断电或通电来控制铅温的。我社印刷厂自己动手,设计安装了自动恒温化铅控制器,可以使铅温自动保持在铸字所要求的温度范围内。
工作原理
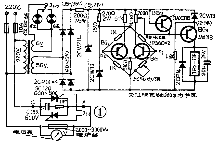
这个控制器分成主回路和控制回路两大部分,见图1。

主回路是一个可控硅交流开关,在电源电压为220V或380V时,应用两只3CT20A/600~800V可控硅管反并联连接起来,将两只可控硅管的控制极通过控制回路中的继电器接点J\(_{1}\)-1连接起来。当铅温达不到所要求的温度时,J1-1自动关闭,可控硅导通,电炉工作;当铅温高于规定温度时,J\(_{1}\)-1自动打开,可控硅截止,电炉停止工作。这样反复进行下去,使铅温始终保持在某一温度范围内。
控制回路由整流、稳压、比较电桥、差动放大及单管开关电路所组成。
在这个回路中,利用铂热电阻阻值随温度变化的特性,用它作为测温元件,将铂热电阻与温度比较电阻(亦称温度定值电阻)串朕,再与两个1KΩ的电阻组成一比较电桥,此电桥的电源电压由稳压二极管2CW13(稳压值5V)供给,以免由于电源电压波动影响输出。工作时,铂热电阻放在铅锅中,随着炉温的升高,铂热电阻阻值也随之增大。这时铂电阻上的压降逐渐增大,而温度比较电阻上电压下降,使图1中b\(_{1}\)点电位下降,b1点电位低于b\(_{2}\)点电位,电桥失去平衡。由于b1点的电位下降,BG\(_{1}\)基极电流减小,集电极电流亦跟着减小,c点电位升高。c点的电位即是BG4基极电位,故BG\(_{4}\)的集电极电流减小。炉温继续升高时BG4的集电极电流继续减小,以致使JRX-13F继电器不能吸合,触点J\(_{1}\)-1断开,反并联可控硅利用交流电压过零自动关断,电炉停止加温。反之当炉温降低时b1点电位高于b\(_{2}\)点电位,c点电位下降,BG4集电极电流增大,继电器吸合,可控硅导通,电炉又开始加温,从而保证炉温控制在所要求的范围内,波动不超过±2℃。
由于晶体管集电极电流会随温度升高而增大,BG\(_{4}\)集电极电流的变化将影响温度控制的精度,为此采用与BG4同型号(3AX31B)且参数一致的晶体管BG\(_{3}\),把它的集电极和基极接成反向二极管的形式(发射极不用),作温度补偿用。当环境温度升高时,BG3反向漏电流增大,使BG\(_{4}\)的基极电位升高,集电极电流减小,以抵消BG4集电极随温度升高而增大的影响,起到了补偿作用。
BG\(_{4}\)的发射极电路中串联了稳压二极管2CW13,是为使BG4的发射极电位不随电流变化而变动,便于和c点电位比较,使温度控制更灵敏可靠。
元件的制作和选择
1.要使可控硅交流开关安全可靠地工作,必须注意选用正品的、参数尽可能一致的可控硅管作反并联。否则线路将不能正常工作。在满足元件导通的条件下,尽可能选用触发功率稍大的元件,以提高元件抗干扰能力。此外,可控硅上承受的最大电压与交流电压的峰值相同(即220V时为\(\sqrt{2}\)×220=311V;380V时为538V)。因可控硅承受过电流、过电压的能力较差,考虑留有一定余量,故我们选用额定电流、电压值为使用电流、电压值2倍左右的3CT20A/600~800V可控硅管,并加了自制的散热器,采取自然通风冷却的散热方式。自制的黄铜片散热器,铜片厚度1毫米,面积40×60毫米,片间隔5毫米,五片组合成一个散热器。
2.三极管BG\(_{1}\)和BG2(3DG6D)、BG\(_{3}\)和BG4(3AX31B)要求选用特性一致的成对管子,BG\(_{1}\)、BG2的β\(_{1、2}\)=40~80之间,BG3、BG\(_{4}\)的β3、4=(1~2)β\(_{1、2}\)较好。否则温度上下摆幅将大大增加或者不稳定。
3.电源变压器是利用市售天津东方红电器厂生产的经济变压器改制的,初级220V和次级6V的线圈都保留不动,只将8~12V线圈拆掉,改用φ0.16mm高强度漆包线绕成50V电压供控制回路用。测得每伏16.5圈,所以应绕825圈。
4.温度比较电阻分十一个档位(见图2)。由于铅合金配制成分不准,铅字体积大小不同,浇铸速度、室温的差异,对浇铸温度要求也就不同。因此采用单刀十一掷波段开关将不同的温度比较电阻接入电桥中去,每档温度比较电阻数值是以铂热电阻在某个温度下的相应阻值来决定。例如放在铅锅中的铂电阻当铅温为320℃时,查表得其阻值为101.66Ω,在此温度下的温度比较电阻值也应该是101.66Ω才能使电桥平衡。

我们制作的控制器有两组温度比较电阻,第一组是控制较低铅温的,温度和电阻值的关系见图2。第二组是控制较高铅温的,其温度范围为:350、380、400、410、420、430、440、450、460、470、480℃(阻值可参阅西安仪表厂“WZB、WZG型热电阻安装使用说明书”中的有关数据)。采用锰铜丝以千分之一精度绕制无感式电阻,每组十一个。
5.印制线路板(1∶2)见图3。继电器选用JRX-13F,直流电阻1200Ω,吸合电流≤9.5毫安,释放电流3毫安。

6.铂电阻选用西安仪表厂生产的WZB-420型铂热电阻。长度为150毫米,分度号B\(_{A1}\)级。用两根长约1.5米的隔离线,一端接于铂电阻的两个出线头,另一端通过普通晶体管收音机用的电源插头、插座接入电桥。使用插头、插座是为了便于取下铂电阻。
调试
1.接上电源后,指示灯红灯亮,电压表指220V(或380V),继电器触点J1-1闭合,各点电压应满足图1中各点所指数值,否则工作将不正常。
当J\(_{1}\)-1触点闭合时,实测BG4集电极电流为16毫安。取掉铂电阻,指示灯绿灯亮,电压表指零,J\(_{1}\)-1触点打开,测得该触点两端电压接近220V(或380V)。
2.若取掉铂电阻电压表不能指零,则有两种可能:
(1)若为新装的可控硅管,可能是两只管子参数不一致,应换成参数一致的管子。
(2)若是旧可控硅管,可能其中一只管子烧坏了,应更换。
3.在调试过程中还发现,继电器JRX—13F的线圈在吸合和断开之前,都有振动声。给继电器线圈并联了一个20μF/25V的电容器后,响声消除。
4.若把两只反并联连接的可控硅管换成双向可控硅管3CTS20A/600~800V时,机器亦能正常工作。通过J\(_{1}\)-1把双向可控硅的控制极G与主回路A点连接,使其形成回路漏电流触发双向可控硅(见图4)。有时J1-1闭合但双向可控硅并不导通工作,则需把该端(即J\(_{1}\)-1接于A点的一端)改接于C点,双向可控硅即能正常导通工作。

5.控制器所指的温度和水银温度计所指的温度有一恒定的差值,控制器所指温度低于水银温度计5℃左右。(陕西日报社 苏乾坤)